本文介绍的停电来电告知器,不仅能在停电或来电时发出声响信号,而且对来电和停电两种状态下所发出的声响是不同的。它的另一个重要特点就是当停电发生时,如果主人不在家,或者在停电后主人忘记关掉用电器的电源,该告知器会在再来电时自动将总电源回路断开,以免来电瞬间可能出现的电源电压波动使电器设备受到损伤或损坏。这种保护方式一直要保持到由主人亲自启动总电源为止。这对节约用电、安全用电以及保护用电设备都是大有好处的。
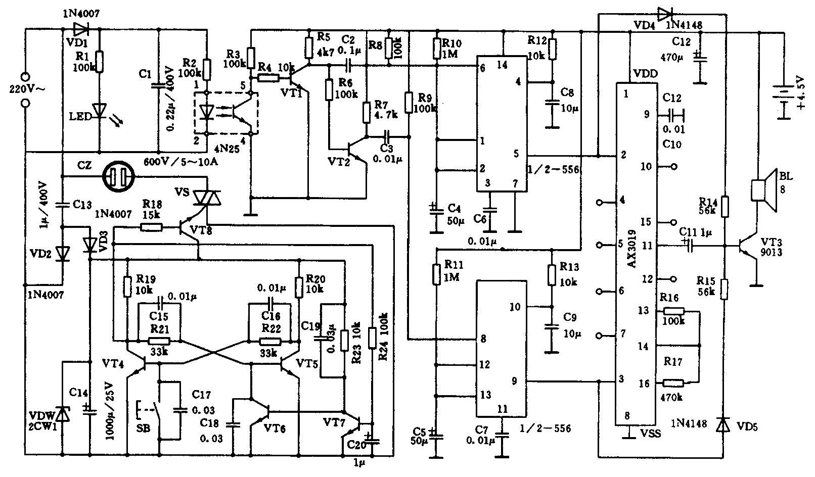
停电来电告知器由主电源状态检测器、报讯声响延时器、声响音源电路和自动掉闸电路等4部分组成。总体电路如附图所示。

主电源状态检测器的作用是持续监测主电源供电电压的有无,并据此决定是否需要发出信号通知延时及音响电路动作。这部分主要由从二极管VD1到三极管VT2之间的元器件组成,最重要的是光电耦合器4N25。它的发光二极管部分(①、②脚)接在主电源上,只当主电源有电时它才发光。光电耦合器的受光部分光电三极管(④、⑤脚)接在用电池供电的电路中,该部分电路与主电源部分在电气上完全绝缘,保证了该设备使用上的安全。
当主电源有电时,光电耦合器中的发光二极管发出的光线,使光电三极管饱和导通,因此三极管VT1截止、VT2饱和导通。由于电容器C2和C3的隔直作用,如果主电源长期处于通电或断电状态,是不会有信号送到延时电路(用556构成)上去的。这就保证了只有当停电或来电突然发生的时刻,才会有触发信号送到延时电路,令其动作。延时电路的延续时间,也就是讯响电路持续发音的时间。
由图可见,假定电路处于有电的状态,当突然发生停电时,三极管VT2的集成电极电位由低变高。与此同时,就有一个正脉冲经过电容器C3加到延时电路556的⑧脚。556是一个双555电路,它们分别构成两个单稳延时触发器。现在,下面这个触发器在收到正脉冲触发信号后处于延时状态,延时量的多少可以通过改变电容器C5的容值来调整,按电路的参数可延时2分钟左右。在这段时间内,⑨脚一直处于高电位状态,这个高电位一路送至声响电路AX3019(这是一个可以产生6种声响信号的音源集成电路,当正的触发电压选加到脚②至脚⑦的每一个引脚时,都会产生不同的声响),使其发出表示停电的信号;另一方面,它也同时通过二极管VD5和电阻R15加到三极管VT3的基极,使VT3由截止(以便平时减少电池的电流消耗)进入甲类工作状态,接通扬声器SP的电路使它能够发声。这种状态要一直持续到单稳触发器⑨脚恢复到低电位为止。此后,VT3又变为截止,处于不耗电状态。
假如突然来电,由于光电耦合器中光电三极管的导通,三极管VT1的集电极将由原先的低电位变为高电位。通过电容器C2把一个正脉冲信号加到另一个延时电路(由556的另一半电路构成)的触发端⑥脚。此时它的⑤脚将变为高电位,并将此电压送到音源电路AX3019的第②脚,令其发出表示来电的信号声响。图中二极管VD4及电阻R14的作用与刚才分析过的VD4及R15的作用相同。
下面着重说明自动掉闸部分的电路。这部分电路可参见附图左下角部分。
来电后,主电源电压经过电容器C13和二极管VD2和VD3、12V稳压管2CW1及滤波电容C14将市电的220V电压整流为12V的稳定直流电压,给自动掉闸电路供电。自动掉闸电路由晶体管VT4至VT7构成,其中VT4和VT5组成一个双稳态触发器,电路设计的关键是在这个触发器中加入了一些附加的控制部件。来电后,由于电容器C19的“加速”作用,VT6的基极得到一正脉冲,使它立即导通,并使VT5的基极变成低电位,集电极变成高电位。这个高电位又使VT4导通,VT4的导通又进而保证了VT5的截止,所以这个双稳态电路就处于VT4饱和、VT5截止的稳定状态。因为VT4的集电极处于低电位,所以三极管VT8截止。这就是说,双向晶闸管VS的控制极得不到触发电压而呈现截止状态,保证主电源处在“掉闸”状态——不能从用户的电源插座CZ上得到供电电压。
这种“锁死”状态将持续到主人干预之后才能解除。解除时,只需按一下启动按钮SB即可。SB的接通将使VT4变为截止,截止后VT4集电极出现的高电位“兵分三路”,一路经R21和C15加到VT5基极,完成双稳电路的自锁作用,第二路通过R24加到VT7,使其导通。VT7的导通过而又使VT6截止。以便确保VT5处于饱和导通状态。第三路,通过R18使VT8导通,从而把一个正的控制电压加到双向晶闸管VS的控制极上,将这个晶闸管“打通”,使用户电器恢复供电。
电容器C20是为保证自动掉闸电路工作的可靠性而设置的。它和电阻R24共同组成了一个低通滤波器,这样,当刚一来电时,即便VT4的基极偶尔处于高电位,由于C20的“吸收”(积分)作用,和C19的“加速”(微分)作用,VT6的基极总是比VT7的基极早一些得到正电压,从而确保来电时VT4集电极处于低电位的“掉闸”状态。
电容器C17和C18的作用是用来旁路VT4和VT5基极上的干扰信号,当自动掉闸电路偶尔受到内部或外部的电气波动干扰时,不会产生误触发。
其他需要说明的是:发光二极管LED用来指示主电源的供电状态;C1用于对VD1整流后的脉动信号进行平滑滤波;电阻R16和R17用来确定音源IC的时钟频率,当其阻值选得较低时,音源发出的音调将变得较高,反之亦然;电路总的静态耗电电流约14mA;除已注明的型号外,所有三极管均选用 9011,β值大于80即可;为了进一步节省电池消耗,可用两个7555取代本电路中的556,此时当然应该对延时电路部分作适当的改动,读者可参考有关7555的电路使用资料去完成。(田进勤 刘泉凤)