①人在说谎时,一般都会产生紧张心理,形成心理压力,外在表现则是出汗,使皮肤电阻降低。利用这一心理、生理反应,可设计制作一个电子测谎器。

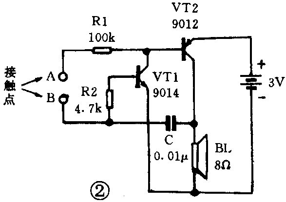
②这是一个极简单的电子测谎器电路。VT1、VT2等组成互补管音频振荡器,振荡频率由R1、两接触点A、B之间的电阻和C决定。当A、B之间断对时,电路停振。

③人体两手指间的电阻一般为几十kΩ至几百kΩ。当用食指和中指同时接触A、B两接触点时,人体电阻即接入电路,使电路起振,扬声器发出一定频率的声音。

④人在说谎时,由于心理压力会使汗腺分泌增加,两手指间电阻降低,此时扬声器发出的声音音调变高。

⑤由于A、B间断路时,两晶体管均截止,电路无电流,因此本电路可免去电源开关。

⑥所有元器件都安装在一块印制电路板上。制作时,首先按本图制作一块印制电路板,图中圆圈处钻好孔,除电池卡子安装孔为φ2mm外,其余均为φ1mm的孔。

⑦其次制作电池卡子。用弹性铜片剪成图示形状,共剪4块,钻好φ2mm的孔。在铜片上图示位置画一个“+”记号。

⑧在弹性铜片下面垫一块橡皮,在铜片上画“+”记号处放一粒钢珠,用锤子敲一下(左图),形成一个凹坑(右图)。

⑨按图7所示虚线处将铜片折弯90°,注意:两片折成图9左图形状,作为电池负极卡子;两片折成右图形状,作为电池正极卡子。

⑩第三步,用φ2mm的空心铆钉将4块电池卡子铆到电路板上,并与铜箔焊牢。注意正、负电池卡子的形状不要弄错。

第四步,安装元器件。各元器件均安装在电路板非铜箔面,其引脚(或引线)从相应的孔中穿过电路板,焊牢在铜箔面。

扬声器采用φ25mm的微型扬声器,用胶将其直接粘牢在电路板非铜箔面,其引线从相应孔中穿至铜箔面焊牢。

第五步,找一个适当大小的塑料小盒作为外壳。在盒盖上铆上两个铜铆钉作为接触点A、B,并用细软导线将其接入电路板的相应位置。在盒盖上再钻几个小孔作为出声孔。将电路板放入盒内,盖上盒盖,测谎器便制作完成了。

用时,被测者用食指和中指同时按住两个接触点,这时可听到一定频率的声音。如果在回答问题时声音的音调明显升高,表明被测者可能在说谎。

需要说明,由于其他一些原因也会造成人体出汗,引起皮肤电阻降低,因此本测谎器并不能准确判断是否说谎,只能作为一种趣味电子玩具,可千万别当真哦!(门宏)
