本文拟介绍数字集成电路中触发器电路的几个趣味应用电路。为了照顾初学者,我想先从触发器的工作原理说起,如果你对此已很熟悉,那就请选着看好了。
一、什么是触发器
顾名思义,触发器,就是一触即发的“器”。也就是说,这种电路,只要我们给它一点(电压的)触动,它就能来个彻底的变化——180°的大翻转。触发器的这种“脾气”使得我们能够用一个小的或瞬间的电压变化,对电路状态完成一个大的影响。这对设计一些无抖动的定时电路、计数电路、报警电路等等都是十分有用的,何况触发器电路也常常可以变通设计,把它联接成振荡器、单稳电路等来使用。
触发器电路可以用各种电子器件来设计,我们这里仅介绍一种最常用的成品集成电路——CD4013。它的电路符号如图1所示,其中(a)是引脚排列图,(b)是功能原理框图。4013是一个双D触发器电路,即在一块集成电路中封装有两个相同的D触发器,以便于实际应用,所以我们只分析一块电路的一半即可。

我们用不着费功夫去分析4013内部电路的工作原理,只要把它的外部逻辑功能弄清楚就足以满足设计应用。对于一般的设计目的来说,应该记住4013的以下逻辑功能:
●在数据端D和时钟端C都接地的情况下,若给它的置位端S加一个瞬间的高电位,则Q端输出高电位,若给其复位端R加一个瞬间的高电位,则Q端输出低电位(或即反相Q端——Q-端输出高电位)。
●在置位端S和复位端R都接地的情况下,当在数据端D上加入逻辑值(1或1)后,4013的输出端(Q或反相Q端)并不反应,必须等到有一个时钟脉冲加到C端时,才在Q端出现D端所加的数据。
知道以上两点就够了。我们以下的小设计就是利用这些来进行的。
触发器的应用电路同样五花八门、无穷无尽。我们先从最简单的门电路开始,使初学者能了解其构成原理并能举一反三,学着设计出自己构思的应用电路来。
二、触发器电路应用举例
例1:防抖动电子开关
大家知道,电器开关的“火花”(由虚接、抖动、反弹等原因产生)常常是引起电路工作失灵、出错甚至是造成重大事故的直接原因,在有可燃性气体的操作环境或复杂的逻辑电路中尤其如此。
在这种情况下,我们必须使用无抖动的电子开关。图2就是我们的小设计。图中的SA是一个普通的机械开关,它当然会有我们上面所说到的各种毛病。我们来看看,把它接在用触发器构成的电路中后,是如何保证不在电路的输出端上出现抖动的(尽管机械开关仍会抖动)。

假如我们现在把SA由a点转换到b点来。当开关离开a点但还没有到达b点之前,电路的状态是不会改变的,即Q端仍然处于高电位;如果此时机械开关SA有抖动,也不防事,因为复位电压并没有加到复位端R上;当SA到达b点时,R端得到了一个正的触发脉冲(或是持续电压,都一样),因此电路复位,使Q端输出低电位,而Q-端(图中未画出)则输出高电位。SA到达b点时难免也有抖动,但只要这抖动不会使得它的刀芯和a点接触,电路就不会被重新置位。这样一来,就实现了输出端Q的变化中不含有抖动的设计要求。
事实上,上面的电路是一个应用很广泛的“复位—置位触发器(或叫RS触发器)”,以后你可以把它当做一个“经典电路”来记住,在需要的时候信手拈来,灵活应用。
例2:巡回监测信号发生器
如果你嫌上面那个电路太简单的话,下面这个电路可要费点笔墨来述说了。
巡回监测电路是一个具有普遍意义的电路,它可以用在诸如时分多路通信、多路示波器附加器、电子乐器的节拍发生器和任意波形发生器等许多场合。
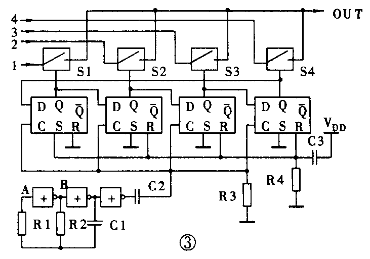
不难想象,要实现巡回监测,就必须有一个选通信号依次循环地加到各个被监测的对象上面去,把它们各自的状态值轮流提取出来,并传送到有一定距离的显示器上来显示。这个选通信号发生器正是我们的设计课题。我们可以用上面所说的CD4013的特性构成一个N级(任意级都行,我们以4级为例来说明)“环状计数器”来达到设计目的,见图3。

由图可见,这个环状计数器是由4个D触发器链接成一个环而得名的:其中第一个的输出端与第二个的输入端D相连,第二个的输出端又和第三个的输入端相连……而最后一个触发器的输出端回过来再与第一个触发器的输入端相连。它们的时钟端C全部连接在一起,由一个用或非门构成的多谐振荡器(和我们上一期所提供的那个振荡器一模一样)给它们供应触发脉冲。4个触发器的输出端则分别连接到对应的4个电子开关(S1~S4)的控制端上,去轮流将它们打开,以便依次将l、2、3、4各路的被测状态(当然先要变成电压值)传送到公共输出端OUT上,并由此再传送到一定距离处的控制或显示设备中去。
接下来你不免要问:我们是如何保证每次一开机都只有一个触发器输出高电位,而其余3个都输出低电位的呢?问得好,这很关键的一招叫你给想到了——仔细看看图3就不难发现:后三个触发器都是将其S端接地,而将其R端与电阻R4相连的:只有第一个触发器是例外——它正好相反: R端接地,而S端接R4。然后我们从R4的上端把连好的S、R端经由一个电容C3与电源的正极相连。这么一来,每当你一开机时,就有一个正脉冲加到R4上,强迫第一个触发器置位(Q端输出1),而其余3个触发器复位(Q端都输出0),于是就达到了我们的设计目的。
在这种情况下,我们还可以看到:第二个触发器的D端目前是高电位(因为它和第一个触发器的Q相连),而其余所有的触发器的D端都是低电位,因为同它们的D端相连接的Q端目前都是低电位。这样,当振荡器的时钟脉冲不断送到公共C端后,这个环状计数器的4个输出端的Q点就挨个出现高电位,轮流循环地把4个电子开关S1~S4打通,使与输入端1、2、3和4相接的各路(图中未画出)被测状态值,排队依次送到公共输出端OUT上去(关于电子开关你可参考有关资料的介绍,目前你就把它当做一个能被电信号打开的普通开关看待好了)。
到此可能会有读者说:要是能再具体点,把巡回监测信号发生器“两头”的被控制电路也画出来就更明白了。又叫你猜中了,我马上就说。刚才没说,那是因为怕把电路弄得太复杂,形成喧宾夺主的局面。现在说,可就以重点说“两头”的电路为主了。对你已经明白了的巡回监测信号发生器部分,咱们就只画个方框图代表一下,免得又成了“喧宾夺主”。请参看图4。

图中你已经看不到巡回监测器的细节,但却能明确地看到被它所控制的“两头”的内容:甲地(被监测方)的四个传感器的输出,和乙地(监测方)表头指示的情形。这里,我们用了两个一模一样的巡回监测信号发生器和两组电子开关S1~S4和S1′~S4′,它们同步地开关着,否则就不能保证一一对应地传送数据。这是靠什么来完成的呢?很简单:只要使两个监测信号发生器共同使用一个时钟脉冲发生器就可以了。
看了清晰简单而明白的图4,我觉得你可能已不愿意让我多啰索什么“电路的工作原理是……”了。那好吧,我只作一点补充:监测端使用电表P1~P4,只是最简单的一种监测方式(R1~R4用来调整表头的满度指示),实际上你还可以用计数器、液晶显示器、柱状发光二极管组、示波器、显像管、讯响器、超限报警器等等,来更直观地了解被监测端各路参量的变化情况。再就是,每个传感器肯定是要与被监测对象建立某种联系的,否则它传什么东西的“感”呢?例如,温度传感器应该放在被测温的地点,如冰箱、烤箱、孵化箱中等;噪声传感器要安放在交通要道、高噪音工地等处。这些细节相信爱思考的读者是会想到的,不赘述了。(田进勤)