半导体管的某些参数是温度的函数,因此我们可以将半导体管变通作为温度传感器使用。例如,晶体二极管和晶体三极管PN结的正向压降具有负的温度系数,稳压二极管的稳压值具有正或负的温度系数,单结晶体管的等效电阻具有正的温度系数,等等。
一、半导体管作温度传感器的原理
1.晶体二极管作温度传感器。
PN结的正向压降具有负的温度系数,并且在一定范围内随温度近似呈线性变化,因此,晶体二极管可以作为温度传感器使用。例如,硅二极管1N4148的正向压降温度系数约为-2.2 mV/℃,即温度每升高1℃,正向压降约减小2.2 mV,这种变化在-50℃~+150℃范围内非常稳定,并具有良好的线性度。如果用恒流源为测温二极管提供恒定的正向工作电流,可进一步改善温度系数的线性度,使测温非线性误差小于0.5℃。图1所示为采用硅二极管1N4148(VD)构成的测温电路,从VD正极得到的输出电压U\(_{o}\)是温度的函数。结型场效应管VT构成恒流源,为二极管VD提供恒定的正向电流I\(_{VD}\),I\(_{VD}\)=|U\(_{p}\)|R(U\(_{p}\)为结型场效应管夹断电压)。为避免二极管PN结自身发热影响测量精度,应使I\(_{VD}\)较小,例如100μA。

2.晶体三极管作温度传感器。
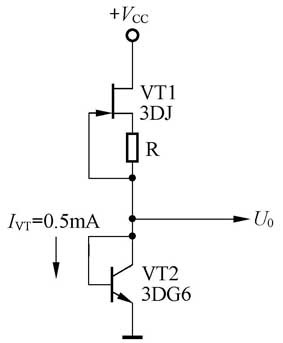
将硅三极管(例如3DG6)基极与集电极短接,其基射结压降Ube的温度系数约为-2.5mV/℃,即温度每升高1℃,正向压降约减小2.5mV ,并具有良好的线性度。晶体三极管3DG6(VT2)构成的测温电路如图2所示,结型场效应管VT1为恒流源,为VT2提供0.5mA左右的恒定工作电流。

3.稳压二极管作温度传感器。
稳压二极管的稳压值也会随温度的变化而有所变化,因此稳压二极管也可以作为温度传感器使用,电路如图3所示,VT构成的场效应管恒流源为稳压二极管VD提供恒定的反向工作电流I\(_{VD}\),I\(_{VD}\)可取1mA左右。稳压二极管稳定电压的温度变化幅度通常为数毫伏/℃,变化方向有正有负,一般稳压值小于6V的稳压二极管具有负电压温度系数,稳压值大于6V的稳压二极管具有正电压温度系数。图3电路中,VD采用9.1V稳压二极管,其电压温度特性为+3.8 mV/℃,即以20℃为参考点,温度每升高1℃,输出电压Uo就升高3.8mV;温度每降低1℃,输出电压U\(_{o}\)就降低3.8mV。

4.单结晶体管作温度传感器。
将单结晶体管的发射极与第一基极短接,其两基极间的等效电阻为5~10kΩ,并具有正温度系数。图4所示为采用单结晶体管BT33(VT)构成的测温电路,R为限流电阻,工作电流I\(_{VT}\)可取0.5~1mA。

二、变通运用实例——数字显示温度计
该款数字显示温度计采用硅二极管1N4148作为温度传感器,三位数字显示,可以测量-50℃~+100℃的温度,测量误差不大于0.5℃。置于案头或挂于墙上,既可以随时指示室内温度,又是一件美化居室的时尚物品。除测量气温外,若将温度传感器用导线连接出来,还可以测量水温等等。
1.电路工作原理。
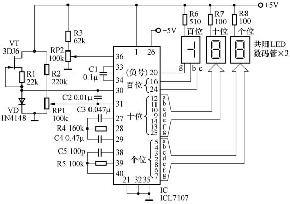
数字显示温度计电路如图5所示,由温度传感器、测温电桥、基准电压、模 / 数转换、译码驱动、数字显示等部分组成,图6为原理方框图。硅二极管1N4148(VD)与VT、R1、R2、RP1组成测温电桥,电桥的上下两端点接入直流工作电压,左右两端点(VD正极、RP1动臂)输出代表温度函数的差动信号电压,其中RP1动臂为固定参考电压,VD正极为随温度变化的函数电压。

模/数转换和译码驱动IC采用三位半双积分A/D转换驱动集成电路ICL7107,其内部包含有双积分A/D(模/数)转换器、BCD七段译码器、LED数码管驱动器、时钟和参考基准电压源等,其功能是将测温电桥输出的代表温度函数的模拟信号电压转换为数字信号,驱动LED数码管显示,并具有自动调零、自动显示极性、超量程指示等功能。RP1为零点调整电位器,RP2为基准电压调节电位器。
2.电路调试。
调试前应将测温二极管1N4148(图5中的VD)用适当长度的导线从电路板上连接出来,并用绝缘材料加以密封。调试时,首先将测温二极管VD浸入冰水混合物中,调节电位器RP1使数码管显示为“0”;然后将测温二极管VD浸入沸腾的开水中,调节电位器RP2使数码管显示为“100”。调试结束后,将测温二极管VD焊回电路板。如需调节数码管的亮度,适当增减限流电阻R6、R7、R8的阻值即可。
文/莫恩