近些年来受“简洁至上”思潮的影响,在前级放大器的设计使用上存在许多争论.一方面,按简洁出靓声的原则,前级放大器大可弃之不用; 另一方面,与之反道而行的是大量进口发烧级功率放大器非常重视前级的设计,有些分体前后级功放,其前级的售价占到了整机售价的四分之三,而且电路相对后级要复杂得多,更有甚者仍保留让人“嗤之以鼻”的音调处理电路。这些洋货以令人惊叹的音质表现征服我们的同时,但愿也能让我们反思一下这种“简洁至上”的思潮,是否已将我们带入一种误区?
本文提及的这款前级电路,最早源于日本,国内刊物上有过一些介绍,但在实际计算制作过程中,发现存在许多问题,根本行不通。不知是学艺不精,还是商家有所保留,就不得而知了。本人在修改有关参数的同时,也对该电路的性能进行了测量,表现的确出乎意料。这一点也使本人坚信优越的电路设计是出靓声的根本。
电路简介
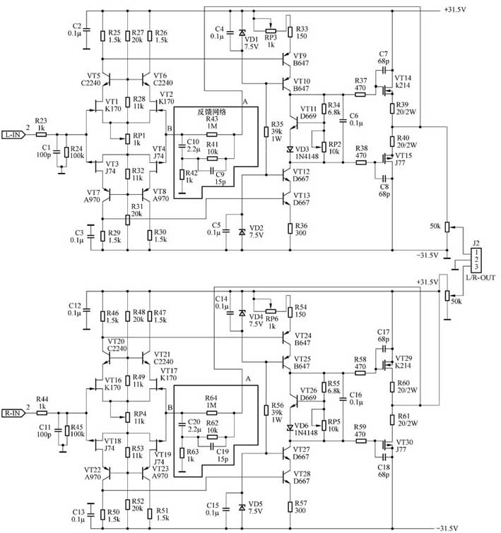
主电路部分如图1所示,图2是该电路的音源选择及电源供电电路,图3为本前级的PCB印制板图,可以将其置于合并机箱或分体前级中,通用性强。

图1电路中,来自音源选择电路的左声道输入信号(以左声道为例),经R23缓冲进入VT1~VT4组成的双差分输入电路。R24决定功放的输入电阻为100kΩ,C1对输入信号中的高频干扰起旁路作用。VT1、VT5,VT2、VT6, VT3、VT7和VT4、VT8构成共射—共基电路(也称沃尔曼电路),这种电路最显著特点是具有失真低、频响宽、增益高、线性好。R27、R28、RP1、R32和R31构成分压电路给VT5、VT6和VT7、VT8基极提供±12V基极偏置。这样,VT1~VT4四只结型场效应管的漏极工作电压只有11.3V(12V-0.7V)左右,保证了结型场效应管安全可靠地工作,这是因为结型场效应管的工作电压较低,不能直接工作在较高的电压下。RP1(兼作输出级输出中点电位的调节)为输入电路静态电流的调节电阻,设计时输入级静态电流设定在1.4mA左右。这样,R25、R29上产生的2.1V(1.4mA×1.5kΩ)压降作为下一级电路的偏置电压。
电压放大级同样是由VT9、VT10和VT12、VT13构成共射—共基电路。VD1、R35、VD2为VT10、VT12的基极提供基准工作电压。调节RP3将该级的电流设定在4.8mA左右,R36上电压降为1.45V(300Ω×4.8mA)。正负半周的信号经VT9、VT13共射放大后由其集电极进入VT10、VT12组成的共基电路,并从两管的集电极输出,经R37、R38缓冲送入VT14(K214)、VT15(J77)组成的末级电路。
VT11、R34、VD3、RP2构成恒压电路,调节RP2可改变VT14、VT15两管栅极电位差,从而改变末级静态工作电流。C4、C5及输入级的C2、C3为高频退耦电容,减少了电源的高频内阻过大引起自激的可能。关于末级管K214、J77电流到底设计在多大,以前有人作过探讨,结论是静态电流大于80mA后,胆味才更浓郁。本设计中将K214、J77的静态电流设计在100mA左右,只是散热片要稍稍加大点。场效应管属电压控制器件,栅极输入阻抗高,静态电流调大时,会产生寄生振荡,解决的办法是在VT14、VT15的栅—漏之间并联C7、C8来消除。R39、R40为末级管的源级电阻,当该级电流为100mA时,其上的压降为2V(20Ω×100mA)左右。
R41、R42、R43、C9、C10构成电压反馈网络,本人先后试验过四种电压反馈形式,唯有图1所示的这种反馈网络,通频带、转换速率等指标最优。R41、R42将整机的闭环电压放大倍数定在10倍左右,这也是前级电路常规的放大倍数设定方法。至于相位补偿电容C9的使用,有一个原则是能小则小,能不用则不用。C9的使用影响整机的转换速率,使整机的动态变软。本人在面包板上做的实验电路,按理说条件相当差了,但将C9完全取消不用,没有产生一点自激(示波器观察)。
图2所示电路是该前级的音源选择和供电电路,其中供电电路在2004年第9期中有过相关的介绍。音源切换电路采用小型继电器,最大限度地缩短了小信号的传输路线,这也是中高档功放电路常用的形式。通过固定在面板上的五挡切换开关,控制五路继电器动作。所用继电器为直流12V,直流电阻700Ω左右。继电器的+12V供电由稳压电源正端取出经集成稳压IC1(LM7812)稳压,供五路继电器使用。
整机制作
本机电路虽稍显复杂,但只要制作遵循一定的规律还是很容易成功的。
首先制作图2所示电路,在确保音源选择及供电电路正常的情况下,按图1接好主电路的输入级电路。输入级电阻的选择要尽量接近标注值,尤其像R25、R29这样的对称电阻阻值一定要相等,为后续调试减轻难度。VT5~VT8可用数字万用表选配,β的误差最好控制在±5%以内。对于VT1~VT4我们只有在调试中进行配对了。在确保电路无误的条件下,将双差分电路的两个输入端对地短路,接通电源,调节RP1使R25、R26、R29、R30上的直流压降为2.1V左右。如果出现这四个电阻上的压降不一致,可能是VT1~VT4不配对,可适当更换一下VT1~VT4,最终使R25、R26、R29、R30上的压降一致。
接下来按图1接好中间级电路,输入级的两个输入端仍保持接地状态,接通电源,首先测量两只稳压二极管VD1、VD2的电压是否正常(7.5V左右),R35两端的压降应为45V左右。调节RP3,测量R36两端电压是否变化,能变化则基本正常。将R36两端电压调节到1.45V,这样便将中间级的电流设定在4.8mA(1.45V/300Ω)左右。再测量RP3与R33串联电路两端的电压,也该在1.45V左右。当然VT9、VT10、VT12和VT3最好也要经数字万用表的检测,β相差不能太大。调节RP2的阻值,VT10、VT12两管集电极电位差应能在2.5V到18V之间变化,最后将两管集电极电位差锁定在5V以下。
接通最后一级电路,通电后调节RP2,用数字万用表观测R39、R40上的电压,调节至2V(20Ω×100mA)左右为止,此时VT14、VT15的电流确定在100mA。
最后一步是接通反馈网络,将输入端对地短路,复测输入级,中间级和输出级的静态电流值,如果与前述的设定值有出入可稍稍调节RP1、RP3、 RP2,直至满意为止。再用数字万用表的交流毫伏挡测量输出中点到地的直流电位,调节RP1,使输出中点对地直流电位控制在±20mV以内。当然这几只电位器能用多圈的最好,会给调试带来很大的方便。有条件的可在输入端短路的情况下用示波器观察输出中点有无自激现象,如果有自激适当改变C9的值,直至消除为止,当然这是以牺牲整机转换速率为代价的。
本人制作时一次成功,我想这得益于元件的精心选配上,只有使用正品元器件并把一切准备工作做到位,后面的调试才会变得简单。
电路调试
电路在测试时,使用了正弦和方波信号,峰-峰值均为1V。正弦信号在2Hz~800kHz范围内,波形无失真,在超过800kHz之后,幅度开始稍有下降,估计通频带在2Hz到800kHz之间,而方波的测试就能比较出几种电压反馈方式在性能上的差别。先后测试过四种传统的电压反馈方式,前三种方式方波信号在550kHz之后,转换速率开始变差,唯有本机所用的反馈方式,方波信号在700kHz之后,转换速率才稍有变差,这也是最终选择这种反馈方式的原因。
最后一步就是实听测试。本电路分两部在两块面包板上制作而成,没有使用屏蔽线,接上自制的后级,静态下没有一点噪声,而加上音乐信号之后,声场开阔,高低频收放自如,胆味浓郁,最难得的是低频弹性十足,比起直接驳接后级的干涩又明显圆润光滑许多。我想这一切得益线路的优良设计吧,毕竟只有好的线路才是出靓声的根本。
文/范志庆 操建华