一台熊猫3636型电视机在接通电源后,在屏幕的右下中部有一个模糊圆形亮团,其他部位呈黑屏,随着开机时间的延长,亮团逐渐扩大,而伴音始终正常。据用户介绍,该机在近期收看时,图像都是先模糊发虚,约半个小时后,图像才慢慢变清楚。这次正在收看过程中,整个屏幕突然上下缩小且图像偏红。
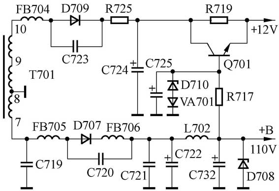
从故障现象分析,图像模糊,有可能是尾座漏电,使其聚焦极电压下降;图像呈水平亮团,有可能是场扫描电路工作不正常;图像发红,有可能是视放电路有故障或其显像管老化。拆开机壳,先更换尾座后试机,屏幕上没有出现圆形亮团,直接呈水平亮带且光栅偏红。接着按先易后难的原则,先解决场幅压缩,后排除偏色的故障。在检查场扫描电路之前,先试调场幅电位器R503(100Ω),屏幕随即展开,可能是电位器R503接触不良造成。接着解决图像偏色的问题,先试调几个电位器,偏色没有多大改善,之后按调节亮暗平衡的方法进行调节几遍无效。判断是五个电位器R851(500Ω)、R852(500Ω)、R856(5kΩ)、R857(5kΩ)、R858(5kΩ)使用时间长的缘故,随即用五个新的同阻值电位器换上后,调节还是无效。测三个视放管Q851~Q853(C3417)的b极都在4.5V左右,虽说电压有点低,但三者基本一样,没有引起足够的重视,致使在后续的检查中多走了弯路。在调节亮暗平衡后,屏幕光栅呈灰屏,没有雪化点现象。接上信号后,图像上好像被蒙了一层雾,不清晰。调节对比度越大,拖尾越严重。调节行输出变压器T602上的聚焦和帘栅极电位器,字符清晰,但图像还是不清楚。在调节亮度至最大和最小值时,其光栅亮度基本没有变化,接着测集成块IC801(D7698AP)的亮度控制输入、输出端,其电压都低,再测其他各脚电压,也较低,尤其是集成块IC801的2脚电源端只有8V,正常值应在12V。沿电路检查,发现其电压是来自三极管Q701的e极,其电路见附图。在对电路进行简单的分析后,用镊子人为短接三极管Q701的c、e极,此时屏幕雪花点清晰,说明确是其电压低造成,余下的问题迎刃而解,对三极管Q701、二极管D710、VA701、电阻R719(47Ω)、电容C724、C725等元件进行检查,没有发现异常,再测三极管Q701的各极电压,发现其b极为0V,而e极为8V,c极为14V。经检查是电阻R717(10kΩ)开路,使+B电压不能通过它加到三极管Q701的b极,随即用同阻值电阻换上后,光栅亮度及雪化点正常,接上信号后,图像清晰,而场幅不对,再把场幅电位器R503调回原位后,图像正常,故障排除。

小结:
由于电阻R717(10kΩ)开路后,三极管Q701(D313)的b极没有正偏电压而截止,而负载所需的工作电压只有通过电阻R719获得,这样一来,在电阻R719上的压降增大,使其视频解码、场扫描等电路工作电压降低,就造成了该电视机出现这种错综复杂的故障现象。
文/韩军春 宋海红