来电显示电话机是指具有显示主叫方电话号码功能的电话机(见图1)。在电信局开通了来电显示服务的前提下,电话铃响后,来电显示电话机即可显示出主叫方的电话号码,使人们在接电话之前就可知道电话是谁打来的。来电显示电话机还能够将来电号码存储起来,人们通过查看存储记录即可知道自己不在时有谁打来过电话。来电显示电话机拓展了电话机的功能,大大方便了人们的通信联络,得到了普遍应用。虽然来电显示电话机品牌和种类很多,但其基本功能和原理大同小异。

一、电路工作原理
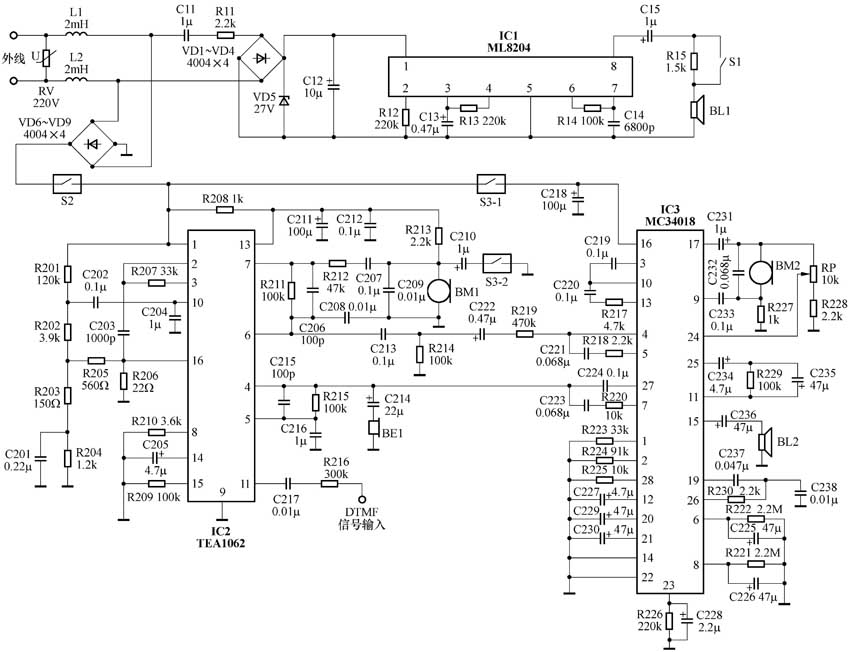
来电显示电话机电路原理方框图如图2所示,主要包括振铃电路、通话电路、拨号电路和来电显示处理电路等部分。来电显示是指电话通信中的主叫识别信息传送与显示功能,目前有两种制式:(1)FSK制,即移频键控制;(2)DTMF制,即双音多频制。我国国家标准为FSK制。图3为振铃和通话电路原理图。

1.振铃电路。图3上半部分所示为振铃电路,由整流电路和振铃集成电路等两部分组成,其功能是有电话呼入时发出振铃声。

2.通话电路。图3下半部分所示为通话电路,包括极性转换电路、手柄通话电路和免提通话电路。
3.来电显示处理电路。由微处理器和DTMF解码电路、液晶显示屏等组成,电路见图4,其功能是接收、识别、处理和显示来电信息。IC4为四位微处理器GD9815,其内部包含有:(1) FSK移频键控解码器;(2) LCD液晶显示控制和驱动电路;(3) DTMF双音多频发生器等。它具有来电信息数据的接收、处理、显示和存储,双音多频拨号及其显示和存储,时钟电路及时间日期显示和控制,以及其他控制功能等。微处理器芯片大多直接封装在显示电路板上。IC5为DTMF双音多频接收解码集成电路HM9270,具有频率分离滤波和数字解码功能。SB3为免提按钮。
4.拨号电路。由拨号键盘和IC4微处理器中的DTMF发生器等电路组成(见图4),每一个按键对应一个双音多频信号。拨号时,在拨号键盘的操作下,IC4的72脚输出代表所拨号码的DTMF信号,经R216、C217送入IC2的11脚(见图3),放大后从1脚输出至外线,通过程控交换机呼叫被叫用户。同时,IC4将拨号信息写入微处理器内部的存储器中,以供查阅和重拨。
二、简单故障的检修
1.来电不能显示。首先检查电池,来电显示功能需要安装电池,如未装电池或电池电压严重不足则无显示。如日期、时间等显示正常,而来电无显示,则可能: (1)未开通来电显示业务; (2)内线交换机不具备来电显示功能;(3)微处理器IC4或其外围电路有故障。
2.显示错乱或功能紊乱。多为微处理器IC4软件故障,可将电话机的电池取下,并将外线插头拔掉,待数十秒钟后再重新全部装好,故障一般即可自动排除。
3.不响铃。首先检查外线是否脱落或断路、短路,其次检查电话机的手柄是否挂好,如以上都正常,则较大可能是: (1)振铃电路的扬声器引线断路;(2)振铃电路输入端的隔直流电容器失效;(3)振铃集成电路IC1或其外围电路故障。
4.不能手柄通话。较常见的原因是:(1)挂机叉簧开关未弹起(被卡住); (2)手柄与电话机之间的连线接触不良或断线; (3)手柄内话筒或耳机接触不良或断线; (4)手柄通话电路故障。
5.不能免提通话。较常见的原因是:(1)免提按钮接触不良; (2)电话机内扬声器或话筒的连线接触不良或断线; (3)免提通话电路故障。
6.不能拨号。首先观察拨号时显示屏有无号码显示。如显示屏无显示,可能是以下原因:(1)所有按键均无效,一般是软件故障造成死机,可将外线和电池全部取下,数十秒后再重新装上即可恢复;(2)部分按键不起作用,一般是按键接触不良。如显示屏能正常显示所拨号码,则可能是: (1)外线插头脱落或断路; (2)挂机叉簧开关未弹起(被卡住); (3)拨号电路故障。
文/门宏