施密特触发器是最常用的脉冲整形电路之一,其功能是可将缓慢变化的电压信号转变为边沿陡峭的矩形脉冲。施密特触发器电路符号如图1所示,图1(a)为同相输出型施密特触发器,图1(b)为反相输出型施密特触发器,A为输入端,Q或Q-为输出端。

施密特触发器的两个显著特点是:(1)具有两个稳定状态,即输出端Q或Q-要么为“1”,要么为“0”,这两个稳定状态在一定条件下能够互相转换。(2)具有滞后电压特性,即正向和负向翻转的阈值电压不相等,正向阈值电压U\(_{T}\)+大于负向阈值电压U\(_{T}\)-,当输入电压上升到正向阈值电压U\(_{T}\)+时,触发器翻转;当输入电压下降到负向阈值电压U\(_{T}\)-时,触发器再次翻转。滞后电压△U\(_{T}\)= U\(_{T}\)+-U\(_{T}\)-,图2为施密特触发器波形图。

除了专门的施密特触发器集成电路外,施密特触发器还可以由门电路或时基电路构成。施密特触发器常用于脉冲整形、电压幅度鉴别、模/数转换、多谐振荡器以及接口电路等。
一、门电路构成的施密特触发器
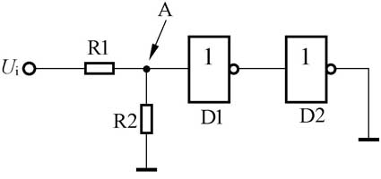
利用两个非门即可以构成施密特触发器,电路如图3所示。R1为输入电阻,R2为反馈电阻。非门D1、D2直接连接,R2将D2的输出端信号反馈至D1的输入端,构成了正反馈回路。

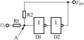
无输入信号时,各非门输出端状态为:D1 = 1、D2 = 0 。这时,R1、R2对输入信号形成对地的分压电路如图4所示。

当接入输入信号U\(_{i}\)时,由于R1、R2的分压作用,非门D1的输入端A点的实际电压是U\(_{i}\)的\(\frac{R2}{R1+R2}\)倍。设非门的阈值电压为1/2V\(_{DD}\),只有当输入信号上升到U\(_{i}\)≥R1+R2R2·1/2V\(_{DD}\)时,触发器才发生翻转,使D1=0、D2=1。R1+R2R2·1/2V\(_{DD}\)称为施密特触发器的正向阈值电压U\(_{T}\)+。这时,R1、R2对输入信号形成对正电源V\(_{DD}\)的分压电路,如图5所示。

当输入信号U\(_{i}\)经过峰值后下降至U\(_{T}\)+时,触发器并不翻转。这是因为V\(_{DD}\)经R2、R1在A点有一分压,加在U\(_{i}\)之上,使得A点的实际电压为:U\(_{A}\)= U\(_{i}\)+\(\frac{R1}{R1+R2}\)(V\(_{DD}\)-U\(_{i}\))。只有当U\(_{i}\)继续下降至U\(_{A}\)≤1/2V\(_{DD}\)时,触发器才再次发生翻转,施密特触发器的负向阈值电压U\(_{T}\)-=
二、时基电路构成的施密特触发器
时基电路构成的施密特触发器如图6所示,将555时基电路的置“1”输入端(2脚)和置“0”输入端R(6脚)并接在一起作为施密特触发器的输入端,其输出端(3脚)作为施密特触发器的输出端。

当输入信号U\(_{i}\)≥2/3V\(_{CC}\)时,输出信号U\(_{o}\)=0;当输入信号U\(_{i}\)≤1/3V\(_{CC}\)时,输出信号U\(_{o}\)=1 ;输出信号U\(_{o}\)与输入信号U\(_{i}\)相位相反,其波形如图7所示。555时基电路构成的施密特触发器的正向阈值电压U\(_{T}\)+=2/3V\(_{CC}\),负向阈值电压U\(_{T}\)-=1/3 V\(_{CC}\),滞后电压△U\(_{T}\)=U\(_{T}\)+-U\(_{T}\)-=1/3V\(_{CC}\)。

三、集成施密特触发器
集成施密特触发器性能一致性好,触发阈值稳定,无需外围元件,使用十分方便。图8所示为常用的两种CMOS施密特触发器,图8(a)为非门形式的施密特触发器CC40106,内含六个独立的施密特非门;图8(b)为与非门形式的施密特触发器CC4093,内含四个独立的施密特与非门。CMOS施密特触发器还具有适用电源电压范围宽、输入阻抗高的特点。
四、施密特触发器应用实例——光控窗帘
光控窗帘在天黑时会自动拉合,天亮时会自动拉开,完全省去了人工操作,定会给您的生活带来方便和情趣。
1.电路工作原理
光控窗帘由控制电路和机械执行机构两大部分组成。图9为控制电路方框图,图10为电路图,图11为电路各点波形图。
白天,光电三极管VT1受光照而导通,输出端(A点)为“0”,使施密特触发器IC1-1输出端(B点)为“1”。晚上天渐黑后,光电三极管VT1由导通变为截止,A点变为“1”,经施密特触发器IC1-1整形后,输出端(B点)由“1”变为“0”,其下降沿经C1、R2(微分电路①)形成一负脉冲D,触发单稳态触发器①翻转至暂态,其输出端(F点)为+6V,使直流电机M正转,将窗帘拉合。早晨天渐亮后,光电三极管VT1由截止变为导通,施密特触发器IC1-1输出端(B点)又由“0”变为“1”,反相器IC1-2输出端(C点)由“1”变为“0”,其下降沿经C4、R4(微分电路②)形成一负脉冲E,触发单稳态触发器②翻转至暂态,其输出端(G点)为+6V,使直流电机M反转,将窗帘拉开。
在黑夜或白天稳定状态,光电三极管VT1输出端(A点)及施密特触发器IC1-1输出端(B点)无变化,微分电路①、②均无负脉冲输出,两个单稳态触发器输出端F 、G均为“0”,直流电机M静止不转。用单稳态触发器控制直流电机的好处是可以免除使用行程开关,结构简单,工作可靠。
2.元器件选择
IC1选用CMOS集成施密特触发器CC40106,使用其中的两个触发器即可。两个单稳态触发器IC2、IC3均选用双极型时基电路NE555,它具有200mA的输出驱动能力,可直接驱动直流电机,并可以方便地实现正、反转控制。CMOS型时基电路因驱动能力较小不适用。VT1选用3DU型光电三极管。VD1、VD2可用4148或2CP系列二极管。直流电机M选用工作电压6V、工作电流小于200mA的微型直流电机。电路所需6V直流电源,可由整流稳压电源或电池提供。
3.制作与调试
图12是光控窗帘制作安装示意图。窗帘悬挂于导轨上。在导轨上方安装滑轮及牵引绳,牵引绳为一环形,套在两端的滑轮上,并保持绷紧状态。直流电机M通过减速传动器驱动右端滑轮转动,使牵引绳移动(见图12右端)。减速传动器可利用废旧钟表中的齿轮组制作,减速比一般为50:1左右。窗帘活动的一端与牵引绳某一点固定连接在一起(图12左端),以便牵引绳左右移动时可带动窗帘移动。
调试时,首先直接给电机M接上6V直流电源,使其转动,看窗帘来回运行是否灵活、平稳,并测出窗帘拉合(或拉开)的运行时间。根据运行时间调整两个单稳态触发器的输出脉宽T\(_{W}\)(即暂态时间),T\(_{W}\)= 1.1R3·C2(或1.1R5·C5),适当选择RC的值,使T\(_{W}\)略大于窗帘运行时间(图10中数据T\(_{W}\)=20s)。然后用导线将光电三极管VT1、电机M接入电路板,接上6V直流电源。当用黑纸遮住光电管时(模拟天黑),电机应正转使窗帘拉合;当将黑纸拿开时(模拟天亮),电机应反转使窗帘拉开。如电机不转,除检查接线等外,可调节R1提高光控灵敏度;如窗帘运行方向反了,将电机M的两根引线对调即可。窗帘运行到位后电机应停止转动,如不停或窗帘尚未运行到位就停了,则应重新计算TW。最后将电路板固定在电机附近,光电三极管固定在窗外适当位置,罩上窗帘盒,一个方便实用的光控窗帘就制作好了。
(文/门宏)