单稳态触发器的特点是,在一个触发脉冲的作用下,能够输出一个具有恒定宽度的矩形脉冲。单稳态触发器的一般逻辑符号如图1所示,图1(a)为可重触发单稳态触发器,图1(b)为非重触发单稳态触发器,TR为触发端,Q和Q-为输出端。单稳态触发器具有两个输出状态:稳态和暂稳态。平时电路处于稳态,输出端Q= 0、Q-= 1 。在TR端输入脉冲的触发下,电路翻转为暂稳态,Q = 1、Q-= 0 ,但这个状态是暂时的,经过一定时间后触发器又自动回复到稳态(Q = 0 、Q-= 1)。图2为单稳态触发器工作波形图。


单稳态触发器主要应用于脉冲信号展宽、整形、延时,以及定时器、振荡器、数字滤波器、频率—电压变换器等电路。
一、门电路构成的单稳态触发器
1.或非门构成的单稳态触发器
电路见图3,R为定时电阻,C为定时电容。该单稳态触发器由正脉冲触发,输出一个脉宽为T\(_{W}\)的正矩形脉冲。

平时电路处于稳态,D1 = 1 ,D2(U\(_{O}\))=0 。当在触发端加入正触发脉冲U\(_{i}\)时,电路翻转为暂稳态,D1 = 0 ,D2(U\(_{O}\))= 1 。这时电源+V\(_{DD}\)经R对C充电,当C上电位达到D2的转换阈值时,U\(_{O}\)=0 ,电路回复稳态,直至再次被触发。各点波形如图4所示。输出脉宽T\(_{W}\)=0.7RC(s)。

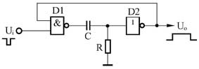
2.与非门构成的单稳态触发器
电路见图5,由负脉冲触发,输出一个脉宽为T\(_{W}\)的负矩形脉冲,T\(_{W}\)= 0.7RC(s)。

电路处于稳态时,U\(_{O}\)= 1 。当电路被负触发脉冲U\(_{i}\)触发后,翻转为暂稳态,U\(_{O}\)= 0 。随着C的充电,D2输入端电位逐步下降,当达到D2的转换阈值时,U\(_{O}\)= 1 ,电路回复稳态。各点波形如图6所示。

二、D触发器构成的单稳态触发器
电路见图7,R、C组成定时网络。该单稳态触发器由正脉冲触发,输出一个脉宽为T\(_{W}\)的正矩形脉冲,T\(_{W}\)= 0.7RC(S)。

电路处于稳态时,U\(_{o}\)=0 。当触发脉冲U\(_{i}\)加至CP端时,U\(_{i}\)上升沿使数据端D的“1”到达输出端Q,电路转换为暂稳态,U\(_{o}\)=1,并经R向C充电。当C上电压达到R端转换电压时,使D触发器置“0”,U\(_{o}\)=0,电路回复稳态。这时C经R放电,为下一次触发做好准备。各点波形如图8所示。

三、时基电路构成的单稳态触发器
电路见图9,R、C组成定时网络。555电路构成的单稳态触发器由负脉冲触发,输出一个脉宽为T\(_{W}\)的正矩形脉冲,T\(_{W}\)= 0.7RC(s)。
电路处于稳态时,U\(_{o}\)=0 ,放电端(7脚)导通到地,电容C上无电压。当负触发脉冲U\(_{i}\)加到555电路2脚时,电路翻转为暂稳态,U\(_{o}\)=1,放电端(7脚)截止,电源+V\(_{CC}\)开始经R向C充电。当C上的充电电压达到 2/3V\(_{CC}\)(置“0”端阈值)时,电路再次翻转,回复稳态。各点波形如图10所示。
四、集成单稳态触发器
集成单稳态触发器的特点是稳定性高,电路功能强,既可以采用正脉冲触发,也可以采用负脉冲触发。输出脉宽T\(_{W}\)由外接电阻和外接电容决定,具有较宽的调节范围。图11为集成单稳态触发器逻辑符号,具有两个触发端:上升沿触发端TR+——-和下降沿触发端TR-;具有两个输出端:Q端和Q-端。另外还具有一个清零端R,以及外接电阻端Re和外接电容端Ce 。
在TR+ 端输入一个正触发脉冲,或在TR-——-端输入一个负触发脉冲,单稳态触发器的Q端即输出一个恒定宽度的矩形脉冲,该矩形脉冲的宽度T\(_{W}\)= 0.7R\(_{e}\)C\(_{e}\)。附表为集成单稳态触发器真值表。
五、单稳态触发器应用实例——定时器
电路见图12,定时时间可根据需要设定,最短为1s,最长为1000s。在定时时间内,发光二极管点亮指示。定时时间终了,发出6s左右的提示音。
1.电路工作原理
定时器电路采用了两个集成单稳态触发器。第一个单稳态触发器IC-1构成定时器主体电路,第二个单稳态触发器IC-2构成提示音电路。SB为定时启动按钮,S2为电源开关。
单稳态触发器IC-1采用TR+ 输入端触发,当按下启动按钮SB时,正触发脉冲加至TR+ 端,IC-1被触发,其输出端Q便输出一个宽度为T\(_{w}\)的高电平信号,输出脉宽T\(_{w}\)由定时电阻R和定时电容C决定,T\(_{w}\)=0.7RC ,改变定时元件R和C的大小即可改变定时时间。本电路中,定时电阻R等于RP与R2之和,定时电容C等于C1、C2、C3中被选中的一个。S1为定时时间设定波段开关,S1指向C1时定时时间为1 ~ 10s(由RP调节,下同),S1指向C2时定时时间为10 ~ 100s,S1指向C3时定时时间为100 ~ 1000s。RP为定时时间调节电位器,因定时电阻R = RP + R2 ,调节RP,可使R最小为330 kW,最大为3.33MW,调节率达10倍。
IC-1输出端Q为高电平时,晶体管VT1导通使发光二极管VD发光。同时IC-1反码输出端Q-为低电平,对IC-2不起作用。
单稳态触发器IC-2定时时间由R6、C5确定,约为6s。当IC-1定时结束时,其Q端由低电平变为高电平,上升沿加至IC-2的TR+ 端,IC-2被触发,IC-2的Q端输出高电平使晶体管VT2导通,自带音源讯响器HA发出6s左右的提示音。
R5、C4组成开机清零电路,在接通电源开关S2的瞬间,因C4上电压不能突变,U\(_{C4}\)=0,加至两个单稳态触发器的R-端使其清零。
2.制作与调试要点
IC选用CMOS单稳态触发器集成电路CC4098,内含两个独立的单稳态触发器,分别作为IC-1和IC-2。RP选用线性电位器。C1 ~ C3、C5应选用钽电容等高品质低损耗电容器。HA选用自带间歇(断续)音源的讯响器,工作电压为6V,如所用HA的工作电压小于6V,应串入降压电阻。
调试主要是标示定时时间刻度。波段开关S1的三挡分别标示为“×1”(指向C1时)、“×10”(指向C2时)、“×100”(指向C3时)。将S1置于“×1”挡,测试RP在不同位置时的定时时间,分别标示出“1、2、……10”十个点,制作调试即告完成。
(文/门宏)