触发器是构成时序电路必不可少的基本逻辑单元,在数字信号的产生、变换、存储、控制等方面应用广泛。触发器的最重要的特点是具有记忆功能,是能够存储一位二进制码的逻辑电路。按结构和工作方式不同,触发器可分为:RS触发器、D触发器、JK触发器、单稳态触发器、施密特触发器等等。
RS触发器(即复位-置位触发器)是最简单的基本触发器,也是构成其他复杂结构触发器的组成部分之一。
一、基本RS触发器
RS触发器的特点是,电路具有两个稳定状态: Q=0、Q-=1及Q=1、Q-=0。R输入端的触发信号只能使触发器处于Q=0的状态; S输入端的触发信号只能使触发器处于Q=1的状态。基本的RS触发器可以由两个或非门构成,也可以由两个与非门构成。
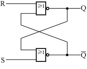
或非门结构的RS触发器逻辑电路如图1所示,它由两个2输入端或非门交叉连接而成。电路具有两个输入端:置“0”输入端R、置“1”输入端S,“1”信号(高电平)触发有效。电路具有两个输出端:输出端Q和反相输出端Q-,正常工作状态下,Q端与Q-端的输出状态互为反相,Q端的状态代表触发器的状态。图2所示为或非门结构RS触发器的逻辑符号。

(1)当R=0、S=0时,因为对于或非门结构的RS触发器而言,“0”信号(低电平)是无效触发信号,所以触发器状态保持不变。
(2)当R=1、S=0时,加在R输入端的有效触发信号“1”使触发器置“0”,输出端Q=0、Q-=1。在R端的触发信号“1”消失后,触发器输出端仍然保持Q=0、Q-=1的状态,这就是RS触发器的记忆功能。
(3)当R=0、S=1时,加在S输入端的有效触发信号“1”使触发器置“1”,输出端Q=1、Q-=0。在S端的触发信号“1”消失后,触发器输出端仍然保持Q=1、Q-=0的状态。
(4)当R=1、S=1时,两个或非门输出端都为“0”,即Q=0、Q-=0,但这是一个不稳定的状态,触发信号消失后触发器的输出状态不能确定。因此在RS触发器的使用中应予避免。
表1为或非门结构RS触发器的真值表。

与非门结构RS触发器的逻辑电路如图3所示,由两个2输入端与非门交叉连接而成。电路具有两个输入端:置“0”输入端R-、置“1”输入端S
,“0”信号(低电平)触发有效。电路具有两个输出端:输出端Q和反相输出端Q-,正常工作状态下,Q端与Q-端的输出状态互为反相,Q端的状态代表触发器的状态。图4所示为与非门结构RS触发器的逻辑符号。

(1)当R=1、S=1时,因为对于与非门结构的RS触发器而言,“1”信号(高电平)是无效触发信号,所以触发器状态保持不变。
(2)当R=0、S=1时,加在R输入端的有效触发信号“0”使触发器置“0”,输出端Q=0、Q-=1 。
(3)当R=1、S=0时,加在S输入端的有效触发信号“0”使触发器置“1”,输出端Q=1、Q-=0 。
(4)当R=0、S=0时,两个与非门输出端都为“1”,即Q=1、Q-=1, 但触发信号消失后触发器的输出状态不能确定。
表2为与非门结构RS触发器的真值表。

二、RS触发器应用实例——触摸延时开关
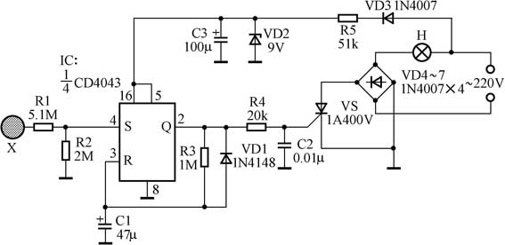
RS触发器常用于单脉冲产生、状态控制等电路中,例如构成消抖开关、触摸开关等等。图5是RS触发器构成的触摸延时开关电路。该触摸延时开关可应用于楼道、走廊等公共部位的照明灯节电控制,路人用手触摸一下开关,照明灯即点亮数十秒后自动熄灭。
触摸延时开关的控制核心是RS触发器,如图5所示,IC为或非门结构RS触发器,在这里接成单稳态工作模式。X为金属触摸接点。R3、C1构成阻容延时电路。晶闸管VS、整流桥VD4~ VD7等构成执行电路,在RS触发器输出信号的作用下控制照明灯H的亮与灭。
当人体接触到金属触摸接点X时,人体感应电压经R1加至触发器的S端(置“1”输入端),其中的正脉冲使触发器置“1”,输出端Q=1(高电平),通过R4使晶闸管VS导通,照明灯H点亮。同时,输出端Q的高电平经R3向C1充电,C1上电压逐步上升,当C1上电压达到R输入端的阈值(即R=1)时,触发器被置“0”,输出端Q=0,晶闸管VS关断,照明灯H熄灭。RS触发器各点工作波形如图6所示。照明灯H点亮的时间t\(_{W}\)由延时电路R3与C1的取值决定,t\(_{W}\)= 0.69·R3·C1,图5电路中延时时间约为32秒。二极管VD1的作用是当延时结束Q = 0时,将C1上的电荷迅速放掉,为下一次触发做好准备。R1为隔离电阻,以保证触摸接点的安全性。
二极管整流桥VD4~VD7的作用是,无论交流220V电源的火线与零线怎样接入电路,都能保证控制电路正常工作。
整流二极管VD3、降压电阻R5、滤波电容C3和稳压二极管VD2组成电源电路,将交流220V市电直接整流为 +9V电源供控制电路工作。
2.制作要点
(1)元器件选用。IC选用CMOS型RS触发器集成电路CD4043 ,每块CD4043集成电路中包含有4个具有三态输出功能的RS触发器,本电路中只使用了其中一个RS触发器。对于其他三个闲置不用的触发器的R、S输入端在实际制作中可将其接地,以防损坏。CD4043的第5脚是输出许可控制端(EN),在这里应接正电源。第16脚是正电源输入端,第8脚是接地端。
VS选用1A/400V的单向晶闸管,可控制100W以下的照明灯。如欲控制更大功率的照明灯,应采用更大工作电流的晶闸管VS和整流二极管VD4~ VD7 。
金属触摸接点X可用任何金属物体制作或代用,安装于机壳表面即可。
(2)调试。如需要改变照明灯H点亮的延时时间,可以通过改变R3或C1的大小来实现,增大R3或C1则延时时间加长,减小R3或C1则延时时间缩短。
为简化电路和结构,本电路与交流220V市电之间没有隔离变压器,因此整个电路必须置于绝缘外壳内,制作和调试中严防触电!金属触摸接点与电路之间有5.1MΩ的隔离电阻(R1),所以是安全的。
(文/门宏)


