本文介绍的双管调频无线话筒具有工作稳定、声音清晰、简单易制、功耗较小的特点。发射半径大于20m,使用一节5号电池,能连续工作较长时间。
一、电路工作原理
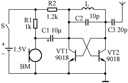
双管调频无线话筒整机电路如图1所示,虽然电路十分简洁,仅用了10个元器件,但仍包括了音频电路和高频电路两部分。

1.音频接收放大电路。
由驻极体话筒BM、负载电阻R1和耦合电容C1等组成,其功能是拾取声音转换为电信号并进行音频放大。驻极体话筒内部有一个场效应管作信号放大,因此拾音灵敏度较高,输出音频信号较大。声音信号引起的驻极体话筒内部场效应管漏极电流的变化,通过负载电阻R1得到相应的电压信号,经耦合电容C1输出至高频振荡电路。
2.高频振荡调制电路。
由晶体管VT1和VT2、电阻R2、电感L、电容C2和C3等组成,其功能是产生高频载波并进行调制发射。L与C2构成LC谐振回路,该回路具有选频作用。两个晶体管VT1、VT2的集电极与基极互相交叉连接,并与L、C2选频回路组成高频振荡器。经C1耦合过来的音频信号加在VT1集电极(也就是VT2基极),对高频振荡信号进行频率调制,调制后的调频信号经C3耦合至天线辐射出去。发射频率取决于LC谐振回路谐振频率,调节L或C2的大小即可改变发射频率。
二、元器件选择与自制
选频回路中的电感L需自行绕制,如图2所示,用直径0.5mm的漆包线,在直径5mm左右的骨架上绕制5圈,抽去骨架成为空心线圈,并适当拉长即可。

晶体管VT1、VT2选用S9018或其他fT≥ 700 MHz的NPN型超高频管。C2、C3选用高频瓷介电容器。其他元器件无特殊要求。
三、制作
可按以下步骤进行制作:
2.安装元器件。
各元器件在电路板上的位置如图3所标示。按图将除驻极体话筒外的各元器件焊入电路板铜箔面的相应位置。安装焊接时,应注意控制元器件的高度,晶体管引脚可剪短,阻容元件采用卧式安装,元器件在电路板上的安装高度不应超过10mm。
3、安装驻极体话筒。
驻极体话筒如图4所示,上面有防尘网的一面是受话面。话筒底部有两个接点: 与金属外壳相连的是负接点,使用中应接地或接电源; 四周悬空的是正接点,接信号端。制作时,用两截直径1.5mm、长10 mm左右的粗铜丝,焊牢在话筒底部的两个接点上(见图4b),既是引线,又作支架。然后将其焊入电路板左端相应位置,话筒的受话面应指向左端,并与电路板平面平行,如图5左侧所示。

4.安装天线。
本机采用一截40~50cm长的软导线作为天线,将软导线的一端焊入电路板右端相应位置,并在靠近电路板处打一个结(电路板装入机壳后可防止天线被拉脱),另一端悬空,如图5右侧所示。

5.制作机壳。
双管调频无线话筒的外壳可用一只长方形塑料小电筒改制,如图6所示,将塑料小电筒外壳内下面一半的电池弹簧和小电珠除去,保留上面一半的电池弹簧和开关。在小电筒头部原小电珠发光的开口处,粘上一片塑料片,并在其上钻一个受话孔。在小电筒尾部钻一个小孔作为天线引出孔。
四、调试
调频无线话筒组装完成后,必须经过调试才能正常使用。调试分两步进行:
1.首先检测电路是否起振。
调试时,如图7所示,将万用表置“直流10V”挡,去测量电阻R2上的压降,这时,如用一短路线将振荡线圈L短路,万用表表针应有明显摆动,说明电路已起振。如电路不起振,应检查:电路板有否虚焊,两晶体管放大倍数是否一致,C2等元件是否完好等等,必要时可适当调节R2的阻值大小使电路起振。
2.调整发射频率。
如图8所示,用一调频收音机接收无线话筒的信号,通过调节振荡线圈L的匝间距离,使发射频率落在88~108 MHz的调频波段内。如欲提高发射频率,应增大L的匝间距离;如欲降低发射频率,应缩小L的匝间距离。应注意使调频收音机能在无广播电台处接收到无线话筒的信号,这样可以避开广播电台的干扰。
3.调节驻极体话筒工作电流。
边对着无线话筒讲话,边适当调节R1的阻值,使调频收音机接收到的声音清晰度最好。
调频无线话筒调整完毕后,将电路板放入外壳内的下部,电路板上的驻极体话筒正对着外壳头部的受话孔,天线则从外壳尾部的小孔中穿出。用导线将电池弹簧和开关接入电路板。在外壳内上部装入一节5号电池,盖上外壳盖,这个调频无线话筒便制作完成可以实用了。整机结构如图9所示。
(文/门宏)
