光控变色蠕虫是一个非常有趣的电子玩具。用手电筒照射它的左眼时,它便会变色,由红色逐渐变为橙色,又逐渐变为黄色,再逐渐变为绿色,然后再逐渐变回红色,如此循环。当你用手电筒照射它的右眼时,它便会停止变色。
一、电路工作原理
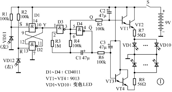
光控变色蠕虫电路如图1所示,电路由以下6个部分组成:光电二极管VD11、VD12分别构成的光控A和光控B电路;与非门D1、D2构成的RS触发器;与非门D3、D4构成的门控多谐振荡器;R5和C2、R6和C3分别构成的积分A和积分B电路;晶体管VT1和VT2、VT3和VT4分别构成的两个达林顿复合管射极跟随器;10个变色发光二极管VD1 ~ VD10构成的显示电路。

整个电路的工作原理可用图2所示方框图说明。当有光照射到光控电路A时,RS触发器被置“1”,门控多谐振荡器起振,积分电路A和B输出互为反向变化的电压,使变色发光二极管周期性变色。当有光照射到光控电路B时,RS触发器被置“0”,门控多谐振荡器停振,变色发光二极管停止变色。

1.光控RS触发器。
两个与非门D1、D2交叉连接成RS触发器,其置“1”输入端和置“0”输入端R-分别接有光电二极管VD11、VD12,成为光控RS触发器。当有光照射到光电二极管VD11时,VD11导通,S-= 0,使RS触发器被置“1”,其输出端Y= 1 。当有光照射到光电二极管VD12时,VD12导通, R=-0,使RS触发器被置“0”,其输出端Y= 0 。光控RS触发器的作用是接收光信号,并控制门控多谐振荡器的工作状态。
2.门控多谐振荡器。
与非门D3、D4构成门控多谐振荡器,D3的一个输入端(脚)为控制端,接光控RS触发器的输出端Y 。当Y = 1时振荡器起振,其两个输出端Q和Q-分别输出互为反相的方波信号,方波信号的脉宽约为10s。当Y = 0时振荡器停振。门控多谐振荡器的作用是将光控信号转换为变色控制方波信号。
3.变色原理。
变色发光二极管实际上是将红、绿两个发光二极管的管芯封装在一起,因此变色发光二极管具有3个管脚:红色管芯正极R、绿色管芯正极G、公共负极C 。当红色管芯有足够电流I\(_{R}\)流过时,变色发光二极管发红光。当绿色管芯有足够电流I\(_{G}\)流过时,变色发光二极管发绿光。当两个管芯都有足够电流流过,且I\(_{R}\)=I\(_{G}\)时,变色发光二极管发橙光。当I\(_{R}\)≠I\(_{G}\)时,变色发光二极管发光的颜色介于红色与橙色、或橙色与绿色之间。如图3所示。

门控多谐振荡器的两个互为反相的输出端Q和Q-,分别接积分电路A(R5、C2)和积分电路B(R6、C3)。当Q=1、Q-=0时,A积分电路输出端A点电压逐步上升,B积分电路输出端B点电压逐步下降。当Q=0、Q-=1时,A点电压逐步下降,B点电压逐步上升。A、B两点电压呈反方向变化,波形如图4所示。
将两个积分电路的输出端A和B,分别经射极跟随器A(VT1、VT2)和射极跟随器B(VT3、VT4)、限流电阻R7、R8后,接入变色发光二极管的R、G端。设初始状态为I\(_{R}\)=0、I\(_{G}\)=1,变色发光二极管发绿光。随着时间的推移,I\(_{R}\)逐渐增大、 I\(_{G}\)逐渐减小,光色由绿向橙逐渐变化。当I\(_{R}\)=I\(_{G}\)时,发橙光。随着I\(_{R}\)继续增大、 I\(_{G}\)继续减小,光色由橙向红逐渐变化,当I\(_{R}\)=1、I\(_{G}\)=0时,发红光。接着,I\(_{R}\)逐渐减小、 I\(_{G}\)逐渐增大,光色由红向橙进而向绿逐渐变化。如此周而复始,实现了“红……橙……绿……橙……红……”的光色变化。
二、元器件选择
与非门D1~D4采用一块CMOS数字集成电路CD4011,其内部含有4个独立的与非门。VT1~VT4采用9013 ,或其它I\(_{CM}\)≥400 mA、P\(_{CM}\)≥500 mW的NPN型晶体管。VD1~VD10采用三引脚变色发光二极管。VD11、VD12采用光电二极管,也可使用光电三极管。电源采用9V层叠电池。
三、制作与调试方法
1.制作电路板。
所有元器件均安装在一块窄而长的印制电路板上。图5为电路板图。按图5用单面敷铜板制做这块印制电路板,在元器件安装处钻好直径1mm左右的安装孔。
2.元器件的安装位置。
集成电路CD4011、晶体管VT1~VT4以及阻容元件等安装在电路板的元件面。光电二极管VD11~VD12、变色发光二极管VD1~VD10、电源开关S等安装在电路板的铜箔面。
3.安装光电二极管。
光电二极管安装焊接之前,应将其管体向一侧折弯45°,如图6(a)所示。因为两个光电二极管代表光控变色蠕虫的两只眼睛,因此安装在电路板上时,两个光电二极管应分别朝向左右两边,如图6(b)所示。这样,当用手电筒从左边照射时,只会照到左边的光电二极管;从右边照射时,只会照到右边的光电二极管。光电二极管直接焊牢在电路板的铜箔面。
10个变色发光二极管纵向排成一排,直接焊牢在电路板的铜箔面中间,如图7所示。电源开关S采用钮子开关,也直接焊牢在电路板尾部的铜箔面上,并将其向后倾斜一定角度,如图7右图所示。
5.电路板调试。
电路安装焊接完毕,检查无误后,即可接通电源进行调试,主要是调整光控灵敏度。方法是:万用表置10V直流电压挡,红表笔接光电二极管VD11负极,黑表笔接地,测量VD11上的电压。用手电筒照射VD11,调整R1,使万用表指示为0V;熄灭手电筒,万用表指示应为9V,如图8所示。调整R1时应兼顾有光和无光两种情况。按同样方法调整R2使VD12两端电压符合要求。
6.制作外壳。
用花绒布(或其他材料)为光控变色蠕虫自制一个外壳,在其背部开好以下孔:头部左右各一个光电二极管孔,中间纵向一排10个变色发光二极管孔,尾部一个电源开关安装孔。在外壳底部装上一条拉链。
7.总装。
电路板、电池等在外壳中的安装情况如图9(a)所示。两个光电二极管从头部两侧伸出,代表光控变色蠕虫的两只眼睛(图9(b))。电源开关的拨柄从尾部伸出,可看作是小尾巴。10个变色发光二极管从背部的相应孔中露出。用腈纶棉等软质填充物将外壳中的空隙填满。至此,有趣的光控变色蠕虫便制作完成了。玩的时候,如果是在晚上或环境光线较暗的情况下,效果会更好。
(门宏)

