利用CMOS数字集成电路制作收音机,具有电路新颖、灵敏度高、耗电极少、体积小、重量轻的突出优点。本文介绍的这台简易CMOS收音机,接收范围为中波550 ~ 1600 kHz ,使用一枚3V钮扣电池做电源,用普通8Ω耳塞机收听,声音清晰响亮。
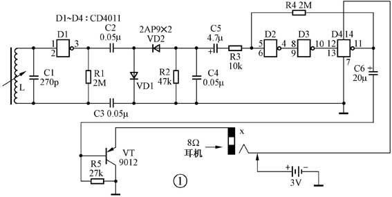
图1为简易CMOS收音机的电路图。电路中使用了4个CMOS非门,分别用作高频放大和音频放大。采用耳塞机插座兼作电源开关,耳塞机插头插入时电源接通,拔出时切断电源,既方便使用,又简化了电路机构,缩小了整机体积。
电路工作原理如图2方框图所示。广播电台信号由L、C1组成的调谐回路选择接收后,由非门D1进行高频放大,然后由二极管VD1、VD2等组成的倍压检波电路进行检波,检波出的音频信号送入非门D2、D3、D4组成的音频放大器放大,再经晶体管VT电流放大后,推动耳塞机发声。

1.CMOS模拟放大电路。给CMOS门电路加上适当的偏置电压,可使其工作于线性放大状态。如图3所示,在非门的输出端与输入端之间并接一个反馈电阻Rf ,将非门的工作点偏置于转移特性曲线的中间,即构成了一个线性模拟放大器,放大倍数等于反馈电阻Rf 与输入电阻Ri 之比。

2.调感式调谐回路。与一般收音机不同的是,L与C1组成的调谐回路采用调感方式,即调谐电容C1容量固定,通过改变磁性天线L的电感量来选择电台。电感量增大,接收频率f下降;电感量减小,接收频率f上升。采用调感方式,可以进一步简化结构、缩小体积。
3.倍压检波电路。为进一步提高接收效果,采用了由检波二极管VD1、VD2及C2、R2等组成的倍压检波电路。当信号电压u\(_{i}\)正半周时,u\(_{i}\)经VD1对C2充电,C2上电压为左正右负;当u\(_{i}\)为负半周时,u\(_{i}\)与C2上电压串联后流经VD2、R2,检波负载R2上即可得到约2倍于u\(_{i}\)的输出电压,如图4所示。C4的作用是滤除检波输出信号中的高频成分,得到音频信号。

4.电流放大器。由于CMOS电路输出电流很小,为使收音机有足够的音量,电路中由晶体管VT构成一级电流放大器。实质上这是一个射极跟随器,可将CMOS电路的输出电流放大β倍,以推动普通8Ω耳塞。R5是VT的偏置电阻。
D1 ~ D4采用一块CMOS与非门集成电路CD4011,其中包含4个互相独立的2输入端与非门,将各个与非门的两个输入端并接在一起作非门使用。
磁性天线L需自己绕制。选取一直径5mm、长30mm左右的小磁棒,用牛皮纸等材料做一个线圈骨架,用直径0.2 mm的高强度漆包线在线圈骨架上平绕100圈左右(准确圈数待调试时再确定)。绕好后的天线线圈应可在磁棒上来回移动。
由于耳机插座兼做电源开关,因此要对购买来的耳机插座进行改造。原插座下面的两个接点是常闭型,应将其改造成为常开型,插头插入后两点闭合,如图5所示。
三、制作步骤与调试方法
1.制作印制电路板。按图6所示,用35mm×80mm的单面敷铜板制成电路板,钻好相应的安装孔。集成电路CD4011的引脚安装孔位置要准确,否则易造成安装困难。
2.制作电池卡子。固定钮扣电池的电池卡子需自制,用具有良好弹性的薄铜皮,按图7所示形状剪制成正极弹性卡子和负极接点,并将它们安装焊接到电路板的相应位置上。完成后的电池卡子,应能正好将一枚钮扣电池紧紧卡住。
3.焊装元器件。对照电路图和电路板图,将集成电路、晶体管、电阻、电容、耳机插座等焊入电路板。
4.安装磁性天线。如图8所示,将天线线圈用玻璃胶粘牢在机壳上的调台钮下面。将磁棒的一端用玻璃胶粘牢在电路板上,磁棒应离开电路板数毫米距离,并且磁棒的另一端应悬空,以便天线线圈可以在磁棒上灵活地来回移动。
5.调试。将一枚3V钮扣电池推入电池卡子当中,将耳塞机插头插入耳机插座中,电源即接通了。第一步,调整射极跟随器工作点:任意接收一个电台,调节R5,使声音清晰响亮。第二步,调整频率覆盖:接收一个已知频率的电台,增减天线线圈L的圈数,使调台钮上的指示对准相应刻度即可。至此,简易CMOS收音机便制作完成了。
(门宏)

