智力竞赛活动和游戏通常都要用到抢答器。本文向大家介绍一种积木式抢答器,它可以根据参与者的数量,象搭积木一样,将任意多个分机组合起来,以适应活动规模的需要。
一、 电路结构与工作原理
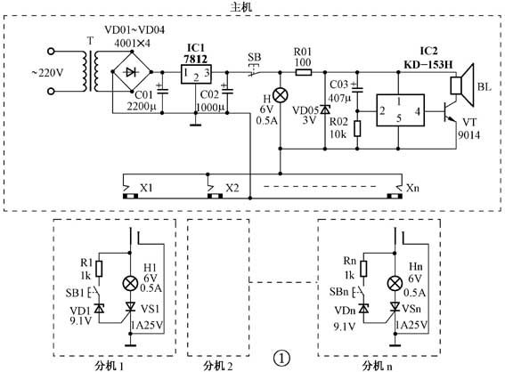
积木式抢答器由主机和分机组成,主机可以连接任意多个分机,而且只需将这些分机简单地并联在一起,使用极为方便。图1为积木式抢答器电路图。主机电路见图1上半部分,它包括:① 由电源变压器T、整流二极管VD01~VD04、集成稳压器IC1等构成电源电路,为整机提供工作电源。② 主控复位按钮SB、主指示灯H等构成的主控电路,由活动主持人控制。③ 声效集成电路IC2、晶体管VT、扬声器BL等构成提示音电路,产生并发出提示音。分机电路见图1下半部分,它由抢答按钮SB1、晶闸管VS1、分机指示灯H1等构成。由活动参与者控制。可以有若干个分机,每个分机电路都相同,各分机通过接插件X1~Xn与主机相连接。图2为整机方框图。


1. 抢答控制电路。由主机的主控电路与各分机电路组成,用以实现抢答功能。H为主指示灯,H1~Hn为各分机指示灯;SB为主控复位按钮,SB1~SBn为各分机抢答按钮。抢答器工作原理用图3说明(虚线框内为分机电路,图中示出了两路)如下:

各抢答按钮均未按下时,电路中无电流,A点电位等于电源电压+12V。
设分机1的抢答按钮SB1被抢先按下,则A点的+12V电压经R1击穿VD1(9.1稳压管),触发晶闸管VS1导通,主指示灯H和分机1指示灯H1点亮,A点电位迅速降至H与H1的分压值+6V。这时如果其他各分机再按下抢答按钮,例如:分机2的抢答按钮SB2被按下,由于A点电位(+6V)低于稳压管VD2的稳压值(+9.1V),不能击穿VD2去触发晶闸管VS2,所以电路无响应。
当主持人按下主控复位按钮SB(常闭按钮)时,电路被切断,H和H1熄灭,同时晶闸管VS1截止。主持人松开SB后,由于VS1已截止,H和H1仍不会亮,直至抢答按钮再次被按下。
2. 提示音电路。IC2采用了“叮咚”门铃集成电路KD-153H,触发一次可发出三声“叮咚”音。C03、R02构成触发微分电路,VT为功放晶体管。IC2的工作电源取自主指示灯H上的压降。R01为降压电阻,VD05为稳压二极管。各抢答按钮均未按下时,H不亮,H上压降为0,IC2不工作。当有抢答按钮按下,H点亮时,H上的6V压降经R01降压、VD05稳压为3V作为IC2的工作电源。同时,经微分电路C03、R02产生一正脉冲去触发IC2工作,经功放管VT驱动扬声器BL发出三声“叮咚”的提示声音。
3. 电源电路。交流220V市电由电源变压器T降压后,经整流二极管VD01~VD04桥式整流、电容C01、C02滤波、三端集成稳压器IC1稳压后,输出+12V直流电压供整机工作使用。
二、 元器件选择
集成电路IC1选用三端集成稳压器7812。IC2选用“叮咚”门铃集成电路KD-153H,为小印板软封装,如图4所示,引出端“1”接+3V电源、“2”为触发端、“4”为输出端、“5”接地。
VT选用9014或其他I\(_{CM}\)≥100mA、P\(_{CM}\)≥400mW的NPN型晶体管。VS1~VSn选用1A、25V以上的单向晶闸管。VD01~VD04选用4001型整流二极管,VD05为3V稳压二极管,VD1~VDn为9.1V稳压二极管。
指示灯H、H1~Hn选用6V、0.5V的小电珠。T选用次级电压为12~15V、10W左右的电源变压器。主控复位按钮SB选用常闭式轻触按钮,抢答按钮SB1~SBn选用常开式轻触按钮。接插件X1~Xn选用二芯同轴插头与插座。
三、 制作步骤
1. 主机制作,可按以下步骤进行:
(1) 主机电路板如图5所示,由于电路比较简单,因此可用刀刻法按图刻制而成。元器件直接焊接在铜箔面,无需在电路板上打孔,使制作更加简便。
(2) 按照电路图将各元器件直接焊牢在电路板铜箔面。用四小截裸铜线将KD-153H小印板(IC2)搭焊到主机电路板的相应位置上。
(3) 选取一个适当大小的塑料盒作为主机机壳。将主指示灯H和复位按钮SB固定在上盖上,将扬声器BL固定在上盖内。电源变压器T和主机电路板固定在机壳中。若干个分机插座X1~Xn固定在后侧面,如图6所示。
(4) 将各元器件之间用绝缘导线连接好,电源线由机壳左侧的孔中引出,盖上上盖,主机便制做完成。图7为抢答器主机外形。

2. 分机制作步骤如下:
(1) 分机电路板如图8所示,也用刀刻法制成。各元器件直接焊牢在电路板的铜箔面,电路板上无需钻孔。电路板的数量应根据所需要的分机的数量而定,每个分机一块电路板。

(2) 为了美观与醒目,需要为分机指示灯制做一个灯箱。方法如图9所示:从直径100mm左右的塑料管上锯下一截,下面开一个引线孔;其两侧用透明有机玻璃,并描绘上“1、2、3……”的字符。一侧的有机玻璃粘牢在塑料圈上,另一侧的有机玻璃做成活的,可以开启。

(3) 然后用一截长度为100mm左右的细塑料管作为立柱,将指示灯箱竖起粘牢在机壳上。分机指示灯放在灯箱内,其引线穿过立柱焊入电路板,插头引线从左侧孔中引出机壳。图10示出了分机结构。

3. 主机与分机的连接:
主机插座与分机插头的接线应如图11所示,以保证电路正确连接、正常工作。主机上的若干个插座全部并联连接。每个分机独立连接一个插头,插头线长度应根据使用场地的要求决定。
四、 使用方法
积木式抢答器使用时,根据活动需要将若干个分机的插头,不分顺序地插入主机插座即可,如图12所示。主机由活动主持人控制,分机由各参与者控制,每名参与者一个。
当某参与者首先按下自己分机的抢答按钮时,他面前的指示灯即点亮,表示他抢到了发言权;这时其他分机的抢答按钮均无效。与此同时,主机上的指示灯也点亮,并发出三声“叮咚”的提示音,提醒主持人让该参与者发言。
该参与者发言结束后,主持人即可按下主机上的复位按钮,使所有指示灯均熄灭,以开始新的一轮抢答。
(门宏)