微电脑遥控电风扇采用预置程序微电脑专用控制器对电风扇进行智能化控制,既可直接手动控制,又可通过遥控器进行红外遥控,具有技术含量高、送风类型多、控制功能齐全、操作使用方便等特点,适合各种场合使用。本文以Midea微电脑遥控电风扇为例介绍微电脑遥控电风扇的工作原理。
一、结构与功能
Midea微电脑遥控电风扇的扇体下面有一个控制盒,面板上部为照明灯。照明灯下面是两排10个发光二极管,用于指示电风扇工作状态。发光二极管下面是红外遥控信号接收窗口。面板下部是6个控制按钮,用于直接控制电风扇使用。
Midea微电脑遥控电风扇配有一个红外线遥控器。遥控器上有6个控制按钮,用于遥控电风扇使用。遥控器上的控制按钮与电风扇控制面板上的控制按钮一一对应,功能完全相同。
二、电路工作原理
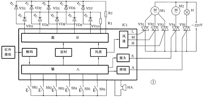
Midea微电脑遥控电风扇电路原理如图1所示。IC1为电风扇专用微电脑控制器,由风速控制、风类控制、摇头控制、照明控制、定时控制以及输入电路、解码电路和指示电路等单元组成。IC1内部预置了控制程序。M1为电风扇主电机,VS1、VS2、VS3分别为主电机的低速、中速、高速控制晶闸管。M2为摇头电机,VS4为控制晶闸管。H为照明灯,VS5为控制晶闸管。SB1~SB6分别为“定时”、“开/风速”、“风类”、“摇头”、“照明”、“关”控制按钮。发光二极管VD1~VD4为定时指示;VD5~VD7为风速指示;VD8~VD10为风类指示。HA为蜂鸣器,发出按键输入提示音。红外接收电路用于接收红外遥控指令。

控制电路电路板如图2、图3所示,IC1为小印板软封装,插入在大电路板上,其下面一圆形物为蜂鸣器。图3中间为6个轻触按钮,轻触按钮上面是红外接收管。图3右边为5个晶闸管,其下面有一保险丝管。


遥控器电路原理如图4所示,IC2为遥控编码集成电路,VT2为驱动晶体管,VD11为红外发射二极管,SB1~SB6为与控制面板上相对应的6个控制按钮。图5为遥控器电路板图。IC2为软封装,直接封装在电路板上,见图5中部。电路板上部为红外发射二极管,其左下方为驱动晶体管。电路工作过程如下:
1.当按动SB2( 开/风速 键)时,风速控制指令进入IC1,内部程序首先使晶闸管VS2导通,电风扇以中速启动,这主要是为了增加启动力矩保证顺利启动。启动后,内部程序使VS1导通而VS2截止,电风扇自动转入弱风挡运行。反复按动SB2,则风速按弱→中→强→弱……的顺序循环改变。同时指示电路控制面板上的3个发光二极管指示出电风扇的实际运行风速。
2.当按动SB3(风类键)时,风类控制指令进入IC1,内部程序使电风扇按指定的风类运转。反复按动SB3,则风类按照常风→自然风→睡眠风→常风……的顺序循环改变。每种风类又都有弱、中、强三种。实际运行状况由控制面板上的3个风类指示发光二极管和3个风速指示发光二极管组合指示。
3.当按动SB1( 定时 键)时,可开启定时功能并选择所需要的定时时间。反复按动SB1,则设定的定时时间在0 ~ 7.5小时之间以0.5小时为增幅变化(0即为不定时)。定时时间由控制面板上的4个发光二极管指示,点亮的发光二极管所代表的小时数的和即为设定的定时时间。在定时运行过程中,这4个发光二极管则以0.5小时为间隔指示剩余时间。
4.当按动SB4( 摇头 键)时,摇头控制指令进入IC1,内部程序使晶闸管VS4导通,摇头电机转动,使电风扇作90°摇头送风。再按一下SB4,内部程序使VS4截止,电风扇停止摇头。通过控制SB4,可使电风扇停留在某一个需要的送风角度上。
5.当按动SB5( 照明 键)时,照明控制指令进入IC1,内部程序使晶闸管VS5导通,照明灯点亮。再按一下SB5,内部程序使VS5截止,照明灯熄灭。
6.当按动SB6( 关 键)时,关机控制指令进入IC1,内部程序使电风扇停止运转。
7.当使用遥控器时,根据需要按动遥控器上的按钮,该指令经IC2编码后,通过VT2驱动VD11发射出红外控制信号。电风扇控制电路中的红外接收电路接收该控制信号后,送入IC1内解码电路解码出控制指令,使其他电路完成相应的操作动作。
三、常见故障的检修
下面介绍常见故障的检修方法。
1.电风扇转速很慢且电机严重发热。造成此故障的主要原因是:①主电机启动电容器容量严重下降或漏电;②主电机线包有局部短路。
2.定时控制失灵。如果按动 定时 键不能设定定时时间,则是轻触按钮SB1损坏;如果定时时间严重不准,或定时时间已到而电风扇仍不停,则是IC1不良。
3.电风扇关不掉。如果按动 关 键不能关掉电风扇,则是轻触按钮SB6损坏或者晶闸管VS1~VS3中有的已被击穿。
4.遥控失灵。如果遥控器整个不起作用,而电风扇控制面板上各按钮均正常,说明是遥控电路故障,此时需要检查遥控器红外发射管VD11、驱动晶体管VT2(见图5电路板上端)、遥控器集成电路IC2是否损坏。若以上部分均无异常,则要检查电风扇控制面板上的红外接收管是否损坏或接收解码电路故障。如果仅是遥控器上的某一按键的功能失灵,则最大可能是该按键下面的导电橡胶与其对应的电路板上的接点之间接触不良。
(门宏)