低电压、超微功耗比较器TLV3491
TLV3491是一种工作电压低、超微功耗的电压比较器。主要特点是:工作电压1.8~5.5V;工作电流典型值0.8μA;输入共模电压可超过电源电压范围200mV;速度高,典型值为6μs;输出级为CMOS推挽结构,无需外接上拉电阻;有单比较器(SOT23-5封装)及双比较器(SOT23-8封装);工作温度范围-40℃~+125℃。
该比较器主要应用于便携式医疗仪器、无线警戒系统、遥控系统、手持式仪器及超低功耗系统等。
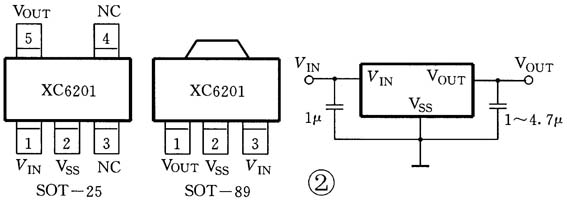
5管脚(单比较器)及8管脚(双比较器)的管脚排列如图1所示。
低功耗、低压差线性稳压器XC6201系列
XC6201系列低功耗、低压差线性稳压器的特点是:输入电压最大值为10V;输出电压从1.7~6.0V,每相隔0.1V有一个品种,供用户选择;输出最大电流可达250mA;低功耗,工作电流典型值2μA;低压差,输出100mA时典型值为0.16V,200mA输出时为0.4V;输出电压精度±2%;内部有输出电流限制电路;输入、输出电容可采用钽电解电容或多层陶瓷电容;小尺寸SOT-25(150mW)及SOT-89(500mW)封装;工作温度-40℃~+85℃。
该器件组成的稳压电源是最简单的三端电源,占用印制板的面积小,主要应用于移动电话、无绳电话、数码相机、视频录像机、便携式AV设备、基准电压源及电池供电的电子设备等。
两种不同的封装其功耗也不同,用户可根据输入电压及输出电流大小来选择。器件的管脚排列与应用电路如图2所示。

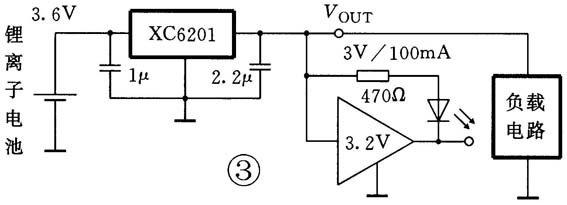
输入电压VIN应选择大于输出电压0.2~0.5V。例如采用锂离子电池供电,输出电压3V,输出最大电流100mA。当电池电压降到3.2V时应终止放电,可以采用一个电压检测器(检测电压为3.2V)组成终止放电指示器。当输入电压低于3.2V时,输出端输出低电平,LED亮,表示电池应充电,此输出的低电平信号也可输入μC。该电路如图3所示。电压检测器在LED不亮时耗电仅1μA,功耗极小。
立体声耳机功放TS486/487
TS486/487是一种带关闭控制的立体声耳机功率放大器。TS486与TS487的差别仅仅是关闭控制的电平不同:前者低电平有效而后者高电平有效,用户可根据需要选择。
该器件主要特点是:工作电压范围2~5.5V;有固定增益(有三种:0dB、6dB及12dB,分别用后缀1、2、4表示)及外设两个电阻来设定增益的品种;工作电流低,最大工作电流2.5mA;信噪比高,在5V供电时为103dB,输出功率与工作电压有关,在THD+N为0.1%,RL=16Ω,VCC=5V时可输出102mW,在VCC=3.3V时可输出38mW;电源变动抑制率为58dB;关闭状态时耗电小于1000nA;两通道交叉串扰83dB;单位增益稳定;有S08、小型S08及3mm×3mmQFN三种封装形 式;工作温度范围-40℃~ +85℃。
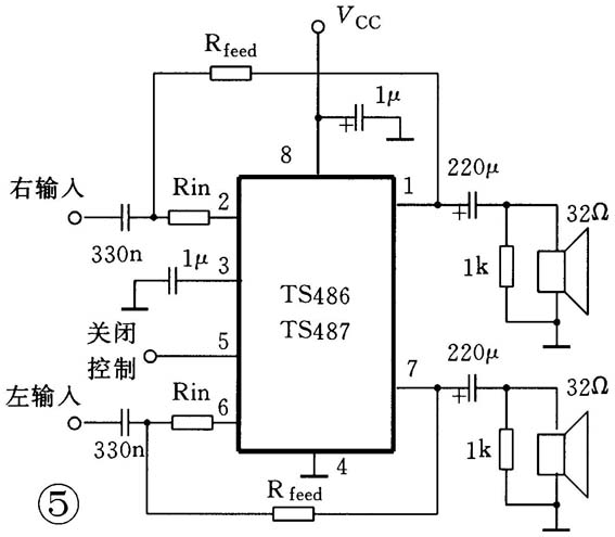
固定增益的功放电路如图4所示,增益由用户设定的功放电路如图5所示,增益AV为:
该功放主要应用于耳机放大器、移动电话、PDA、便携式音频播放机等。
查询网址:www.st.com
编者注:
以上几种元器件详细资料见本期配刊光盘“本期元器件资料”文件夹。



