很多无线电爱好者在做试验时通常会感到大功率的稳压电源比较难找,尤其是在改装汽车音响时若需要将+24V电压降低到12V更是困难。本文介绍一款大功率稳压电源。该稳压器的输出电压可以在+11~+14V之间连续可调,如果需要其他可调范围的电压,则直接选择不同的三端稳压器即可;该稳压器输出电流高达20A,如果需要更大的输出电流,还可以对输出电流进行扩流,最大输出电流为50A,完全能够满足一般情况下的需要。
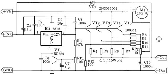
该稳压器稳压调整电路原理图如图1所示。图1中,基准电压电路由三端稳压器IC1(LM7812)提供,三极管VT2~VT5组成电压调整电路,调整RP1的阻值,即可调整VT1的基极偏置电压,从而改变三端稳压器IC1(LM7812)输出端电压,IC1(LM7812)输出端电压加到4个(或者多个,根据需要进行增减)调整管VT2~VT5的基极,调整VT2~VT5的导通程度,进而使输出端得到不同的电压值。R4、R5、R6、R7既是VT2~VT5的发射极限流电阻,又是输出电流取样电阻,接上负载时R4、R5、R6、R7上的压降经过R8、R9、R10、R11、RP2限流、取样后送到100μA电流表,将当前电流值显示出来。

RP2为电流表调零电位器,在空载通电状态,调整RP2的阻值,使电流表指示值为零即可完成调零操作。
VD1为保护二极管,用来防止电源断电后,后级电路中大电解电容中残留的电荷对IC1造成损害,最好采用额定电流值大于2A的二极管,也可以采用两只额定电流值为1A的1N4007并联代换。
VT1除了可以预防因RP1损坏(断路或者接触不良)而造成的输出电压剧增的情况,还与电容C7共同构成延时启动电路,使输出电压在刚开机时缓慢上升到额定值。
整流电路以及基准电压提供电路如图2所示。220V交流电压经过电源变压器T1降压,大功率全桥整流、C1滤波后为电压调整电路供电,如果需要稳压的是汽车中的+24V直流电压,则可以将电瓶的两个接线端子直接接在C1两端。为了防止三端稳压器的输入端电压太高而导致其损坏,故加入了电阻R1、R2对高压直流电进行降压后为三端稳压器供电。

电容C1的容量要根据输出负载电流的大小进行选取。一般情况下,C1=(IL×K×1000)/VOUT(μF),IL为输出负载电流,VOUT为输出电压稳压值,K为电压系数值,在频率为50Hz时K的值通常为7,在频率为60Hz时K的值通常为6。
图1、图2中电阻除了注明功率外的其他电阻均为1/4W普通炭膜电阻。电容均为普通电容。
由于该稳压器的电路比较简单,不用印制板而直接搭焊即可,VT2~VT5也可以根据需要选择其他型号的大功率开关管。需要注意的是VT2~VT5(每一个)的散热片不能小于20mm×30mm×5mm,散热器安装如图3所示。

(赵理科)