可调电阻(或电位器)被广泛运用于各种电子电器设备,它的作用是大家所熟知的,然而因电位器的失效引起的故障却易被人们忽视。电位器相对于固定电阻器,可靠性低很多,主要原因是电位器的滑动触点及固定触点均暴露于空气中且有机械运动,日久或使用条件恶劣将引起触点接触不良或出现断裂(一般不会出现短路)。对于设计者应充分注意到这一点,应不用或少用电位器,这样对整个设备的可靠性及稳定性有利,对必须采用电位器的电路,除选用高可靠性的器件外,应恰当安排,将其损坏后造成的损失降到最小。
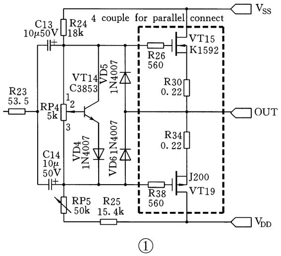
先来看一个例子。图1、2是《无线电》2001年第12期第11页的部分电路。图1中,VT14作为恒压源应用,若RP4的1、2端出现开路,将无法向VT14提供偏流,等效于断开,VT15和VT19呈短路状态,这样将造成其它元件的烧毁;而3端开路时VT14的偏流增大,使这个恒压源固定在1.4V,偏压的减小将使末级偏流减小,造成失真。比较出现故障的两种情况可知,第一种情况应尽量避免,因为它不仅使电路无法工作,还将烧坏元件;第二种情况虽使电路工作不正常,但还可以工作,且不会出现电路元件的损坏。权衡利弊,当然是第二种情况较好。对于图2的接法:电位器1端开路对电路无影响;2端开路将使电阻值增大,稳压值升高;3端开路将使VT11截止,无稳压效果。


用于末级音频功放作偏流使用的恒压源,建议使用图3的接法,即将电位器接于三极管的b、e之间。当电位器任意一端出现故障时,将使这个稳压源输出电压降低,虽然使末级偏流减小,出现交越失真,但不会出现烧机现象。

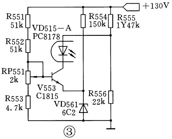
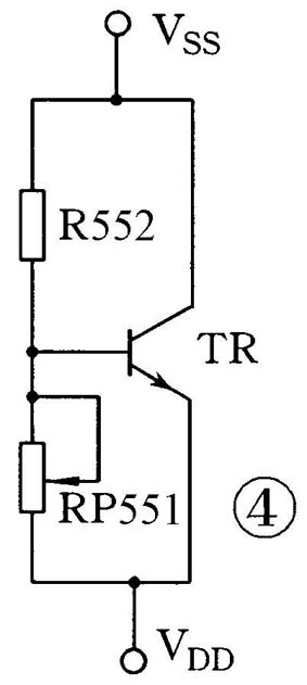
对于在稳压电源中使用电位器作调压使用的场合,也应注意损坏时的电压变动不致于损坏其它电路元件。一般地,输入电压高于额定电压时,容量出现过压、过热而损坏元件,而低于额定电压时则不易使元件损坏(特殊情况除外)。图4是长虹G2132电视机电源稳压的部分电路,当电位器RP551出现故障而断路时,电源的输出电压将由+130V降为7V,后级电路不再工作;假若将RP551与R552对调,RP551出现故障时将使电源电压大幅升高,很容易烧坏行管。比较两种情况,显然它的设计是合理的。

对于信号传输中用的电位器,它不会影响到其它元件的安全,虽然可以随意使用,但也应考虑整机可靠性。应根据具体电路设计合理的接法,也可将电阻与电位器并联使用。
(董体先)