串行电可擦存储器是一种可读写的存储器件(简称存储器或者存储块,英文缩写为EEPROM或者E2PROM),主要用于数据的保存。
目前24C××系列存储器是最为常见的一种存储器,被广泛应用于各种家电(如I2C总线控制彩色电视机)和工业设备的控制系统中,它存储着用于控制整机正常工作的各项数据(比如电视机工作时所必须的几何失真⿶白平衡等相关数据)。然而,它极易受静电影响而损坏,在维修时,必须用原厂提供的已写有数据的存储器来更换(市场上销售的存储器一般都是空白的,内部没有任何数据),而不能用空白存储器更换,否则,会因为存储器中没有相关工作信息使机器不能工作,甚至不能启动。但这种存储器一般维修人员不易得到,当然可以用空白存储器通过编程器来复制,但一般的编程器价格较贵,且操作复杂,给家电维修人员和电子技术爱好者带来很大不便,为此,本人利用单片机技术设计制作了一款简易拷贝器。
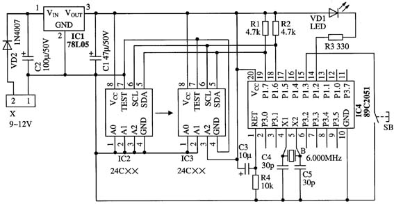
24C××系列存储器为8脚DIP封装(见附图IC2),其中①、②、③脚分别为地址引脚A0、A1、A2。④脚接地,⑤脚为数据线SDA。⑥脚为时钟线SCL,⑦脚为测试端,一般接地,⑧脚为电源VCC。关于24C××系列存储器的详细资料读者可以参考即将出版的《无线电》2003年增刊。

工作原理:
本拷贝器电路原理如附图所示。主控芯片采用单片机AT89C2051,该芯片本身并不具备硬件I2C系统,在本制作中采用纯软件的模拟I2C总线,SDA占用P1.7口线,SCL占用P1.6口线,P1.2用于指示灯LED驱动,P1.3用于启动键输入。C3与R4组成上电复位电路。B与C4、C5组成时钟振荡电路。这样就组成了一个简单的单片机应用系统,IC2、IC3为两个8脚DIP的插座,用于插入两块24C××,其中IC2插源存储器(来自一台正常的机器),IC3插目标存储器(空白),源存储器的A2接地,目标存储器的A2接VCC,这样IC2的初始器件地址为A0,IC3的初始器件地为A8。从插座X接入的9~12V直流电压,经三端稳压器IC1(78L05)稳压后给整个电路提供5V电压,二极管D2用于防止外接电源极性接反造成电路损坏。C1、C2用于滤波,SB为启动按键。本设计的详细软件框图见本期配刊光盘“本期图片”文件夹,源程序见本期配刊光盘“本期程序”文件夹或者从本刊网站下载。
制作方法:
本制作的电路较简单,可直接在实验印制板上搭焊。电阻均为1/8W普通电阻。其他各元件按图标参数即可。主控芯片89C2051为市售产品,通过编程器把汇编程序(见本期配刊光盘)烧入即可。该汇编程序为二进制格式文件,只能用于烧写,如要阅读,需单片机编译软件。
使用方法:
在IC2、IC3上分别插入源存储器和目标存储器,接通电源,LED将低速闪烁表示已准备好,然后按动启动键SB一次,LED常亮,表示正在拷贝。稍等20s左右,LED又恢复闪烁,表示已拷贝完成,去掉电源,拔下存储器即可,此时,两个存储器中的内容将完全一致。
注意事项:
因24C16以上的存储器读写格式与24C08以下的存储器不同,故本仪器仅适用于24C08/04/02/01系列存储器。
编者注:
24C××系列存储器的⑦脚是测试/写保护控制端,当该脚接上写保护控制电压时,存储器拒绝写入任何新的信息而只能读取以前存储的数据信息,反之,当该脚不接控制电压时,既可以读取原先存储的数据信息,也可以写入新的数据信息。不同厂家生产的24C××系列存储器的⑦脚保护电压是不同的。AT、ST、BR公司生产的该系列存储器,其⑦脚必须接地(低电平),才能写入新的数据(取消写保护);而KOR、KS公司生产的24C××系列存储器的⑦脚必须通过上拉电阻与+5V电源相连,才能写入新的数据(取消写保护)。
因此,当24C××系列存储器损坏需要更换时,要特别注意原机中⑦脚的接法。若为接地,则可以用AT、ST、BR公司生产的24C××系列存储器代换。若是通过一个上拉电阻与+5V电源相连,并通过一个小容量电容接地时,则要用KOR、KS公司生产的24C××系列存储器直接代换。若用其他公司的代换,则要根据需要改变⑦脚的电平。
(姚世元)