CD4017以其优越的性能“大行其道”,各种应用数不胜数,本人因喜欢美丽的彩灯,故想对CD4017的性能作一个应用的分析。
一、用一个CD4017制成的彩灯电路
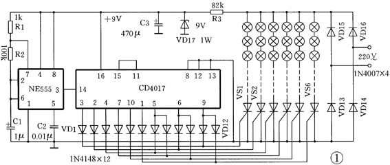
1.用一个CD4017制作的彩灯电路如图1所示。

2.工作原理
CD4017输出高电平的顺序分别是③、②、④、⑦、⑩、①、⑤、⑥、⑨脚,故③、②、④、⑦、⑩、①脚的高电平使6串彩灯向右顺序发光,⑤、⑥、⑨脚的高电平使6串彩灯由中心向两边散开发光。各种发光方式可按自己的需要进行具体的组合,若要改变彩灯的闪光速度,可改变电容C1的大小。
二、用三个CD4017组成的彩灯电路图
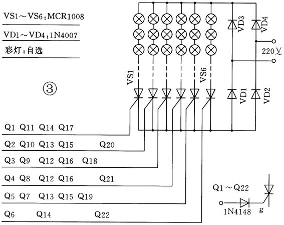
1. CD4017的级连,如图2所示。
2. CD4017级连后可以顺序输出24个高电平,同上理可组合出各种不同的发光方式,见图3,可使6串彩灯向右流水发光,再向左流水发光,中心向两边散开后再向中心靠拢发光,1、3、5、2、4、6串间隔发光等等。

(刘东平)