电子灭蚊灭蝇多功能窗纱(简称电子窗纱),无毒无味,除能有效地灭蚊灭蝇外,还能杀小虫、驱赶老鼠,工作时不会对空气环境产生任何污染,是新一代绿色环保型窗纱。
电子窗纱结构原理
电子窗纱由窗纱和适配盒构成,其连接方法见图1。

适配盒主要向窗纱提供合适安全的灭蚊蝇电压,根据使用的环境条件和用户要求不同,可选择普通型适配盒和热释红外型适配盒两种。普通型适配盒内部有:电源电路、振荡器电路、整流电路、负反馈恒压电路、全天候输出电路等电路。电源用3V电池供电,附设外接直流电源插孔,可用电瓶供电、太阳能充电器供电和内置的王字型初次级隔离的1W变压器等多种供电方式。
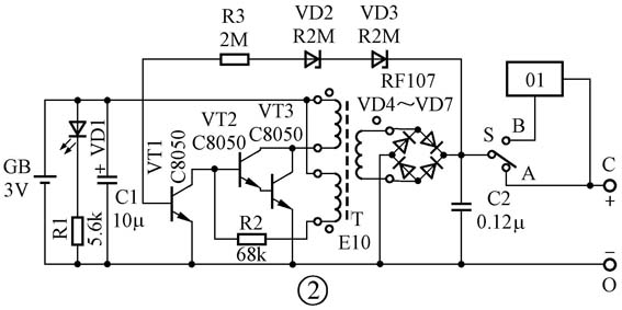
原理如图2所示。GB、VD1、R1、C1构成电源和指示滤波电路,T、VT2、VT3、R2构成电感三点式振荡电路,R3、VD2、VD3、VT1共同组成恒压负反馈电路,保证在电池电压波动情况下输出电压的稳定,使整机在待机时消耗电流较小;VD4~VD7组成桥式高频整流;C2为储能电容,保证能够灭蚊虫时选最小容量。S为微动开关,下雨时雨水打在窗纱上,普通输出方式将失去作用,这时将S拨于B处,01电路启动,电路进入全天候工作状态。热释红外适配盒是在普通适配盒上增加了热释红外传感器,当人体走近适配盒约0.3m时,输出到窗纱的电压将消失。

窗纱部分由金属丝、非金属丝和导电引带构成,金属丝与非金属丝经纬交织构成窗纱主体,导电金属引带垂直于金属丝,与非金属丝平行设置,金属引带A、B经接插件导线连接在适配盒上。窗纱部分原理图如图3所示。当蚊虫从A、B两组电极丝之间通过时,极间放电,电容储能将蚊虫击毙,因为蚊虫是脚先接触窗纱电极、经电击后无法脱身,微小的直流电流源源不断,通过A极金属丝到蚊虫脚,至B极金属丝形成回路,将蚊虫脚的水分电解蒸发,使脚这部分电阻值增大,不易导电,这时输出电压开始升高,C2又开始储能,达到设定值时,VD2、VD3稳压管和VT1组成的负反馈恒压电路开始工作,电路又恢复到待机状态,进入下一个灭蚊过程。待机时电流约1mA,灭蚊时约20mA。采用普通适配盒,人体触摸窗纱时会有轻微麻手的感觉,不会对人体造成伤害;若触摸不放手,由于存在手电阻,电压消失,没有任何感觉。如果使用热释红外适配盒,人体走近触摸窗纱时电路动作,电源关断,更无任何危害了。

电子窗纱的特点
1.立杆见影的灭蚊蝇效果。能在瞬间消灭企图进入房间或逃离房间的蚊蝇,普通窗纱挡不住的小昆虫也难幸免。
2.良好的防鼠驱鼠功能。凡触碰过窗纱的老鼠都会产生记忆,对电子窗纱敬而远之。您再也不用担心老鼠会咬坏窗纱进入房内了。
3.优秀的环保品质。电子窗纱工作时无毒无味,不产生污染。
4.使用安全可靠。电路采用直流3~6V供电,灭蚊采用电容储能、极间放电方式。交流供电采用王字、初次级完全隔离的1W变压器降压后供电。多重保护,让您放心使用。
5.维护保养简易。当纱面上蚊蝇太多时,可用毛刷清除也可用水清刷(断电)。
6.耗电少。3V供电时,待机电流约1mA,功率约0.003W,灭蚊瞬时电流约20mA,功率约0.06W。
7.电子窗纱可全天候工作,适应不同地区的潮湿、雨水天气。
电子窗纱规格
1m以下约13个规格(即幅宽),供用户选择如下:
(1) 测量窗纱框架内沿的高度和宽度,如图4所示。

(2) 根据高度尺寸,选择电子窗纱的规格(即幅宽):若高度为900mm,电子窗纱规格(幅宽)可在890mm~900mm之间选用。
(3) 根据宽度尺寸,下料时加上60mm余量即可。
窗纱的安装
(1) 将裁好的窗纱展平,并拉直金属引带,见图5。
(2) 将整理后的窗纱放在框架上,使其金属丝基本平行压槽。先压隔离带A,后压入隔离带B,然后再压紧另外两侧纱面。压好后窗纱的纱面松紧适度,金属丝应基本平行压槽。
(3) 纱面装好后,在距离框内沿8mm到10mm处将金属引带剪断,靠近断口处扣上线夹,见图6。
(4) 将线卡引线整理美观,嵌入压槽。
(5) 将线夹引线所带插片塞入插件中,连接到适配盒莲花插座上,接通电源,指示灯发亮,窗纱进入工作状态。
注意事项
(1) 油库、加油站、易燃、易爆危险品等场所不宜安装电子窗纱。
(2) 适配盒有故障后请不要自行拆卸修理。
(董启星)