MAX1698是一种高效率驱动白色LED或彩色LED阵列的控制器,主要用于LCD背光显示。由于该器件驱动外接功率MOSFET,输出功率可达1.5W,可驱动多个LED,适用于较大面积的LCD屏幕。该控制器以升压或DC/DC变换器为基础,但反馈信号是与流过LED的电流成比例的电压信号,保证流过LED的电流稳定性。
该控制器主要特点:转换效率大于90%;可调节LED亮度;与冷阴极荧光灯(CCFL)或场致发光(EL)背光源比较,该器件组成的电路简单、成本低并更加可靠;有关闭控制,关闭状态耗电小于1μA;有软启动功能;有低压锁存保护;节省空间10管脚μMAX封装;工作温度范围-40℃~+85℃。
该器件组成的LCD背光电路适用于PDA、手持终端等较大尺寸LCD作背光源。
管脚排列如图1所示。

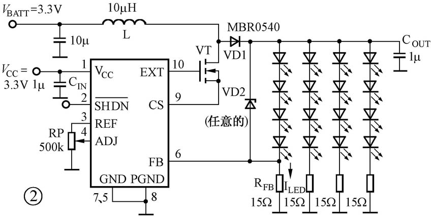
MAX1698的典型应用电路见图2。该电路驱动16个白色LED(分成4列),每个LED最大电流20mA,通过调节500kΩ电位器调节LED的亮度。
EXT端驱动外接N沟道功率MOSFET(VT)开关管,CS端外接VT的源极,内接电流检测电阻,用以检测MOSFET的电流,L、VD1、C\(_{OUT}\)及VT组成升压式DC/DC变换器,由于反馈到FB端的电压是与流过LED的电流I\(_{LED}\)成比例信号,所以输出电流是稳定的。SHDN____为关闭控制端(低电平有效)。有关参数的计算及元器件选择如下:
1.最大LED电流ILED的计算
L\(_{ED}\)电流与R\(_{FB}\)有关,I\(_{LED(max)}\)与R\(_{FB}\)的关系为:
I\(_{LED(max)}\)=300mV/R\(_{FB}\)
若设定I\(_{LED(max)}\)=20mA,则可按上式求得R\(_{FB}\)=15Ω。
2. LED亮度调节
在REF端与GND端之间接一个500kΩ的电位器,其中间头与ADJ端连接,改变电位器中间头位置可调节LED亮度。ILED与ADJ端电压VADJ及RFB的关系为:
I\(_{LED}\)=V\(_{ADJ}\)/(4.16×R\(_{FB}\))
式中V\(_{ADJ}\)的电压范围为50mV~1.25V,小于50mV时LED灭。
3.电感器L的选择
电感器L在3.3~100μH的范围内。但L的大小与开关频率f有关,电感量太大将降低开关频率。MAX1698限制了流过电感器的峰值电流IL(peak)为1.5A,它与最大输出功率Pout有关。IL(peak)与输出功率的经验公式为
I\(_{L(peak)}\)(A)=1.0P\(_{out}\)(W)
图2中总的L电流为80mA,若LED的正向压降为4V,则P\(_{OUT}\)=80mA×4V×4=12.8W即I\(_{L(peak)}\)=1.28A<1.5A。

4. C\(_{IN}\)及C\(_{OUT}\)的选择
C\(_{OUT}\)的值并不严格,可在0.1~10μF之间选取。C\(_{OUT}\)容量大可降低输出纹波,但会增大尺寸及成本。这里取1.0μF。CIN可选择与C\(_{OUT}\)相同容量。V\(_{BATT}\)端可接一个10μF旁路电容。
5. N沟道功率MOSFET的选择
因其栅极的驱动电压来自V\(_{CC}\),所以必须选低阈值的,并且应选R\(_{DS(ON)}\)小,V\(_{DS}\)耐压大于V\(_{OUT}\)的管子。
6. VD1的选择
因为在高频下工作,应选择有快速恢复时间及低的正向压降的肖特基二极管,耐压应超过输出电压,平均电流及峰值电流应超过电感器的峰值电流。本例中,I\(_{LED(max)}\)才80mA,但I\(_{L(peak)}\)=1.28A,要按I\(_{L(peak)}\)来选择。
7. VD2的选择
稳压管VD2是防止第一组LED中某一LED开路而造成输出电压升高而击穿功率MOSFET或C\(_{OUT}\)而设的。VD2的稳压值应大于LED正向压降之和(在本例中为4×VF)加2V以上,但要小于功率MOS-FET的击穿电压值。
(方佩敏)
编者注:
MAX1698详细资料见本期配刊光盘“本期元器件资料”文件夹。