本文介绍如何自制一台只需要几十元的89系列单片机编程器,该编程器硬件利用标准的TTL系列器件,它连接在计算机的并行端口,对PC的并口没有特殊要求,所以配置很低的计算机也能用这个编程器。支持的单片机主要是Atmel flash系列。
支持的器件
这个编程器支持以下ATMEL单片机:AT89C51,AT89C52,AT89C55,AT89S51,AT89S52,AT89S53,AT89C51RC,AT89C55WD,AT89S8252,AT89C1051U,AT89C2051,AT89C4051。
注意:20脚的单片机需要一个简单的适配器,电路如图1所示。

电 路 硬 件
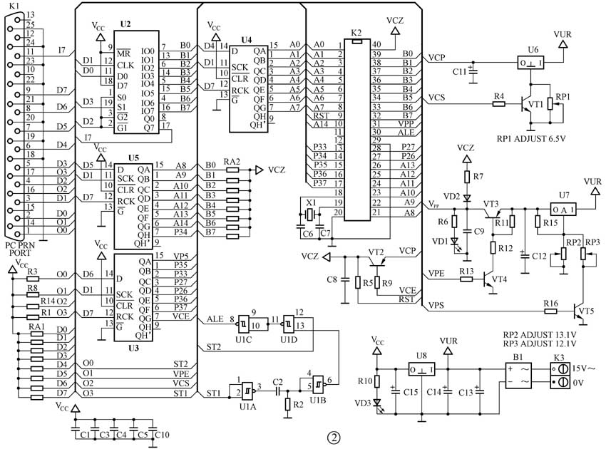
图2是这个FLASH 编程器的电路图,编程器和标准的计算机并口连接。电路图中的U2是用于控制计算机和控制器之间的数据流,U4 锁存低位地址字节,U5 锁存高位地址字节,U3用于产生控制信号给被编程的单片机。IC U1用于产生编程脉冲给单片机。当U7提供编程电压给控制器时,电源部分用U8产生逻辑5V供给。IC U6用于产生5V或6.5V VDD 电源电压供给单片机。

为了调整RP1、RP2和RP3,用一个数字万用表按以下步骤进行:
1.调整RP1,用测试夹临时连接 VT1基极到地,然后调整RP1在稳压器U6上获得6.5V输出。
2.下一步调整RP2在稳压器U7上获得13.1V输出,确信晶体管VT1是不工作的或者用测试夹临时连接VT5基极到地。
3.现在用测试夹临时短路晶体管VT5集电极到地。
4.调整RP3在稳压IC U7上获得12.1V输出。
制作电路板
本文介绍的编程器使用了一块双面电路板,尺寸为15.8cm×7.6cm,双面PCB图、元件布局图和适配器的PCB图见本期配刊光盘“本期图片”文件夹。如果要自制该电路板,读者可到www.dragonchip.net上下载 PCBSPGM89V3.ZIP 文件,其中包括了HP激光打印机的打印文件。在DOS状态下运行 COPY *.PRN PRN/B 能将这些PCB文件打印到透明胶片或硫酸纸上,然后用双面感光电路板制作电路板。具体方法可参考本刊2002年第7期64页的相关文章。
编 程 软 件
PGM89V3.EXE是该编程器的软件。它是一个Windows程序,能够运行在Win9X/WinNT/Win2000/WinXP下,窗口界面如图3所示。以下各项是该软件的特征:
读或写 Intel Hex 格式文件;* 读芯片信息;* 清除、填充和编辑程序缓冲区;* 有程序缓冲区校验;* 再次装入当前 HEX 文件;* 显示数据校验和;* 编程选择 Lock Bits & ISP fuse;* 并口连接LPT1、2或3。
编程器在Win9X下无需驱动,在WinNT/Win2000/WinXP下需要安装I/O端口驱动程序,具体方法见驱动程序包中的readme文件,这里不再详细介绍。
编程软件的使用
本编程器PGM89V3软件使用非常简单,和一般的编程器软件差别不大。当鼠标在按钮上停留时,会显示相应的功能说明。下面以烧写最常用的89C51为例说明使用的方法。假设要写入的文件是“proflash.hex”。首先,将编程器主板连接到计算机并口,然后连接电源,编程器绿色指示灯亮,再将89C51插入ZIF插座,锁紧手柄。接着启动编程器软件,鼠标单击右边的“芯片”下拉框,选择好芯片类型,这里选“89C51”。在“文件”菜单中选择“打开Hex文件”,找到“proflash.hex”文件,单击“打开”。窗口中将显示该文件内容,右下角将显示校验和。单击“写芯片”按钮,编程器红色指示灯亮。烧写完毕,红色指示灯熄灭,写入之前会自动擦除芯片原来的内容,写入完毕会自动校验。如果需要加密,可以选择加密级别。其他芯片烧写过程类似。
注 意 事 项
为了确保安全地插拔编程器ZIF插座上的单片机,当红色LED VD1熄灭时,才能在ZIF插座进行插拔。同时还要注意,该软件没有提供擦除命令,因为这个功能在编程前预先自动执行。如果你需要首先擦除单片机,可以用EDIT菜单的清除缓冲区命令,然后对该单片机进行编程。
制作使用过程中有任何问题,都可以E-MAIL至:kai-hui@online.sh.cn获得帮助。编程器的I/O端口驱动程序、原版软件和汉化的软件可以到http://www.dragonchip.net下载。
本编程器所用元件见附表。
关于这套编程器的自制套件信息,可参考本期第69页的相关广告。
(白钰君)