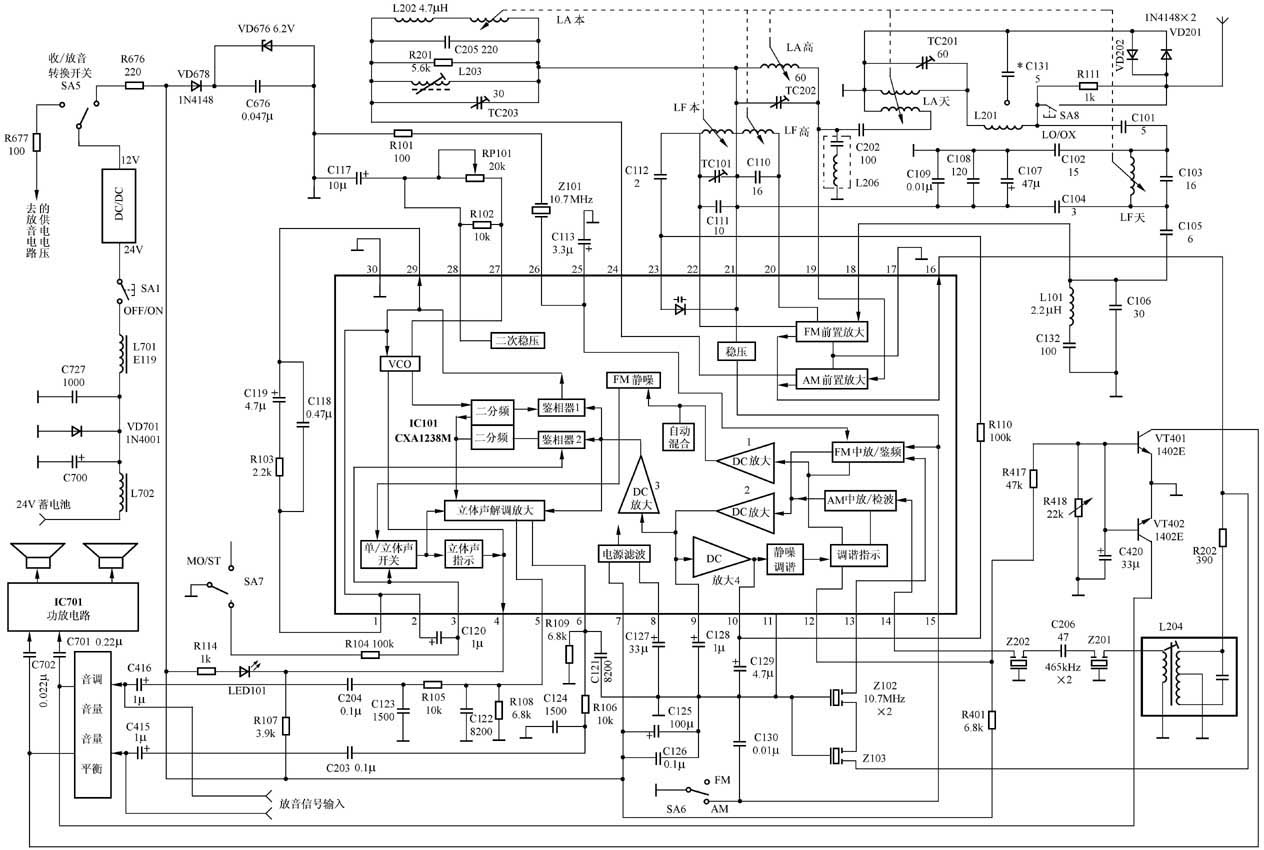
天宝TB-7207型汽车音响收音电路主要由一块单片大规模收音集成电路CXA1238M为主构成,相关电路如附图所示。采用该IC组装的汽车音响还有德赛DS-658系列机型等。

电路工作原理
1.集成电路CXA1238M简介
CXA1238M是日本索尼公司生产的高集成度调幅、调频、立体声解码单片收音集成电路。其内含调幅变频、调幅中放、检波、调频高放、调频变频、调频中放、鉴频和立体声解码电路、调谐指示、立体声指示、静噪调谐等功能。故其在功能上完全替代了应用较为广泛的东芝TA三片机电路(即TA7335P、TA7640P、TA7343AP),此电路用于汽车音响、随身听、新型收音机中。
CXA1238M集成电路的耗电极小,当电源电压为6V时,调幅静态电流为8.5mA左右,调频静态电流为11mA左右,电源电压适用范围宽,在2~10V范围内电路都能正常的工作。该电路中具有调谐LED驱动、立体声指示LED驱动以及FM静噪功能。电路外围元件也很少,整个收音电路只需调整一只调幅中频变压器和立体声压控振荡器(VCO)的频率微调电阻。
CXA1238M内电路方框图如附图中所示,各引脚功能见本文下篇中表2,当其使用3V或6V电源电压时,各引脚上的典型工作电压如表1所示,供检修其它各类收音电路时参考。
2. FM高频放大电路
从天线接收到的FM信号经C101、C103、C102、C104和调谐电感LF天等组成的选频网络后,经C105电容加至CX-A1238M的,送入IC内部的调频前置放大电路。在这部分电路中,VD201和VD202是用来防止雷击的。C101、C103//LF天、C105、C106、L101和C132等构成了一个87.5~108MHz的选频网络,滤除调频广播之外的干扰信号。
进入CXA1238M内调频前置放大电路中的信号在高放级中进行放大,然后进入混频电路。在混频电路中,高放级输出的信号与调频本振级送来的本振信号进行混频,其差频10.7MHz的调频中频信号从IC的输出。
在这部分电路中,CXA1238M外接调频高放调谐回路,该电路由LC并联谐振组成(C110、LF高),改变LF高的电感量,就可改变该网络的谐振频率,从而实现调谐。CXA1238M的外接由C111和调频本振调谐电感LF本等组成的谐振网络,该电路也是一个由LC组成的并联谐振网络。其中:LF本与LF高和LF天的电感量呈同步变化,以保证调频的本振频率始终高出高频信号10.7MHz。
3. AM高频放大电路
从天线接收到的调幅信号,经由L201、TC201、调幅输入回路可调电感LA天、C202组成的输入选频回路调谐后,从CXA1238M的进入IC内的AM前置放大电路。在该电路中,天线接收的信号先进行高频放大,然后与本振信号进行混频,得到的465kHz中频信号也从输出。CXA1238M的外接由L203、TC203、R201、C205、L202和调幅本振可调电感LA本等组成的谐振网络;外接由TC202、LA高等组成的高放谐振网络。LA本与LA天和LA高的电感量呈同步变化,以保证调幅的本机振荡频率始终高出AM高频信号465kHz。
4. FM中放输入电路
从CXA1238M输出的调频信号,经由两只10.7MHz的选频陶瓷滤波器Z103、Z102滤波后又进入内的调频中放和鉴频电路。
CXA1238M外接的Z101为调频鉴频器谐振元件,它的中心频率设定在10.7MHz,由此可省去鉴频S曲线的调整而使安装更加方便。从Z101陶瓷鉴频器外形上的色标可看出,它与Z102、Z103的色标是一致的,说明它们间的频率偏差也是一致的,由此就可以避免频偏不同时所造成的S曲线异常现象。
5. AM中放输入电路
从CXA1238M输出的调幅信号,经R202→L204中频变压器→Z201中频陶瓷滤波器→C206耦合电容→Z202中频陶瓷滤波器,选出465kHz的调幅中频信号后又从IC的加至调幅中放和检波电路中。
6.波段切换控制电路
CXA1238M外接的SA6为AM/FM波段切换开关,由该开关控制是否接地,进而通过IC内部的AM/FM直流转换电路的作用,来选择工作状态。当SA6开关断开使悬空时,整机收音处于FM波段接收状态;当SA6开关接通使接地时,电路处于AM波段收音状态。
7.AFC 和AGC电路
在CXA1238M内部,经鉴频或检波后的立体声复合信号或单声道信号中的直流分量,由IC内直流放大器2和4放大、滤波电路滤波变换成AGC/AFC控制电压后从⑩脚输出,经R110电阻反馈至IC的,加到IC内变容二极管的正极,用以控制该变容二极管的等效电容,以达到修正本振频率的作用。CX-A1238M外接的C112为AFC引入范围微调电容,改变该电容的容量值就可使AFC的引入范围得到改变。⑩脚与地间所接的C129电容,用以决定调幅接收时,IC内部AGC电路的时间常数。
8. FM无信号静噪电路
FM无信号静噪电路由VT401、VT402、R417、R418等组成。该电路受CXA1238M输出电平的控制,而输出的电平与FM接收时有无信号以及收到电台后的调谐准确度有关。当FM接收无信号时,为高电平;当FM接收有信号(即将所接收的电台调准、接收信号最大)时,输出为低电平。下面分两种情况来介绍FM无信号静噪原理。
(1) 无信号
当收音电路处于FM接收无信号状态时,CXA1238M为高电平,这一信号经R417与R418电阻分压后加至VT401和VT402基极,使它们同时导通,这就等效于将C701、C702电容下端接地,使音量、音调、音量平衡控制后的信号无法送至功放电路,从而达到了无信号静噪的目的。
(2) 有信号
当收音电路处于FM接收,一旦接收到电台信号时,CX-A1238M电位就会变低,调谐得越准确,电位下降得就越多,当电位下降到一定值,使VT401和VT402均截止,功放电路就有信号输入,从而使FM收音恢复正常。
在这部分电路中,R401为上拉电阻;R417与R418为分压电阻,两者的分压比决定了VT401、VT402管导通电压。C420为静噪电容,用来消除VT401和VT402管截止/导通切换时产生的开关噪声。当CXA1238M为高电平时,由于C420电容两端的电压不能突变,VD678正极上的电压(约7.1V)通过电阻R401、R417对C420充电,使C420上的电压上升有一个过程,其充电时间常数为:τ=(R401+R417)×C420。这样,VT401和VT402管基极上导通电压的建立也将有一个过程,这一过程就会使VT401和VT402的导通速度变慢。
当CXA1238M为低电平时,C420电容中的电荷通过电阻R418放电,放电时间常数为:τ=R418×C420。由于放电也有一定的时间,因此,VT401和VT402由导通到截止也有一个过程,由此即可消除VT401和VT402开关引起的噪声。
9.立体声解码电路
在CXA1238M集成电路的内部,鉴频后的立体声复合信号经二级直流电压放大器放大后分成三路:一路加至立体声解调放大电路;另有二路分别加至鉴相器1和鉴相器2。
(1) 鉴相器1、压控振荡器(VCO)和分频器一起组成了锁相环路。其工作原理是:压控振荡器(VCO)产生的76kHz振荡信号送至二分频电路,经分频成为:76kHz÷2=38kHz,此信号再经一个二分频,并移相90°成为19kHz,移相90°的信号送到鉴相器1,在鉴相器1中与由DC放大器送来的复合信号中的19kHz导频信号进行比较,产生的误差电压经外接的双时间常数低通滤波器(C119、C118、R103)滤波后经①脚又送回VCO,控制其振荡频率和相位,使VCO的振荡信号与复合信号中的导频信号同频而相位差90°,即锁定。
同时,上述的38kHz振荡信号作为再生副载波,送给立体声解调放大电路。
CXA1238外接的RP101为压控振荡器自由振荡频率微调电阻,改变其值就可以调整压控振荡器的自由振荡频率,进而就可调整跟踪导频信号的捕捉范围。
(2) 鉴相器2的作用是检出立体声/单声道开关控制信号。当分频后的19kHz信号的输入的导频信号频率相同及相位差为零时,该电路输出的正电压最大。该信号经IC②、③脚外接的低通滤波器(电容C120)滤波和直流放大后,使“立体声/单声道”开关打开。同时,立体声指示灯控制电路输出驱动电压,使IC的④脚为低电平→④脚外接的LED101发光,以示立体声指示。CXA1238M的④脚还可以用来检测IC内部压控振荡器的振荡频率。
经立体声解调放大电路解调后得到的左、右声道音频信号,从CXA1238M的⑥脚和⑤脚输出,分别经过各自的去加重网络后送到音频控制及功率放大电路,去推动扬声器发声。
在这部分电路中,R109、C121、R106和电容C124组成了左声道输出去加重网络。R108、C112、R105和电容C123组成了右声道输出去加重网络。C204、C203均为耦合电容。
(孙余凯 王五春)