电子日光灯彻底消除了普通日光灯的频闪和铁芯振动引起的“嗡嗡”噪声,功率因数可达0.9以上,比普通日光灯提高80%。具有节电、明亮、易启动、无频闪、功率因数高、电源电压范围宽等优点,正得到越来越广泛的应用。
一、电路图总体分析
1. 图1为电子日光灯的电路图,除日光灯管以外的电路,习惯上称为电子镇流器。它将50 Hz 220V市电变换为50 kHz高频交流电,再去点亮日光灯管。左边“~220V”为输入端,右边日光灯管为最终负载。电路组成部分:(1)二极管VD1~VD4和电容器C1组成的桥堆整流滤波电路;(2)晶体管VT1、VT2和高频变压器T等组成的高压高频振荡电路;(3)电阻R1、电容C2和双向二极管VD8组成启动电路;(4)电容C5、电感L等组成的谐振启辉电路,产生日光灯管所需要的启辉高压。图2为方框图。


2. 工作原理。市电整流滤波后,输出约310V的直流电压(空载时),作为高频振荡器的工作电源。功率开关管VT1、VT2和T等组成自激振荡器,将310V变换为50 kHz、270V的高频电压,作为日光灯管的工作电压,通过C5和L组成的串联谐振启辉电路送往日光灯管。谐振电容C5上的谐振电压为回路电压的Q倍(约600V),加在日光灯管两端使其启辉点亮。
二、主要单元电路分析
1. 市电直接整流电路 如图3所示:在AD端可得+310V(空载时)的直流电压。

2. 启动电路 VT1、VT2的偏置电压均取自高频变压器T的反馈电压,电路未起振时,两管均因无基极偏置而截止,因此在刚接通电源时必须由启动电路使其起振。如图4所示,接通电源后,+310V直流电压经R1对C2充电,当C2上电压上升到VD8的阈值时,VD8导通,VT2基极获得偏流而导通,引起振荡。VT2导通后,通过VD5将C2上的电荷放掉,不影响电路正常振荡。
3. 高压高频振荡器 VT1、VT2和高频变压器T等组成自激振荡器,为日光灯管提供高压高频电压。VT2起振,此时+310V直流电压经C4、灯管上端灯丝、C5、灯管下端灯丝、L、T-3、VT2的c-e极形成回路,对C5充电,I\(_{充}\)如图5中虚线所示,C5上电压为上正下负。
由于T各绕组的耦合作用,VT2很快由导通变为截止,VT1则由截止变为导通,C5通过灯管上端灯丝、C4、VT1的c-e极、T-3、L、灯管下端灯丝放电,I\(_{放}\)如图6中虚线所示。同理VT1很快也由导通变为截止,VT2则又由截止变为导通,如此周而复始,形成振荡,振荡频率为f\(_{L}\)=1/(2π\(\sqrt{L·C5}\))≈50 kHz。
C4既阻止+310V的直流电压直接进入日光灯管,又允许50 kHz的高频通过。R3、VD6和R4、VD7分别接在VT1和VT2基极回路,为T-1和T-2提供负半周时的泄放通路。
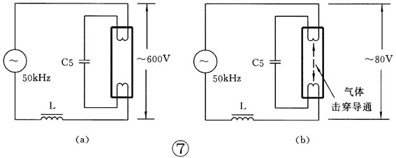
4. 谐振启辉电路 日光灯管要求先有一个高电压作用于其两端,使其启辉,然后再将电压降低维持点亮即可。在普通铁芯镇流器日光灯中,由启辉器完成这一任务。在电子日光灯中,则采用了谐振启辉电路。如图7所示,50 kHz、270V的交流电压,加在C5、L串联谐振回路两端并产生谐振,于是在C5两端产生一个Q倍于回路电压的高电压〔约600V,见图7(a)〕。此即为日光灯管的工作电压。谐振时C5两端的600V高压将日光灯管内的气体击穿而启辉。当日光灯管点亮后,内阻急剧下降,并联于C5两端,使C5、L串联谐振电路的Q值大大下降,故C5两端(即灯管两端)的高启辉电压(约600V)即下降为正常的工作电压(约80V),维持日光灯管稳定地正常发光,如图7(b)所示。

三、制作调试要点
1. 制作与调试 高频变压器T可自制:采用内径6的磁环、用0.5漆包线穿绕,T-1、T-2各绕2圈,T-3绕8圈。安装时须注意各绕组的同名端不能搞错。调试:(1) A、D两点间直流电压应为260~310V;(2) VT1、VT2两振荡管的b-e极间均为 -0.3V左右的反偏电压;(3)A、B间应有220~270V的高频交流电压;(4)未启辉时,日光灯管两端应有600V左右的高频交流电压;(5)启辉后,日光灯管两端应为60~80V的高频交流电压。
2. 废管利用 日光灯管一端灯丝断了,可将其引脚直接短接后应急使用,如图8所示。

(门宏)