沙漏是一种古老的计时工具,也是一种玩具。电子沙漏用电子电路控制的发光二极管表示沙粒,模拟沙漏的运动过程。电子沙漏会像真正的沙漏一样,上部的沙粒(点亮的发光二极管)一粒一粒往下掉,下部的沙粒一粒一粒堆起来。漏完以后,将电子沙漏倒过来,又会重新开始一粒一粒往下漏。
一、电路图整体分析
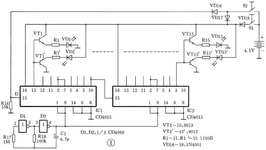
1. 电路结构。电子沙漏是一个级联运用移位寄存器的典型实例,电路图如图1所示,它包括五个组成部分:(1)集成电路IC1、IC2组成的15位移位寄存器;(2)开关S1、S2,二极管VD16、VD17、VD18,电阻R16等组成的输入数据控制电路;(3)晶体管VT1~VT15和VT1‘~VT15’组成的输出状态控制电路;(4)发光二极管VD1~VD15和VD1‘~VD15’组成的显示电路;(5)反相器D1、D2等组成的时钟振荡器。图2为其原理方框图。


在结构上,两组各15个发光二极管分别排列成为两个三角形,如图3所示。其中:VD1~VD15位于上部,排列成倒三角形;VD1‘~VD15’位于下部,排列成正三角形。两个三角形的顶尖相对,组成沙漏形状。当上部有一个发光二极管熄灭时,相应地下部就有一个发光二极管点亮,模拟了沙漏的运动。
2. 简要工作原理。集成移位寄存器IC1、IC2级联组成15位移位寄存器,构成了电子沙漏的主体控制电路。每一位寄存单元都分别通过NPN晶体管VT和PNP晶体管VT‘形成Q和Q_两个互为反相的输出状态,分别控制VD和VD’两组发光二极管。15位移位寄存器的串行数据输入端D的状态受位置控制电路的控制。当电子沙漏正向放置时(发光二极管VD1~VD15在上部且全亮),串行数据输入端D=0,并在时钟脉冲CP的作用下逐步右移,使VD1~VD15一个接一个地熄灭,同时VD1‘~VD15’一个接一个地点亮,直至VD1~VD15全灭、VD1‘~VD15’全亮。
当把电子沙漏上下颠倒过来后,串行数据输入端D=1,并在CP作用下逐步右移,又使VD1‘~VD15’(此时在上部)一个接一个地熄灭,同时VD1~VD15(此时在下部)一个接一个地点亮,直至VD1‘~VD15’全灭、VD1~VD15全亮。
二、主要单元电路分析
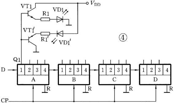
1. 15位静态移位寄存器。15位移位寄存器由四个4位静态串入-并出移位寄存器串接而成(最后1位不用),如图4所示。实际电路中,移位寄存器采用了两块CMOS双4位静态移位寄存器集成电路CD4015。每一块CD4015内部含有两组独立的4位串入-并出移位寄存器,其串行数据输入端D上的数据,在时钟脉冲CP上升沿的作用下向右移位。设15位移位寄存器初始状态为全“1”,串行数据输入端D=0。当第1个CP脉冲到来时,移位寄存器的第1位变为0;第2个CP脉冲到来时,移位寄存器的第2位变为0;……;第15个CP脉冲到来时,移位寄存器的第15位变为0,即15位移位寄存器的状态变为全“0”。

由于CD4015的每一位寄存单元只有Q输出端,因此在每一位寄存单元的Q端同时接有NPN型(VT)和PNP型(VT‘)两个射极跟随器,其输出状态:VT形成Q,VT’形成Q。
2. 输入数据控制电路。电子沙漏的工作模式要求。当Q1~Q15为“1”时,输入数据D应为“0”;当Q1~Q15为“0”时,输入数据D应为“1”。D端状态的转换由输入数据控制电路完成。当Q1~Q15为“1”时,由S1接通电源,R16将D端箝位到地,D=0;当Q1~Q15为“0”时,由S2接通电源,电源电压经VD16加至D端,D=1。
3. 输出状态控制电路。晶体管VT1~VT15构成15个NPN型射极跟随器,分别控制发光二极管VD1~VD15。晶体管VT1‘~VT15’构成15个PNP型射极跟随器,分别控制发光二极管VD1‘~VD15’。15位移位寄存器的每一位寄存单元的Q输出端,同时接有NPN型(VT)和PNP型(VT‘)两个射极跟随器。以第一寄存单元为例:当Q=1时,NPN晶体管VT1导通,发光二极管VD1亮;同时PNP晶体管VT1’截止,发光二极管VD1‘灭。当Q=0时,NPN晶体管VT1截止,VD1灭;PNP晶体管VT1’导通,VD1‘亮。
4. 位置控制电路。由于电源开关S1、S2同时要控制移位寄存器输入数据D的状态,而D的状态又应与电子沙漏的摆放位置相关,因此S1、S2设计成重力开关,结构如图5所示。

当电子沙漏的VD发光二极管在上部时,重力开关的位置是S2在上、S1在下,如图6(a)所示。这时,落下的金属球使S1接通,+4.5V电源经VD18提供给电路工作。 由于VD17的阻隔作用,+4.5V电源不能到达D端,D=0。当将电子沙漏颠倒过来后(VD‘发光二极管在上部),变为S1在上、S2在下,如图6(b)所示。这时,落下的金属球使S2接通,+4.5V电源经VD17提供给电路工作,同时经VD16加至D端,使D=1。

5. 速度控制电路。反相器D1、D2组成多谐振荡器,产生周期约为1s的连续方波,作为移位寄存器的时钟脉冲CP。调节多谐振荡器的振荡周期,即可调节电子沙漏的流动速度。振荡周期越短,沙漏速度越快。
三、制作要点
1. 制作。重力开关可按图5所示自制。安装时重力开关的平面应与面板平行,S2的一端在上、S1的一端在下。电路无须调试即可使用。
2. 使用。将电子沙漏竖立起来,代表沙粒的发光二极管亮点便开始往下漏。漏完以后,将电子沙漏上下颠倒过来,又会重新开始往下漏。不用时,将电子沙漏横着放置,电源便会关断,所有发光二极管均熄灭。
(门宏)