彩灯控制器用来使彩灯按照一定的形式和规律闪亮,起到烘托节日氛围、吸引公众注意力的作用。彩灯控制器多种多样,笔者设计的这台彩灯控制器主要功能是:(1)可以控制8路彩灯或彩灯串;(2)既可以向左(逆时针)移动,也可以向右(顺时针)移动,还可以左右交替移动;(3)起始状态可以预置;(4)移动速度和左右交替速度均可调节;(5)控制电路与负载(使用交流220V市电的彩灯)完全隔离。
一、电路图整体分析
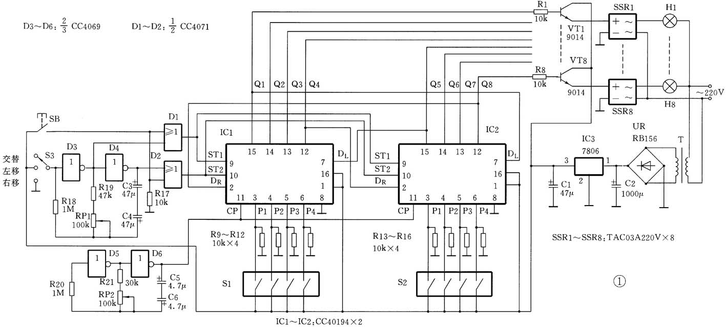
图1为彩灯控制器电路图,主要元器件均采用CMOS数字电路,驱动部分采用交流固态继电器,因此具有电路简洁、工作可靠、控制形式多样、使用安全方便的特点。下面着重分析其电路图。

1. 电路功能与结构组成
整机电路包括以下功能单元:(1)整机的核心是IC1和IC2级联组成的8位双向移位寄存器,控制8路彩灯依一定规律闪亮。(2)S1、S2、SB组成预置数控制电路,控制8位移存器的初始状态,即8路彩灯的起始状态。(3)D5、D6等组成时钟振荡器,为移位寄存器提供工作时钟脉冲。(4)D3、D4、S3等组成移动方向控制电路,控制移位寄存器作左移、右移或左右交替移动。(5)VT1~VT8以及SSR1~SSR8组成8路驱动执行电路,在移位寄存器输出信号的控制下,驱动8路彩灯H1~H8分别点亮或熄灭。(6)T、UR、IC3等组成电源电路,为控制电路提供+6V工作电源。图2为整机方框图。可见,图1所示电路图的信号处理流程为从左到右,直流电源供电方向为从右到左,与电路图的一般画法一致。

2. 整机简要工作原理
IC1和IC2级联组成8位双向移位寄存器,在D5、D6产生的时钟脉冲CP的作用下作循环移位运动。双向移存器的8个输出端Q1~Q8分别经缓冲晶体管VT1~VT8控制8个交流固态继电器SSR1~SSR8。当某Q端为“1”时,与该Q端对应的SSR接通相应彩灯H的220V市电,使其点亮。当某Q端为“0”时,对应的SSR切断相应彩灯H的电源而使其熄灭。由于Q1~Q8的状态在CP作用下不停地移位,所以点亮的彩灯便在H1~H8中循环流动起来。
双向移存器移动的方向由S3控制,可以选择“左移”、“右移”或“左右交替”。
双向移存器的初始状态由S1和S2预置,预置好后按一下SB将预置数输入,其输出端Q1~Q8的状态(也就是彩灯H1~H8点亮的情况)即等于预置数,而后在CP的作用下移动。
交流220V市电经电源变压器T降压、全桥UR整流、集成稳压电路IC3稳压后,输出+6V电压作为整机控制电路的工作电源。
二、主要单元电路分析
1. 双向移位寄存器
IC1、IC2均采用4位双向通用移位寄存器集成电路CC40194,其功能较强,既可以左移,也可以右移;既可以串行输入,也可以并行输入;既可以串行输出,也可以并行输出。CC40194具有4个输出端Q1~Q4;具有4个并行数据输入端P1~P4、1个左移串行数据输入端D\(_{L}\)和1个右移串行数据输入端D\(_{R}\);还具有2个状态控制端ST1和ST2,如图3所示。当两状态控制端ST1ST2=“01”时,移存器左移;当ST1ST2=“10”时,移存器右移;当ST1ST2=“11”时,预置数并行输入移存器。
将两片CC40194级联即可组成8位双向移位寄存器,如图1所示,IC1的第一位输出端(Q1)接IC2的左移串行数据输入端D\(_{L}\),IC1的第四位输出端(Q4)接IC2的右移串行数据输入端D\(_{R}\),IC2的第一位输出端(Q5)接IC1的左移串行数据输入端D\(_{L}\),IC2的第四位输出端(Q8)接IC1的右移串行数据输入端D\(_{R}\);两片CC40194的CP、ST1和ST2并联即可。右移时,数据按Q1→Q2→Q3→Q4→Q5→Q6→Q7→Q8的方向移动,Q8的信号又经右移串行数据输入端D\(_{R}\)输入到Q1,形成循环。左移时,数据按Q8→Q7→Q6→Q5→Q4→Q3→Q2→Q1的方向移动,Q1的信号又经左移串行数据输入端D\(_{L}\)输入到Q8,形成循环。
2. 预置数控制电路
由两个4位地址开关S1、S2和按钮开关SB等组成,用于设置移存器的初始状态,即彩灯的起始状态。每个地址开关中包含4只开关,图1中的接法,开关闭合时为“1”,开关断开时为“0”,可根据要求设置。移存器的两个状态控制端ST1、ST2分别由或门D1、D2控制。当按下预置数按钮开关SB时,“1”电平(+6V)加至D1、D2输入端,D1、D2输出均为“1”,使ST1ST2=“11”,设置好的预置数并行进入移存器,如图4所示。例如,设置P1~P8为“11100110”,按下SB时,Q1~Q8便成为“11100110”,H1、H2、H3、H6、H7亮,H4、H5、H8灭。当松开SB时,ST1ST2≠“11”,移存器便在CP作用下使预置状态移动。
3. 移动方向控制电路
前面已介绍,移存器移动方向由ST1、ST2的状态决定。为了实现左右交替移动,电路中设计了一个由反相器D3、D4等组成的超低频多谐振荡器,并由选择开关S3控制。当S3将D3输入端接地时,多谐振荡器停振,使ST1ST2为“10”,移存器右移,如图5(a)所示。当S3将D3输入端接+6V时,多谐振荡器仍停振,但不同的是ST1ST2为“01”,移存器左移,如图5(b)所示。当S3悬空时,多谐振荡器起振,使ST1ST2在“01”和“10”之间来回变化,移存器便左移与右移交替进行。D3、D4的输出端分别经或门D1、D2至ST1、ST2端,当SB按下时,D1、D2输出均为“1”,此时为预置数输入。

关于多谐振荡器的电路分析,本专栏前几期已介绍过,可参阅。C3、C4为两电解电容器反向串联,等效为一个无极性电容器。电位器RP1用于调节振荡周期、改变左右移动的交替时间,图1电路中,交替时间可在2.5~7.5s范围内选择。
4. 移动速度控制电路
双向移存器在时钟脉冲CP作用下工作,时钟频率的高低决定了移存器的移动速度。时钟脉冲由反相器D5、D6组成的多谐振荡器产生,调节RP2可使振荡周期在150~670ms(即振荡频率为
6.5~1.5Hz)范围内变化。RP2阻值越大,振荡周期越长,移存器移动速度越慢。
5. 交流固态继电器驱动电路
执行电路采用8路交流固态继电器SSR,分别控制8路彩灯或彩灯串。交流固态继电器内部采用光电耦合器传递控制信号、双向晶闸管作为控制元件(如图6所示),具有完全的电隔离性能。以第一路为例:当Q1=“1”时,经R1使缓冲晶体管VT1导通,+6V控制电压加至SSR1输入端,SSR1两输出端间导通,彩灯H1亮。当Q1=“0”时,VT1截止,SSR1因无控制电压其两输出端间亦截止,彩灯H1灭。由于采用交流固态继电器驱动彩灯,使得控制电路与交流220V市电完全隔离,十分安全;同时,彩灯控制器接交流220V市电的两接线端不必区分相线与零线,使用方便。

三、制作调试要点
各元器件如图1所示,无特殊要求。焊接CMOS集成电路时间不宜长,且电烙铁应接地,以防损坏。交流固态继电器SSR控制的每一路彩灯H,可以是若干个灯泡,也可以是若干串彩灯,但其功率应在600W以内。如需增大功率,应改用控制电流更大的交流固态继电器。本电路无须调试即可正常工作。
(门宏)