高档音响设备一般都有音频频谱显示装置,既可以随时了解播放信号的瞬时频谱,又具有高雅美观的视觉效果。笔者设计的这款外置式音频频谱显示器,不必与您的音响设备进行任何电气连接,只需放置于音箱前,即可直观动态地显示出正在播放的音频信号的频谱,使您的音响系统既好听又好看,增色不少。
一、电路图总体分析

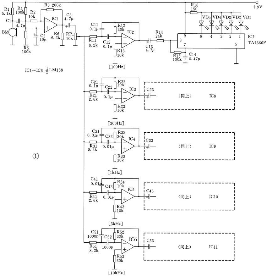
图1为外置式音频频谱显示器电路图。该显示器在设计上全部采用集成运算放大器和专用集成电路,电路简洁、工作稳定、制作容易、使用方便,可以同时在100Hz、300Hz、1kHz、3kHz、10kHz五个频率点上(含一定带宽),采用五级动态光柱显示各频率点的瞬时电平。下面着重分析其电路图。
1.电路结构
外置式音频频谱显示器的功能,是将音箱播放的声音转换为发光二极管光柱的动态显示,因此可以判断:图1中左边的话筒BM是电路输入端,右边的发光二极管是最终负载,电路图的信号处理流程为从左到右。同时我们可以依据各集成运算放大器或专用集成电路,划分出各单元电路:(1)驻极体话筒BM等组成拾音电路;(2)集成运放IC1等组成音频电压放大器;(3)集成运放IC2~IC6分别组成五个有源带通滤波器;(4)集成电路IC7~IC11分别组成五个LED电平表。一个有源带通滤波器和一个LED电平表配合,共组成了五路频率点电平显示器。图2是整机电路方框图。
2. 整机工作原理
音箱播放的声音信号由话筒BM接收并转换为电信号,经集成运放IC1放大后,同时送入五个有源带通滤波器。每个带通滤波器只允许特定频率范围的信号通过。以第一路为例,带通滤波器IC2从音频信号中选出100Hz(含一定带宽,下同)的信号,送入IC7组成的五级LED电平表,使LED光柱随100Hz信号电平的大小而高低变化。同理,第二至第五路分别显示300Hz、1kHz、3kHz、10kHz信号的电平。五个频率点的电平光柱排在一起,即可模拟出一幅动态的频谱图。
二、单元电路分析
1. 有源带通滤波器
IC2~IC6分别组成五个有源带通滤波器。顾名思义,带通滤波器是只允许频率在通频带Δf范围内的信号通过,高于上限截止频率f\(_{H}\)和低于下限截止频率f\(_{L}\)的信号均被阻止。带通滤波器的频率特性曲线如图3所示,f\(_{0}\)为中心频率。当信号频率等于f\(_{0}\)时输出最大;高于或低于f\(_{0}\)时输出均下降。曲线中f\(_{0}\)两边输出下降至-3dB的两点,分别定义为上限截止频率f\(_{H}\)和下限截止频率f\(_{L}\),f\(_{H}\)-f\(_{L}\)=Δf 即为通频带。带通滤波器一般可由R、C、L等无源元件组成,若电路中包含晶体管、集成运放等有源元器件,则称为有源带通滤波器。采用集成运放的有源带通滤波器,具有输入阻抗高、输出阻抗低、体积小、重量轻、滤波效果好等优点。

以图1中第一路为例说明有源带通滤波器的工作原理。集成运放IC2与R11、R12、C11、C12等组成二阶多路反馈带通滤波器,其中心频率f\(_{0}\)=1/(2π\(\sqrt{R11R12C11C12}\))(Hz)。在集成运放IC2的输出端与反相输入端之间,共有两条反馈回路:R11与C11组成低通负反馈回路,频率越高,负反馈量越大,输出信号越小,其转折频率为f\(_{H}\),高于f\(_{H}\)的信号即认为被阻止。C12与R12组成高通负反馈回路,频率越低负反馈量越大,输出信号越小,其转折频率为f\(_{L}\),低于f\(_{L}\)的信号即认为被阻止。两条反馈回路共同作用的结果是,只有在f\(_{H}\)与f\(_{L}\)之间的信号(即通频带内的信号)得以通过IC2,其余均被阻止,实现了“带通”。考虑到本电路中带通滤波器需要有足够的带宽,设计时取其Q值为1。改变带通滤波器负反馈回路元件R11、R12、C11、C12的值即可改变其中心频率f\(_{0}\),改变R12与R11的比值即可改变其Q值,因此我们可以很方便地设计出不同f\(_{0}\)和不同Q值的带通滤波器。R13为集成运放同相输入端平衡电阻。
2. 电压比较器
将信号电平的大小转换为LED光柱的高低,需要用到电压比较器。采用集成运放构成的电压比较器见图4,参考电压VR接在集成运放IC的同相输入端,输入信号V\(_{i}\)接在IC的反相输入端。当输入信号V\(_{i}\)小于参考电压VR时,输出端V0=1,发光二极管VD不亮;当V\(_{i}\)>VR时,输出端Vo=0,发光二极管VD点亮。

3. 集成电平表驱动电路
IC7~IC11均采用LED电平表驱动电路TA7366P,图5为其内部电路结构示意图。在TA7366P内部,A0为电压放大器,对输入信号进行适当放大,放大倍数等于外接电阻R15与R14的比值,可通过改变R14或R15进行调节。A1~A5为电压比较器,其参考电压分别取自基准电压在内部电阻R1~R5上的压降,A5的参考电压最高,A1的参考电压最低,并按0dB、-3dB、-6dB、-11dB、-16dB的阶梯排列。当输入信号V\(_{i}\)大于A1的参考电压时,发光二极管VD1点亮;当V\(_{i}\)大于A2的参考电压时,VD1与VD2点亮;依此类推。可见,发光二极管点亮的个数与输入信号电平的高低成正比。将VD1~VD5垂直向上排列成为光柱,发光光柱的高低即表示了输入信号电平的高低。采用LED电平表驱动集成电路,大大简化了电路结构,提高了可靠性。

拾音电路和集成运放电压放大器的电路分析,可参阅本专栏前几期的有关文章。
三、制作使用要点
1. 制作时,在结构上可将五路、每路5个发光二极管排列成矩阵状,如图6所示。整个电路可置于一个立起的扁平外壳中,发光二极管矩阵置于前面板上,话筒BM应朝向后方。9V电源可用电池或外接整流电源。可制作 两只相同的外置式音频频谱显示器,分别用于左右声道。

2. 使用时,将外置式音频频谱显示器置于音箱前,调节灵敏度电位器RP1,使发光二极管矩阵随音乐信号动态显示即可。如调节RP1仍不能获得满意的灵敏度,可适当增大或减小R3的阻值,以提高或降低IC1的增益。
(门宏)