倒计时定时器的用途很广泛。它可以用作定时器,控制被定时的电器的工作状态,实现定时开或者定时关,最长定时时间为99分钟。在定时的过程中,随时显示剩余时间。它还可以用作倒计时计数,最长倒计时时间为99秒,由两位数码管直观显示倒计时计数状态。
一、电路图总体分析
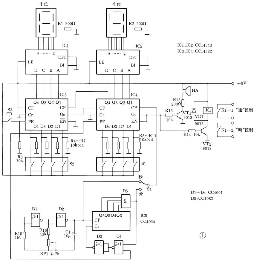
图1是倒计时定时器的电路图。电路中大量采用了CMOS数字集成电路,因此电路简洁,制作调试容易。该倒计时定时器主要技术指标为:(1)最大计时数99,计时间隔为1;(2)计时单位为秒或分,由选择开关控制;(3)倒计时初始时间可以预置;(4)两位LED数码管显示;(5)倒计时终了时有提示音;(6)同时具有“通”、“断”两种控制功能。

1. 电路结构特点。
图1电路中共使用了7块CMOS集成电路和两个晶体管,以集成电路或晶体管为核心,可将整机电路划分为以下单元(见图2):(1)IC3和IC4组成的两位可预置数减计数器;(2)S1、S2等组成的两位预置数设定电路;(3)IC1、IC2以及LED数码管等组成的两位译码显示电路;(4)D1、D2等组成的秒信号产生电路;(5)IC5、D5等组成的60分频器;VT1、VT2以及讯响器HA和继电器K1等组成的执行电路。S1、S2为预置数设定开关,S3为启动按钮,S4为秒/分选择开关。

该电路的信号处理流程略显复杂,它不是单一的从左到右,而是呈S状:图1下部秒/分信号产生电路信号流程为从左到右再向上;图1左上部减计数器等电路信号流程为从右到左,这样画法主要是为了符合两位显示数字的视觉习惯,即十位在左边,个位在右边,以便于分析电路;图1右部执行电路信号流程又为从左到右。
2. 整机简要工作原理。
倒计时定时器的核心是可预置数减计数器IC3、IC4,其初始数由拨码开关S1、S2设定;其输出状态由BCD码七段译码器IC1、IC2译码后驱动LED数码管显示。门电路D1、D2产生的秒信号脉冲,以及经IC5等60分频后得到的分信号脉冲,由开关S4选择后作为时钟脉冲送入减计数器的CP端。
当按下启动按钮S3后,S1与S2设定的预置数进入减计数器,数码管显示出该预置数。然后减计数器就在时钟脉冲CP的作用下作减计数,数码管亦作同步显示。当倒计时结束,减计数器显示为00时,输出高电平使VT1、VT2导通,继电器K1吸合,其常开接点K1-1闭合,接通被控电器;其常闭接点K1-2断开,切断被控电器。同时,自带音源讯响器HA发出提示音。
二、主要单元电路分析
1. 门电路多谐振荡器。
多谐振荡器不仅可以由晶体管或555时基电路组成,而且也可以用两个CMOS门电路组成。由于CMOS门电路输入阻抗很高,更容易获得较大的时间常数,尤其适用于低频时钟振荡电路。图1中D1、D2等组成多谐振荡器,产生秒信号脉冲,振荡周期T=1s。如图3所示,当B点由“0”变为“1”时,由于电容器C1两端电压不能突变,C点也为“1”,并通过R15使D1输入端为“1”。随着C1的充放电,C点电位逐渐下降,当降至CMOS门电路的阈值(约为1/2V\(_{DD}\))时,A点变为“1”,B点变为“0”,C点也为“0”,并开始反向充放电。如此循环形成振荡,振荡周期T≈2.2(R16+PR1)C1(s)。R15是补偿电阻,可提高振荡频率的稳定度。

2. 60分频器。
当倒计时定时器以“分”为计时单位时,需要每分钟1个脉冲的时钟信号,它是由秒信号经过60分频后得到的。60分频器由IC5、D5等组成,见图4(a)。IC5采用七位二进制串行计数器CC4024,Q1~Q7分别为图4(a)位计数单元的输出端。从图4(b)计数状态表可见,当第60个脉冲到达,计数状态为“0111100”时,与门D5输出一高电平使IC5清零,计数状态回复为“0000000”,并开始新的一轮计数。D5输出信号为输入信号f的1/60,实现了60分频。

3. 减计数器。
两位可预置数减计数器由两块CC14522组成。CC14522是可预置数的二-十进制1/N计数器,各引脚功能见图5。IC3、IC4的预置数输入端D1~D4的状态由拨码开关S1、S2设定,开关断开为“0”、闭合为“1”。
参看图1,当按下启动按钮S3时,高电平加至IC3和IC4的PE端,使设定的预置数进入计数器中,然后计数器就在时钟脉冲作用下进行减计数。当个位计数器(IC4)减到“0000”时,再输入一个时钟脉冲,就跳变为其最高位“1001”,其Q4端输出一“1”脉冲(可理解为借位信号)使十位计数器(IC3)减1。当十位计数器减至“0000”时,其OC端变为“1”,使个位计数器的CF端为“1”。当个位计数器再减至“0000”时,其OC端变为“1”,并使本位的EN端为“1”,计数停止。个位计数器的OC端为两位减计数器的输出端。
4. 译码显示电路。
两位减计数器的输出状态由译码显示电路显示。译码器IC1、IC2采用BCD-七段锁存译码集成电路CC14543,将减计数器IC3、IC4输出端(Q端)的4位BCD码(二-十进制8421码)译码后,驱动七段LED数码管显示。由于采用共阴数码管,所以IC1、IC2的DFI端接地。R1、R2为数码管限流电阻。
三、关于直流供电电路
整机使用+9V单电源工作。在电路图中,通常不画出数字集成电路的电源接线端,但在制作中千万不能忘记。图1中,所有数字集成电路的V\(_{DD}\)端应接+9V,VSS端应接地。
四、制作调试与使用要点
1. 制作与调试:
各数字集成电路引脚见图6。S1、S2采用4位拨码开关,见图7。HA采用3V自带音源讯响器。K1采用9V直流继电器。调试时,调节RP1使D2输出端振荡信号周期为准确的1s即可。
2. 使用:
(1)将秒/分选择开关S4置于需要位置;(2)在拨码开关S2(十位)和S1(个位)上设定预置时间数,均为“8421”码”,例如:“0101”=5,“1000”=8;(3)按一下启动按钮S3,两位数码管显示出预置的时间数,并开始递减;(4)当两位数码管显示“00”时,被控电器动作,同时讯响器发出提示音。
(门宏)