公寓楼的楼梯通道装上本文介绍的声光控楼道灯,天黑以后,当有人走过楼梯通道,发出脚步声或其它声音时,楼道灯即自动点亮,提供照明;当人们进入家门或走出公寓,楼道里没有声音时,楼道灯会自动关闭。在白天,即使有声音,楼道灯也不会点亮。因此,声光控楼道灯是一种智能灯具,既能满足夜晚楼道照明的需要,又能最大限度地节约电能。声光控楼道灯不仅适用于公寓楼,而且也适用于办公楼、教学楼等公共场所,还可以用于行人较少的小街小巷。声光控楼道灯电路简单、工作可靠、制作调试容易,适合广大电子爱好者自制。下面着重分析声光控楼道灯的电路图。
一、 电路图总体分析
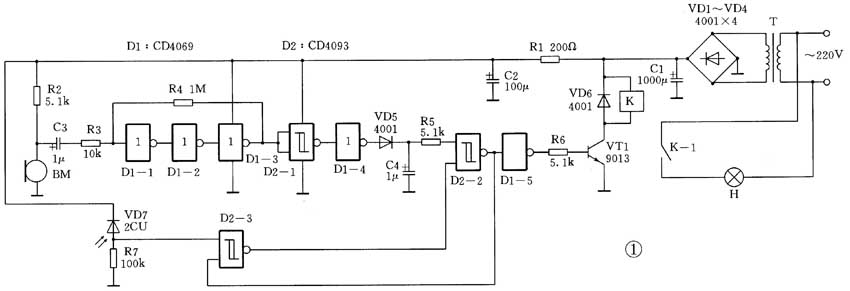
声光控楼道灯的电路图如图1所示,电路中的主要元器件使用了数字集成电路,结构简单,工作可靠性高。

1. 电路构成
顾名思义,声光控楼道灯就是用声音来控制电灯的开与关,因此,整个电路的功能就是将声音信号接收处理后,变为电子开关的开灯动作。图1中,位于左边的驻极体话筒BM负责接收声音信号,是整个电路的输入端,位于右边的继电器K负责控制电灯的开与关,是整个电路的最终负载,信号处理流程为从左到右。整个电路的直流电源由交流220V市电经降压整流滤波后供给,供电电路为从右到左。
明确了电路的信号流程方向后,即可依据主要元器件将电路划分为若干个单元。图1中左起依次为:驻极体话筒BM等构成的拾音电路,CMOS反相器D1-1、D1-2、D1-3等组成的交流电压放大器,施密特触发器D2-1构成的整形电路,电容器C4等组成的延时电路,以上电路组成声控电路部分。图1下部,光电二极管VD7等构成感光电路,施密特触发器D2-3构成光控门,以上电路组成光控电路部分。图1右边,施密特触发器D2-2构成控制门,晶体管VT1和继电器K等组成电子开关,以上电路组成执行电路部分。由此可以画出图2所示的方框图。
2. 基本工作原理
结合图2再来分析图1。声音信号(脚步声、讲话声等)由驻极体话筒BM接收并转换为电信号,经C3耦合至D1-1、D1-2、D1-3等组成的交流放大器进行电压放大,再经施密特触发器D2-1整形为陡峭的脉冲信号,通过D1-4倒相,VD5、C4、R5、D2-2等延时控制,使电子开关VT1导通,继电器K吸合,其接点K-1接通照明灯H的电源使其点亮。当声音信号消失后,由于延时电路的作用,照明灯H将继续点亮数十秒后才关闭。

以上所说是夜晚的情况。如果在白天,环境光较强,光电二极管VD7导通,通过光控门D2-3使控制门D2-2关闭,声控信号不起作用,因而照明灯H不亮。
二、 单元电路分析
以上分析了整体电路,下面逐一分析各主要单元电路工作原理。其中有些单元电路前几期《无线电》上已详细介绍过,不再赘述。例如:拾音电路可参阅第8期“对讲门铃”一文;整流滤波电路可参阅第5期“直流稳压电源”一文。
1. CMOS交流电压放大器
图1声控电路部分,放大器采用CMOS反相器组成。CMOS反相器是一种常用的数字电路,其输出与输入互为反相,一个为“1”,另一个为“0”。如果用一反馈电阻R将反相器的输出端与输入端连接起来,如图3(a)所示,情况会怎么样呢?这时,输出端与输入端既不是“1”也不是“0”,而是被偏置在大约1/2VDD的地方,见图3(b)曲线图中的“G”点。由于反相器从“1”到“0”的曲线有一定的斜率,而“G”点基本上位于这斜线的中间,因此“G”点就是CMOS反相器模拟运用时的工作点。
图1电路中,交流电压放大器由三个CMOS反相器D1-1、D1-2、D1-3级联组成。R4是反馈电阻,反馈量由R3与R4的比值决定。由于三级CMOS反相器具有极大的开环增益,因此该放大器的闭环增益仅取决于R4与R3的比值,而与反相器本身的开环增益无关。图1中,该放大器的放大倍数R4/R3为100倍(40dB)。改变R3或R4即可改变放大倍数。用CMOS反相器组成模拟放大器,具有电路简单、增益较高、功耗极低的优点,适用于小信号电压放大。
2. 施密特触发器整形电路
CMOS电压放大器输出的仍然是模拟信号,为了提高声控电路的触发可靠性,需要将模拟信号整形成为脉冲信号。整形电路由施密特触发器D2-1构成。D2-1是具有施密特输入特性的与非门集成电路,图1中将其两个输入端并接作施密特触发器用。当其输入端信号电压U\(_{i}\)上升到正触发电压V\(_{+}\)时,其输出为“0”;当其输入端信号电压U\(_{i}\)下降至负触发电压V\(_{-}\)时,其输出为“1”。经D1-4反相后,U\(_{i}\)≥V\(_{+}\)时输出为“1”,U\(_{i}\)≤V\(_{-}\)时输出为“0”,使接收到的声音信号变为边沿陡峭的控制脉冲。
3. 延时电路
因为楼道灯不能随着声音的有无而一亮一灭,而应持续照明一段时间,所以必须有延时电路。VD5、C4、R5以及D2-2的输入阻抗组成延时电路。当有声音时,整形电路反相器D1-4输出为“1”,经VD5使C4迅速充满电,D2-2输入端为“1”,这时后续电路工作(设D2-2另一输入端也为“1”)。当声音消失后,D1-4输出为“0”,由于VD5的隔离作用,C4只能通过R5和D2-2的输入端放电;又由于CMOS电路的输入阻抗高达数十兆欧,放电过程极其缓慢,在C4上电压下降到V-之前,D2-2输入端继续保持为“1”,实现了延时。延时时间与C4容量以及D2-2输入阻抗的大小有关,可通过改变C4来调整延时时间,图1电路中延时时间为30s左右。
4. 光控电路
为了使声控楼道灯在白天不亮灯,由光电二极管VD7等组成光控电路,R7是VD7的负载电阻。夜晚无环境光时,光电二极管VD7截止,R7上电压为0,经施密特触发器D2-3倒相后,光控电路输出为“1”,使声控电路工作。白天较强的环境光使VD7导通,R7上电压接近电源电压,D2-3输出为“0”,使声控电路不工作。
5. 电子开关
晶体管VT1与继电器K构成电子开关,当D2-2输出为“0”时,经D1-5倒相后使VT1导通,继电器K吸合,其接点K-1接通照明灯H的电源,使其点亮。当D2-2输出为“1”时,VT1截止,H熄灭。VD6是保护二极管,用以防止VT1截止的瞬间继电器线圈产生的反向电动势击穿VT1。
6. 智能逻辑控制
声光控楼道灯必须满足以下逻辑要求:(1)白天整个楼道灯不工作;(2)晚上有一定响度的声音时楼道灯打开;(3)声音消失后楼道灯延时一段时间才关闭;(4)本灯点亮后不会被误认为是白天。其智能逻辑控制系统如图4所示,逻辑控制原理如下:白天,光控电路输出端(B点)为“1”,本灯未亮故D点也为“1”,与非门D2-3输出端(C点)为“0”,关闭了与非门D2-2,此时不论声控电路输出如何,D2-2输出端(D点)恒为“1”,照明灯不亮。夜晚,光控电路输出端(B点)为“0”,D2-3输出端(C点)变为“1”,打开了与非门D2-2,D2-2的输出状态由声控电路决定。当有声音时,声控电路输出端(A点)为“1”,D2-2输出端(D点)变为“0”,使电子开关导通,照明灯H点亮。由于声控电路中含有延时电路,声音信号消失后再延时一段时间,A点电平才变为“0”,H熄灭。当本灯H点亮时,D点的“0”同时加至D2-3的另一输入端将其关闭,使得B点的光控信号无法通过。这样,即使本灯的灯光照射到光电二极管VD7上,系统也不会误认为是白天而造成照明灯刚点亮就立即关闭。
四、 制作与调试
1. 元器件选择
D1选用CMOS数字集成电路CD4069,其中包含有6个互相独立的反相器。由于本电路只用了5个,对于闲置的1个反相器,实际制作时应将其输入端接地(图5a)。D2选用CMOS数字集成电路CD4093,其中包含有4个互相独立的施密特与非门。对于闲置的1个与非门,制作时也应将其输入端接地,以免损坏(图5b)。K选用工作电压6V、工作电流不大于100mA的直流继电器,其接点负荷视照明灯H的功率而定。T选用5W、次级电压4.5V的电源变压器。

2. 调试
(1)接通电源,整流桥VD1~VD4输出端应有+6V直流电压。(2)调节R7,使R7上电压在VD7无光照时为0~1V,在VD7有光照时为5~6V。(3)用黑纸等遮住VD7,发出一短暂声音,监测D1-5输出端应为“1”电平,约30s后恢复为“0”电平。可改变R3以调节声控灵敏度,改变C4使延时时间符合自己的要求。
有关供货信息请与本期河北省
沧州市运东振华电子开发部
联系(见中间插页广告),该公司提供的“声光控开关”与本文介绍的电路相似。
(门宏)