对讲门铃不仅具有一般门铃的呼叫功能,而且它还具有通话功能。主人听到门铃响后,可以与来访者通话,了解来访者的身份和目的,以决定是否开门接待。本文介绍的对讲门铃,在待机状态时完全不耗电,两节电池可以使用很长时间。还具有电路简洁、工作可靠、声音洪亮、经久耐用等特点,非常适合爱好者业余自制。
一、电路图总体分析
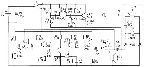
图1为对讲门铃电路图。由于该电路的特殊性,从图面上我们可能一时难以判断出其信号处理流程方向。在这种情况下,我们可以从功能分析入手,弄清楚电路的总体结构。

我们知道,在电路上,对讲门铃至少应具有呼叫和通话两大功能电路。在结构上,对讲门铃还应分为主机和分机,其间用外线连接。因此,我们可以判断出:图1中,外线上边的是分机电路,包括呼叫按钮S3、兼作受话器和送话器的扬声器BL2等;外线左边的是主机电路,其上半部分包含有蜂鸣器HA的是由晶体管VT5~VT7组成的呼叫电路;下半部分包含有话筒BM和扬声器BL1的是由VT1~VT4等组成的通话电路;挂机开关S2完成呼叫/通话功能转换。图2是对讲门铃的原理方框图。
待机时,由于手机挂在主机上压下了挂机开关S2,S2的o、a接点接通使3V电源正极接入呼叫电路,但此时3V电源负极与呼叫电路并不连接,呼叫电路不发声而处于待机状态。同时,S2的o、b接点断开而切断了3V电源与通话电路的连接,通话电路不工作。
当来访者按下分机(位于户外)上的呼叫按钮S3时,接通了主机(位于户内)上3V电源负极与呼叫电路的连接,呼叫电路工作,发出门铃声。当主人听到门铃声拿起主机上的手机后,挂机开关S2弹起,其o、a接点断开使呼叫电路断电而停止发声。与此同时,S2的o、b接点接通使通话电路得电工作,主人即可与来访者通话。通话结束后挂上手机,压下挂机开关S2使通话电路停止工作,同时呼叫电路恢复待机状态。
二、呼叫电路分析
呼叫电路包括:主机上的晶体管VT5和VT6构成的多谐振荡器、VT7构成的射极跟随器、蜂鸣器HA以及分机上的呼叫按钮S3,S3通过外线与主机相连接。呼叫电路结构如图3所示。
1.多谐振荡器
晶体管VT5和VT6构成自激多谐振荡器,产生760Hz的方波信号作为呼叫电路的信号源。图1中可见,VT5和VT6的基极都分别通过耦合电容(C7或C8)与另一晶体管的集电极相连接,形成正反馈环路。两晶体管轮流导通,工作于开关状态。R11、R12分别是两晶体管的基极电阻,R10、R13分别是两晶体管的集电极电阻。当VT5导通的瞬间,将C7左端接地(C7上已充有左正右负的3V电压),由于电容器两端电压不能突变,C7右端(VT6基极)变为-3V,迫使VT6截止。与此同时,C7开始通过R11放电,放电时间常数为R11·C7。随着C7的放电以及放电结束后的反充电,C7右端电位不断上升,当其达到VT6的导通阈值时,VT6导通,并通过C8迫使VT5截止。与此同时,C8开始通过R12放电,放电时间常数为R12·C8。如此周而复始形成振荡,振荡频率f≈1/
(1.4RC),式中:R=R11=R12,C=C7=C8,改变R或C即可改变振荡频率。图1中,f≈760Hz。
2.缓冲级
为了提高工作稳定性和驱动能力,在多谐振荡器后面接有一射极跟随器VT7,它既是缓冲级,又是电流放大级。射极跟随器电路前面已分析过,读者可参阅本刊今年第6期“音频信号注入/寻迹器”一文。当分机上的呼叫按钮S3被按下时,接通了呼叫电路的电源,多谐振荡器起振,从VT6集电极输出的760Hz方波信号,经VT7电流放大后,驱动蜂鸣器HA发出“嘟——”的声音,提醒主人有客来访。
三、通话电路分析
通话电路包括:驻极体话筒BM、扬声器BL2等构成的拾音电路,晶体管VT1~VT4组成的放大电路,转换开关S1构成的听/讲转换电路等。图1中,通话电路的信号处理流程方向,基本上仍然是按照从左到右的画法,其方框图见图4。
1.拾音电路
在主机中,由驻极体话筒BM担任送话器,R1是BM的负载电阻。在分机中,由扬声器BL2兼任送话器,BL2的工作状态受转换开关S1控制。
2.放大电路
包括VT1构成的输入级射极跟随器、VT2和VT3组成的双管电压放大器、VT4构成的输出级射极跟随器等,如图4中部所示。VT1的作用是缓冲和阻抗变换,以使分机上作为送话器用的扬声器BL2的低阻抗(8Ω)能与双管电压放大器的输入阻抗相匹配。VT4主要作电流放大,以提高放大器的带负载能力。关于双管电压放大器,读者可参阅本刊今年第6期“音频信号注入/寻迹器”一文的分析。
3.听/讲转换电路
对讲门铃只有一个放大电路,兼顾完成“来访者→主人”和“主人→来访者”的通话放大任务。因此,必须有一个听/讲转换电路来控制。转换开关S1的作用,就是实现听/讲功能的转换。S1是一个按钮开关,按下时,主人讲,来访者听;松开时,来访者讲,主人听。
4.通话电路工作原理
本对讲门铃,在户内主机的手机上,送话器和受话器是分开的,分别由驻极体话筒BM和扬声器BL1担任。而在户外分机上,则由扬声器BL2兼任送话器和受话器。当主人听到门铃响时,拿起手机并按住手机上的转换开关S1即可讲话,话音由驻极体话筒BM接收并转换成为电信号,经C1和S1-1的b、o接点至VT1基极,经VT1缓冲后送入VT2基极,由VT2、VT3进行电压放大,再由VT4进行电流放大,然后通过C5、S1-2的o、b接点和C6耦合至外线传输到分机,使分机扬声器BL2发声,来访者即可听到主人的讲话。当主人松开手机上的转换开关S1时,来访者即可对着分机讲话,话音由BL2接收并转换成为电信号,经C10、C6和S1-1的a、o接点至VT1基极,进行缓冲和阻抗变换、电压放大、电流放大后,通过C5和S1-2的o、a接点使扬声器BL1发声,主人即可听到来访者的讲话。
四、制作与调试
1.结构上的考虑
为使用方便,制作时,主机最好采用一只壁挂式电话机改制,其手机内的送话器和受话器分别作为BM和BL1,转换开关S1安装在手机上。利用该电话机上原有的挂机开关作为S2。分机的元器件安装在一个塑料小盒内。主机与分机之间的外线用普通双股绝缘导线即可。
2.电路调试
(1)调节R2,使R3上压降为1.5V。(2)调节R5,使VT2集电极电位为1V、VT3集电极电位为2V。(3)调节R8,使R9上压降为1.6V。其余电路无需调试。
(门宏)

