音频信号注入/寻迹器是一种较简单的常用仪器,可用于检修收音机、录音机、CD机、扩音机等音频设备,以及检修电视机、影碟机、家庭影院等设备的音频电路。音频信号注入/寻迹器实际上是两种仪器的结合:①信号注入器。通过仪器前端的探针,向被检修电路各级注入音频信号,以判断出故障所在。②信号寻迹器。通过仪器前端的探针,从被检修电路各级探寻音频信号,以判断出故障所在。下面分析音频信号注入/寻迹器的电路图。
一、电路图总体分析
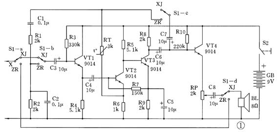
图1为音频信号注入/寻迹器的电路图。由于该仪器具有“信号注入”和“信号寻迹”两种功能,因此,我们首先可以判断出S1是功能选择开关,当S1置于“XJ”挡时,电路组成信号寻迹器;当S1置于“ZR”挡时,电路组成信号注入器。

图1中,S1指向“XJ”挡,电路组成信号寻迹器。我们知道,信号寻迹器的功能,是将被检测电路的音频信号放大后播放出来,因此,电路图左边的探针(X)是信号输入端,电路图右边的扬声器(BL)是最终负载,信号处理流程方向为从左到右。作为整机电源的电池(GB)在电路图的右边,因此直流供电电路方向为从右到左。该图符合电路图的通常画法,即将信号处理流程按照从左到右的方向排列,将直流供电电路按照从右到左的方向排列。读者今后分析电路图,一般均可先假定其画法是符合上述电路图的通常画法的。
二、信号寻迹器电路分析
从图1(S1指向“XJ”)可见,信号寻迹器电路的主要元器件是4个晶体管。以这4个晶体管为核心,可将电路图分为3个单元,从左到右依次为:①以晶体管VT1为核心的输入缓冲单元;②以晶体管VT2和VT3为核心的电压放大单元;③以晶体管VT4为核心的电流放大单元。以上单元电路组成了音频信号寻迹器的整体电路,图2为其方框图,其总的电路工作原理是:由探针X从被检测电路取出的微弱的音频信号,经VT1缓冲后送入VT2、VT3进行电压放大,再经VT4电流放大后推动扬声器BL发声。下面我们从左到右依次分析电路图各单元电路。

1. 输入缓冲单元电路分析
晶体管VT1与R3、R4等构成了一个射极跟随器,信号从VT1的基极输入,从其发射极输出。C3、C4分别为输入端和输出端的隔直流耦合电容。射极跟随器实际上是一个共集电极放大电路,输出信号由发射极电阻R4上取出,同时,R4又串联在输入信号回路中,将输出电压全部负反馈到输入端,因此,这还是一个反馈系数为1的电压串联负反馈放大器。由于深度负反馈的作用,射极跟随器具有:①很高的输入阻抗;②很低的输出阻抗;③电压增益略小于1,输出电压与输入电压同相;④电流增益等于晶体管电流放大系数。
射极跟随器作为整个仪器的输入级,由于其具有很高的输入阻抗,对被检测电路的影响极小,在被检测电路与放大电路之间起到了缓冲隔离作用。R3是偏置电阻,为VT1提供基极偏置电流。
2. 电压放大单元电路分析
晶体管VT2、VT3等构成双管电压放大器,对输入缓冲级送来的被检测信号进行放大。射极跟随器VT1输出的信号,由C4耦合至VT2基极,经双管放大器放大后,从VT3集电极输出并由C6耦合至后续电路。
双管放大器具有电压增益大、工作点稳定度高的特点。双管放大器由两级共发射极放大器直接耦合而成,总的电压增益等于两级电压增益的乘积。VT2的基极偏置电压不是取自电源电压,而是通过R7取自VT3的发射极电压(R9上的压降),构成了直流负反馈来稳定电路的工作点。例如,当由于某种原因造成VT2集电极电流上升时,由于直接耦合使VT3集电极电流下降,R9上压降也下降,通过R7反馈至VT2基极,迫使VT2集电极电流回落,从而保持了工作点的稳定。调节R7,可改变VT2与VT3的工作点。R5、R8分别为VT2、VT3的集电极电阻。R6是VT2的发射极电阻,可产生电流负反馈以进一步稳定本级工作点。
3. 电流放大单元电路分析
双管放大器输出的电压信号,要驱动负载(扬声器),还需要经过电流放大。晶体管VT4等构成电流放大器,其实质也是一个射极跟随器。前面分析已知,射极跟随器具有较大的电流放大倍数,电压放大倍数约为1,因此具有较大的功率增益,足以驱动扬声器发声。电位器RP用于调节音量大小。C8为隔直流耦合电容。R10是VT4的偏置电阻。
三、信号注入器电路分析
当图1中功能选择开关S1指向“ZR”时,电路构成信号注入器,可分为2个单元,从左到右依次为:①以晶体管VT1~VT3为核心的音频振荡单元;②以晶体管VT4为核心的输出缓冲单元。图3为其方框图,其总的电路工作原理是:振荡器(VT1~VT3)产生的音频信号,经射极跟随器(VT4)缓冲后,由探针X送入被检测电路。

1. 电路功能的转换
电路功能的转换,由功能选择开关S1完成。S1是四刀两挡开关,当S1从“XJ”转为“ZR”时(由信号寻迹器转为信号注入器),整个电路有以下变化:①S1-b和S1-c将反馈网络(C1、C2、R1、R2、RT)接入电路;②S1-a将探针X与VT1的连接切断;③S1-d将VT4的输出端接至探针X,而切断与扬声器BL的连接。
2. 音频振荡器电路分析
晶体管VT1~VT3等构成的音频振荡器,是一个典型的RC桥式振荡器,由RC电桥和放大器两部分组成,图4为其原理方框图。RC桥式振荡器具有体积小、易起振、振荡波形好、频率调节范围宽等优点,在低频振荡器中获得广泛应用。

(1)RC电桥。RC桥式振荡器是用RC电桥作反馈回路的振荡器。图4左半部分为RC电桥,电桥的左边是由C1、R1串联和C2、R2并联组成的两个臂,右边是由RT和R6构成的两个臂。放大器的输出电压Uo加到电桥的一个对角线AC,从电桥的另一个对角线BD取出反馈电压Ui送回放大器输入端。我们知道,形成振荡的相位条件是正反馈,即Ui与Uo同相。当RC一定时,电桥只在一个频率上满足这一点,因此,RC电桥具有选频作用,其频率f=1/(2πRC),式中:R=R1=R2,C=C1=C2。改变R、C的值,即可改变振荡频率f。图1电路中,f≈800Hz。
(2)放大器。RC桥式振荡器要求其放大器相移为0,且有足够的放大倍数。VT2和VT3组成的双管放大器,其输入与输出同相,可以满足这个要求。对放大器而言,电桥左边(C1+R1)臂和(C2∥R2)臂构成正反馈选频电路,右边RT臂和R6臂构成负反馈稳幅电路。R6同时还是VT2的发射极电阻。
(3)振幅的稳定。RC振荡器中的放大器必须工作在甲类放大状态,以保证良好的振荡波形,所以,RC振荡器不能像LC振荡器那样利用振荡管本身工作到非线性区域来保持振荡的稳定。可行的办法是在负反馈电路中采用热敏电阻。图1中,RT是负温度特性热敏电阻。当振荡器输出电压Uo增大时,通过RT的电流加大,RT温度升高而阻值减小,负反馈系数[R6/(RT+R6)]增加,放大器电压增益下降,把Uo拉低,使振荡趋于稳定。
(4)VT1的作用。射极跟随器VT1接在RC电桥与双管放大器之间,射极跟随器具有很高的输入阻抗,减轻了放大器对RC选频网络的影响,有助于提高频率稳定度。
3. 输出缓冲电路分析
输出缓冲电路的作用是隔离负载(被检测电路)对振荡器的不良影响。输出缓冲电路实际上是由VT4构成的一级射极跟随器,由于其具有很高的输入阻抗,对振荡电路的影响极小;同时又具有很低的输出阻抗,提高了振荡电路的输出驱动能力。通过RP可调节输出信号的大小。
四、直流供电回路分析
电路图的直流供电回路一般都是从右到左安排,因此,直流供电回路的分析也应从右到左进行。从电路图的最右边可见,整机采用9V电池为电源,从右到左依次为VT4、VT3、VT2、VT1供电。R10、R7、R3分别为各管的基极偏置电阻,改变它们即可改变相应晶体管的工作点。
五、制作与调试
各元器件如图1所示,无特殊要求。调试时:①将S1置于“XJ”挡位,调节R3,使R4上压降为5V;②调节R7,使R6上压降为1V、R9上压降为3.2V;③调节R10,使VT4发射极对地电压为4V;④将S1置于“ZR”挡位,调节RT,使起振且输出波形良好。如欲改变振荡频率,可改变C1、C2、R1、R2的大小。
(门宏)