为提高现有音响设备的听音效果,增加一只超重低音有源音箱,组成3D放音系统,往往可以取得事半功倍的效果。由于150Hz以下的低音波长很长,不具有明显的方向性,因此,用一只超重低音音箱与原有立体声音响设备相配合,即可欣赏到具有超重低音震撼力的影音节目。本文介绍一款结构简单、制作容易、工作稳定、效果良好的超重低音有源音箱,供爱好者自制。
一、 电路简要工作原理
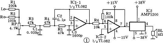
超重低音有源音箱电路见图1,它包括低通滤波器、缓冲放大器和功率放大器三大部分。取自原音响系统左、右音箱的L、R声道音频信号,经R1、R2混合后进入低通滤波器。由于R1、R2阻值很大,又是从扬声器端接取信号,所以不会对左、右声道的立体声分离度产生不良影响。电阻R3~R5、电容C1~C3、集成运放IC1-1等构成三阶巴特沃兹有源低通滤波器,具有每倍频程18dB的阻带衰减特性,转折频率为120Hz,将音频信号中的中高频成分滤除,只允许120Hz以下的低音信号通过。集成运放IC1-2构成放大倍数为10倍的缓冲放大器,既隔离了功放电路对有源滤波器的影响,又提高了驱动电压。IC2为功放集成电路,输出功率100W,完全能够满足家庭听音条件下对超重低音效果的要求。电位器RP用于控制超重低音音量的大小。

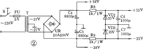
以上电路采用±15V和±38V电源电压。电源电路见图2,这是一个典型的整流滤波电源,其中,±15V电压是分别从±38V电压经简单稳压后获得的。

二、 元器件选择
有源低通滤波器IC1-1和缓冲放大器IC1-2,采用双运放集成电路TL082或LF353,该集成电路内含两个完全一样的运算放大器(图3),其输入级采用结型场效应管,具有很高的输入阻抗和较低的噪声系数。功率放大器IC2采用傻瓜型功放集成模块“皇后”AMP1200,额定输出功率为100W,仅有输入、输出、正电源、负电源和地5个引脚(图4),使用极为方便。如不需要如此大的输出功率,也可采用“傻瓜”175(输出功率75W)或150(输出功率50W)集成功放模块。电源变压器T采用150W、次级电压为双27V的普通电源变压器即可。组成有源低通滤波器的阻容元件R3~R5、C1~C3数值要准确,可采用精密的金属膜电阻和误差小的聚丙烯电容。滤波电容器C4~C7的耐压应为工作电压的两倍以上。扬声器BL采用阻抗8Ω、功率70~100W、口径6.5~12英寸(视音箱大小而定)的低音扬声器。其余元器件参数见电路图所标示。


三、 制作步骤与调试要点
制作时,首先制作印制电路板。电路板共两块,滤波放大电路的电路板如图5所示;电源电路的电路板如图6所示。其次按图示将各元器件焊入相应的电路板。第三步,用2~3mm厚的铝合金板制成一底座。然后如图7所示,将电源变压器T、集成功放模块IC2以及两块电路板固定在底座底板上。“皇后”功放模块背面的金属板已与其内部电路隔离,可以直接固定在铝合金底板上,并应保持紧密接触,以利用铝合金底板作为功放模块的散热板。音量电位器RP和电源开关S固定在底座的前面板上。信号输入接线柱和电源保险丝固定在底座的背后,并应与铝合金底座绝缘。这样,整个超重低音电路部分形成了一个整体结构,既便于装入音箱,也便于日后维修。

电路组装完成,检查无误后,即可通电调试。首先检测电源电路,±15V和±38V电压应符合要求。其次检测功放模块IC2的无信号静态电流,应不大于45mA。第三步检测无信号时IC2输出端电压,应小于0.05V。其它部分无需调试。
四、 关于音箱的选择与改造
上述超重低音电路,可配接任何类型的低音音箱。虽然倒相箱的重放下限频率一般低于密闭箱,但是倒相箱的设计、制作和调试都较复杂,瞬态响应较差。相对而言,虽然密闭箱重放下限频率比倒相箱稍高,但其设计、制作和调试都较简单,而且频响曲线下降平缓,瞬态响应好,更适合与超重低音电路配合组成超重低音有源音箱。
音箱既可自制,也可用原有音箱改造。如图8所示,在原音箱的扬声器四周,加入四根加强支柱,可有效防止箱体共振。在原音箱的下部隔出一块地方,用于安放电路部分。隔板以上的箱体部分应做到密不漏气,如原音箱是倒相箱,则应将所有倒相孔封闭。箱体内放入适量的泡沫海绵等吸音材料。扬声器的引线通过隔板上的小孔连接到功放模块,小孔可用橡皮泥等封住,以保证音箱箱体的气密性。在音箱放置电路部分的底部和后面,可开一些散热孔,以利于电路部分的散热。
使用时,用绝缘导线将原音响左、右音箱接线柱,与超重低音有源音箱的左、右声道输入接线柱连接起来,接通交流电源,打开电源开关,调节超重低音有源音箱上的音量旋钮,使超重低音的音量符合听音要求即可。由于超重低音已不具有方向信息,所以可将超重低音有源音箱置于室内任意地方,而不会影响立体声听音效果。
(门宏)