多用遥控器仅用一只小巧的具有4个按键的遥控器,就可以随心所欲地控制多达15路的家用电器。多用遥控器具有以下特点:(1)控制距离远。采用无线电遥控方式,可以超视距遥控,控制距离大于50m。(2)安全可靠。采用数字编码、解码技术实施遥控,不重复率达数十万组,具有很强的抗干扰能力。(3)体积小、重量轻。手持遥控器仅火柴盒大小、数十克重。(4)使用方便。15路接收控制电路不必组装在一个机箱内,可以根据需要分散在各个家用电器附近,或直接置于家用电器外壳内。
一、 简要工作原理
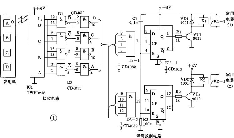
多用遥控器整机电路见图1,它包括发射机和接收控制电路两大部分。发射机采用成品微型无线电遥控发射机,发射机上有A、B、C、D四个按键,分别代表8421码中的1、2、4、8数码,按键按下为“1”、不按为“0”。四个按键组成4位二进制控制代码,并通过无线电发射出去,遥控15路家用电器(见附表)。


接收控制部分包括接收电路和译码控制电路。接收电路采用了与发射机相配对的接收解码模块TWH9238(IC1),将发射机发出的编码遥控信号接收并解码为与发射机完全一致的二进制代码。与非门D1、D2的作用,是使接收电路同时输出4位二进制代码的原码和反码。
译码控制电路由与门D3和D型触发器IC2等组成(图1中画出了2路)。IC2-1构成双稳态触发器,其触发端受与门D3-1的控制。D3-1的四个输入端,根据需要分别接至接收电路输出的二进制代码的原码或反码,当相应的遥控代码出现时,D3-1输出一正脉冲触发IC2-1翻转,通过驱动三极管VT1使继电器动作,控制该路家用电器开启或关闭。本电路采用了“乒乓开关”式控制方式,同一代码,按一次为“开”,再按一次为“关”,依此类推。
一个接收电路可以连接多达15路译码控制电路。如果译码控制电路需要分散在几处,则每一处都应有一个接收电路,如图2所示,一个接收电路和若干个译码控制电路组成一个单元。

二、 元器件选择
发射机和接收解码模块IC1,采用内藏天线式微型无线电遥控组件。发射机选用具有4个按键的。接收解码模块选用TWH9238。发射机和接收解码模块的内部编码厂方已配对设置好,如需要若干个接收解码模块,购买时应向厂方明确要求,以保证用一个遥控器可以遥控15路家用电器。
继电器选用工作电压6V的小型直流电磁继电器,其触点负荷应根据被控家用电器的电压、电流确定。其余元器件见图1。
三、 制作与调试要点
多用遥控器采用模块化结构,以便于爱好者根据自己的需要灵活组合。由于发射机采用了成品,无需再制作,因此,制作与调试主要是指接收部分。可按以下步骤进行:
1.制作印制电路板。图3为接收电路的印制板图,如有若干个接收单元,则每一单元需制作一块接收电路板。图4所示为两路译码控制电路的印制板图,应根据控制的路数确定印制板的数量。因为CMOS集成电路CD4082中包含有两个4输入端与门,CD4013中包含有两个D型触发器,将两路译码控制电路制作在一块印制板上,可以充分利用元器件。如需要制作单独的一路译码控制电路,可将CD4082、CD4013的另一半闲置不用。
2.组装电路板。按照电路图和印制板图,将各元器件焊入印制板。接收解码模块TWH9238无引出端的三面不能靠近金属物体(图5),以免影响遥控效果。

3.连接代码引线。将每一路译码控制电路的与门的4个输入端,根据附表所确定的代码,用导线连接到接收电路输出端的相应接点。例如,第1路的代码为“0001”,则其4个输入端分别接D-、C---。一个单元内的所有译码控制电路的与门输入端,均按其代码接至本单元的接收电路。
4.检测调试。本机电路一般无需调试,接上6V直流电源即可正常工作。按动发射机上的按键,相应的某路继电器应该动作。如不正常,可重点检查控制代码引线是否接错?集成电路引脚顺序是否弄颠倒了?三极管或二极管的极性有否搞错?电路有无虚焊?等等。
5.整机结构和电源。每个单元的印制板安装在一个机壳中,置于被控家用电器附近的电源插座旁;也可以不用机壳,而将电路板直接置于被控家用电器内,使被控家用电器的电源受遥控电路继电器的控制即可。接收控制电路的电源,可以使用整流稳压电源或电池,也可以使用被控家用电器本身的电源。
使用时,根据欲控制家用电器的代码,同时按下遥控器发射机上的相应按键,即可遥控该家用电器的开或关。由于按键不按下即为“0”,因此只需按下代码中为“1”的按键。例如:某家用电器的控制代码为“0110”,则只需同时按下发射机上的C、B按键,即可遥控该家用电器。
(门宏)