在离家很远的外地能够遥控家里的电器设备吗?能!本文介绍的“电话遥控器”就能够实现这个目的。只要将电话遥控器并接在家里的电话线上,你就可以随时随地通过电话远距离遥控家用电器。电话遥控器具有以下特点:1.适用范围广 无论是家庭、办公室,还是工厂、实验室,只要是通电话的地方,都可以使用。2.控制距离远 不论长途短途,也不论国内国外,只要打通电话,就可以实施遥控。3.使用方法灵活 可以使用普通电话、IC卡电话、手机等进行遥控。4.安全可靠 使用两位数DTMF编码控制,工作稳定,保密性强。5.无干扰 对电话、传真、计算机上网等通信业务无任何影响。6.安装方便 只需将其并接在电话线上,接通交流电源即可。
一、电路简要工作原理
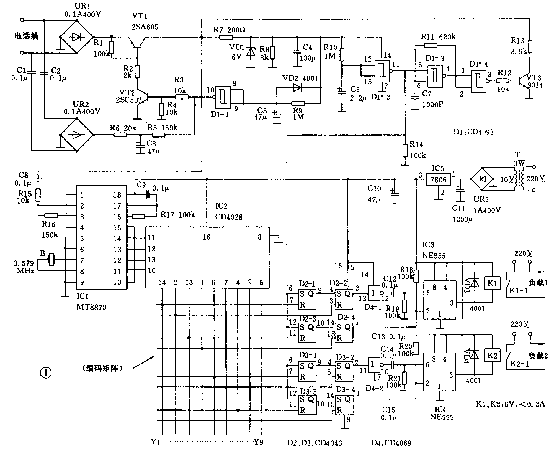
电话遥控器电路图见图1。整机电路包括:晶体管VT1、VT2、施密特门D1等组成的模拟提机电路;集成电路IC1、IC2等组成的解码译码电路;RS触发器D2、D3、集成电路IC3、IC4、继电器K1、K2等组成的控制执行电路;变压器T、集成稳压器IC5等组成的电源电路。

当有电话呼入时,交流振铃信号经整流全桥UR2整流成为直流电压,R6、C3延时后,使晶体管VT2导通,并进而使电子开关VT1导通,实现自动提机。在稳压管VD1上产生+6V直流电压,使施密特与非门D1得电工作。一方面,D1-1、R9、C5组成延时控制电路,输出约60s的高电平,维持VT1导通。另一方面,D1-2输出3s高电平,作为译码电路的复位信号,并使D1-3、D1-4、VT3等组成的提示音电路产生3s的1.5kHz音频提示音信号。
当用户通过电话机发出双音多频编码(DTMF)控制信号时,经电话线、UR1、VT1、C8、R15传输耦合至IC1(MT8870)输入端。MT8870是双音多频解码专用集成电路,将接收到的DTMF信号解码为四位二进制码(BCD码)送入译码电路IC2(CD4028)。CD4028是BCD码—十进制码译码器,将输入的BCD码译码后输出,译中者为“1”。本制作中只使用其Y1……Y9输出端。
为保证电话遥控的安全性和保密性,任一执行电路的开与关,均采用两位数密码控制。图1中,D2所含的四个RS触发器与IC3组成第一路控制执行电路;D3与IC4组成第二路。以第一路为例,IC3(555时基电路)构成双稳态电路,其输出状态受D2-1、D2-2“开”密码检测电路和D2-3、D2-4“关”密码检测电路的控制。当检测到两位数的“开”密码时,使IC3③脚输出为“0”,继电器K1吸合,其触点闭合使负载工作。当检测到两位数的“关”密码时,使IC3③脚输出为“1”,继电器K1释放,使负载停止工作。
在IC2(CD4028)的9个输出端与各密码检测电路输入端之间,有一个编码矩阵。通过改变编码矩阵的连接点,即可改变各路“开”、“关”的密码。例如图1所示,第一路的“开”密码是12,“关”密码是34;第二路的“开”密码是56,“关”密码是78。
二、元器件选择
IC1选用MT8870、CM8870等双音多频解码集成电路。VT1、VT2要求耐压大于150V、电流大于50mA。全桥整流器UR1、UR2要求为0.1A 400V,UR3要求为1A 400V,也可用1N4004等整流二极管代替。C1、C2要求耐压160V以上。K1、K2选用工作电压6V、工作电流小于200mA的直流继电器,其触点负荷根据负载要求选择。其余元器件参数见图1。
三、制作与调试要点
第一步,按图2制作一块印制电路板。在电路板上钻元器件安装孔时应注意,各集成电路引脚的安装孔位置一定要准确,以免造成安装困难。

第二步,对照图1、图2,将各元器件焊入电路板。焊接前应对各元器件引脚进行清洁并上锡,以确保无虚焊。焊接集成电路、特别是CMOS集成电路时,电烙铁应可靠接地,焊接时间不宜过长,以免损坏集成电路。
第三步,设定密码。根据自己选定的各路“开”、“关”密码,在编码矩阵中,用跳线将相应的点连接起来。密码为两位不相同的1~9数字,0不用。
第四步,模拟调试。整机电路安装焊接完成,检查无误后,无不接入电话线和交流220V电源。准备一台12V直流电源和一部双音频电话机。按照图3所示,双音频电话机一引线串接一200Ω/1W电阻后接至VT1的集电极,另一引线接地。12V直流电源负极接地,正极引出A、B两根引线,A引线接至集成稳压器的输入端,B引线接至VT1集电极。当B引线接通时,应能在电话机中听到1.5kHz的提示音。从电话机上按入第一路“开”密码,继电器K1应吸合;按入第一路“关”密码,K1应释放。按入第二路“开”密码,K2应吸合;按入第二路“关”密码,K2应释放。

第五步,选取一个合适的机壳。电话线接入端可采用电话专用接口。负载连接端可采用普通电源插座。
四、使用方法
将电话遥控器接好电话线和交流220V电源,受控家电的电源插头插入电话遥控器的负载插座,系统便准备好了。遥控时,拨通电话,当振铃声响约过3声后,可听到3s的提示音。提示音结束后60s内,拨出两位数的“开”或“关”密码,便可实现对相应家电的远距离遥控。60s钟后,电话遥控器自动挂机,如还需遥控,应重新拨通电话。
当与电话遥控器并接在一起的电话机、传真机、上网计算机使用时,并不影响被遥控家电的工作状态;电话遥控器也不会影响电话机、传真机、计算机的工作。
如欲遥控更多的家电,只需相应增加由RS触发器、555时基电路和继电器组成的控制执行电路的路数,并为其设置相应的密码即可。
注:集成电路MT887D或CM8870,可向广东省潮阳市立星电器有限公司邮购,电话:0661-4481998。(门宏)