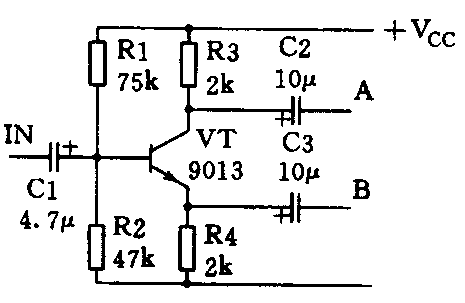
附图所示的放大电路,信号从IN端输入,以A端或B端输出。试问,当从A端输出时电路是共发射极组态、共基极组态还是共集电极组态呢?若以B端输出时呢?

解答
我们所说的共发射极电路、共基极电路或是共集电极电路指的是晶体管电路中交流输入和输出信号的公共端点(即交流接地点)问题。如果公共端点接在集电极上,就是共集电极电路,同样的道理,如果接在基极上就是共基极电路,接在发射极上就是共发射极电路。因此要区分这三种电路类型就需要分辨电路的交流状态。
大家知道,传递电信号必须构成一个回路,对于三极管来讲,就必须至少同时接入4条线。其中两条输入,另两条输出。可是三极管一共才三个电极,如何应付4条线呢?所以必定有两根线是公共的,问题是哪两根公共呢?显然只能是输入和输出的地线,所以只要找到三极管的信号输入和输出电极,那么余下的电极必定是交流公共端(交流地),就是说,如果信号从基极加入,从集电极取出,那么就是共发射极电路。
在如图电路中,信号从基极加入,当从A点(即从集电极)取出信号时,余下的是发射极,因此是共发射极电路,而从B点取出信号时就是共集电极电路了。
区分这三种晶体管连接组态有什么作用呢?晶体管的这三种连接有不同的输入电阻,输出电阻,电流、电压增益等指标,对于不同的电路要求用不同的电路形式,才能达到比较好的效果。
顺便说一句,图示电路在实际使用时可以从A、B两端同时输出相位相反的信号,常称为相位分割电路。(孙斌)