■采用SMBus串行接口的RWM风扇控制器及远端温度控制器MAX1669(20页)
应用领域:CPU冷却、台式计算机、笔记本式计算机、服务器、工作站等。
主要特点:远端测量CPU的温度;无需标定;20Hz~160HzPWM输出;PWM频率可与输入频率同步(260kHz);支持SMBus二线串行接口;上下限温度可编程报警;在-40℃~+125℃范围内精度为±3℃;在自动变换模式时最大耗电100μA;工作电压+3V~+5.5V。
封装形式:16脚QSOP封装。
应用电路:典型应用电路如附图。

生产厂家:美国MAXIM公司(www.maxim-ic.com)。电话:8008100310、(010)62010598。
■1A降压式开关电源MIC4680(14页)
应用领域:电池充电器、负电压升压变换器、1A开关电源等。
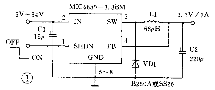
主要特点:SO-8封装的器件组输出电流可达1.3A;仅外接4个贴片式元件;工作频率200kHz;有3.3V、5V固定输出及可调整输出三个品种(分别为MIC4680-3.3BM、MIC4680-5.0BM及MIC4680BM表示);输入电压范围极宽,在4~34V范围;有关闭模式,在关闭模式时耗电仅2μA;效率高达90%;有过热关闭及过流保护;工作温度范围为-40℃~+125℃。
封装形式:8脚SOP封装。
应用电路:典型应用电路如图1、图2所示。图1为固定输出电路,图2为输出可调电路,输出电压U\(_{OUT}\)=1.23(1+R1/R2)。VD1必须用肖特基二极管。


生产厂家: MICREL公司(www.micrel.com)。
■ CPU监控器/复位控制器S42WD42(15页)
应用领域:该器件基本结构为复位+看门狗+E\(^{2}\)PROM,主要用于CPU管理器、单片机系统。
主要特点:具有双复位I/O,可提供精确的双电压监控,一个为高电平有效,另一个为低电平有效;提供二级电压监控输出;利用V\(_{LOW}\)输出信号来监测VSENSE是否低于阈值;为CPU提供中断信号;为双电源系统提供复位信号;看门狗计时器1.6秒自动复位;E\(^{2}\)PROM为4K,擦写次数百万次,数据可保持100年。
封装形式:8脚PDIP或SO封装。
生产厂商:SUMMIT公司(www.summitmicro.com)。
代理商:北京三誉有限公司(www.mynet.com.cn)。
■700mW单电源音频功率放大器TPA711(31页)
应用领域:小型便携式VCD等视听设备、多媒体电脑等。
主要特点:工作电压低,可在3.3V或5V电压下工作;电源工作范围宽(2.5~5.5V);输出功率在5V工作电压时为700mW(BTL,R\(_{L}\)=8Ω),在3.3V工作电压时为250mW(BTL,RL=8Ω);有关闭控制,在关闭状态时耗电7μA(V\(_{DD}\)=3.3V),50μA(VDD=5V);有BTL到SE控制;有开机去爆裂声电路;有过热及短路保护。
封装形式:8脚SO封装,管脚排列如图1所示。

应用电路:典型应用电路如图2所示。

生产厂商:美国德州仪器公司(www.ti.com)。
办事处:北京(010)65138056;上海(021)63509566。
代理商:武汉力源电子股份有限公司(www.p8s.com)。
■5V/300mA高效电荷泵变探器TPS60130/TPS60131/TP60132/TP60133(22页)
应用领域:电池供电的电子产品,三节电池输入4.5V的稳压电源或3.3V转换为5V的电源;一节锂-离子电池输出+5V;电池供电的微处理器系统;PDA(个人数字助理)、掌上电脑,便携式仪器及医疗仪器等。
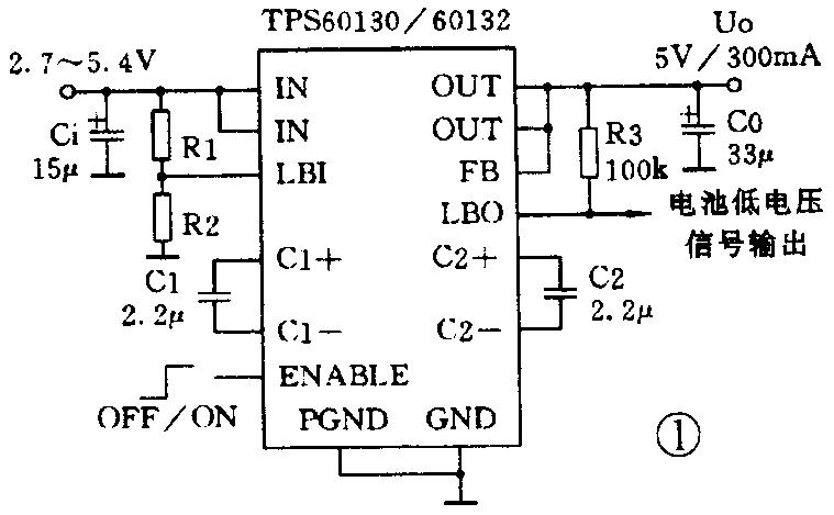
主要特点:输入电压2.7~5.4V时,其转换效率可达90%;输出电压精度5V±4%,输出电源可达300mA(TPS60130/60131);仅需接四个电容器,无需电感器;静态工作电流小(典型值为60μA);有关闭控制,关闭状态时耗电仅0.05μA;组成的电源尺寸小;工作温度范围-40℃~+85℃。
封装形式:20引脚 PowerPADTM封装。
应用指南:TPS60130/60131输出为300mA,TP60132/60133输出为150mA(3V输入)。TPS60130/16032有可设定电池低电压信号输出而TPS60131/60133有电源工作状态信号输出。
生产厂商:美国德州仪器公司(www.ti.com)。
■ 150mA低压差线性稳压器MIC5245(10页)
应用领域:蜂窝电话、电池供电的设备、掌上电脑、消费类电子设备等。
主要特点:压差低,在100mA输出电流时典型值为100mV;噪声低,典型值为30μV\(_{rms}\);有电流限制、过热关闭保护;线性调整率±0.3%/V;负载调整率2.0~3.0%;有选通端;瞬态响应快;工作温度范围宽,-40℃~+125℃。
封装形式:5脚SOT-23封装。
应用电路:典型应用电路如附图所示。

应用指南:该型号输出电压从2.5V到3.3V共7挡,分别由后缀表示。选通电压高于1V,关闭低于0.4V。
生产厂商:MICREL公司(www.micrel.com)。
■超高亮度LED AND520HB/HG/HW(2/2/2页)
应用领域:交通标志灯、汽车高置刹车灯、高亮度数码管(大型)、大型LED显示屏、广告屏等室外工作场合。
主要特点:工作电流1~20mA;在20mA时蓝色亮度为1400mcd,绿色亮度为5000mcd,白色亮度为3300mcd(一般亮度的LED在10mcd以下而且没有白色的LED);响应时间快;高可靠性;工作温度范围为-40℃~+85℃。
封装形式:ф5×8.6mm透明树脂封装。
应用指南:后缀为HB者为蓝色,HG者为绿色,HW为白色。工作电流I\(_{F}\)取1~20mA(IFmax=30mA)。蓝色及绿色的正向压降3.5~4.0V、白色的正向压降3.6~4.0V(这是与一般的LED不同之处)。
生产厂商:Purdy Electronics公司(www.purdyelectronics.com)。
■双通道热插拔控制器/电源顺序器LTC1645(24页)
应用范围:热插拔、电源顺序器、电子电流断路器。
主要特点:安全热插拔;可编程电源顺序启动;可编程电子电流断路器;可编程上电电压斜率;工作电压1.2~12V;可保证上电的特性;低压锁存;工作温度范围为-40℃~+85℃(LTC1645I),0~70℃(LTC1645C)。
封装形式:8脚SO及14脚SO封装。
应用电路:典型应用电路如附图所示。适用5V及3.3V两种电源热插拔用。图中为8脚SO封装器件。

生产厂商:线性技术公司(www.linear-tech,com)。

