在电冰箱中一般都装有用来设定冷藏室温度的温控器,它通过温度传感器检测冷藏室内的温度,适时自动控制制冷压缩机的启动和停止,使压缩机根据冷藏室的温度变化完成间歇制冷工作。当冰箱温控器出现故障时,常会造成压缩机连续运转不停,此时就要更换有故障的温控器,但如果未能及时购买到合适的温控器,冰箱又不便长时间停用时,不妨采用本文介绍的“时控式开关电路”作应急处理,将冰箱压缩机由“机内温度控制”暂时改为由本电路进行“机外时间控制”。本电路不仅具有开、关时间可独立调节,分别控制的功能,还可以倒计数的方式显示开或关的剩余时间,通过分别调节设置并和关时间便可以控制冰箱压缩机的启动和停止时间,因而可使该故障的冰箱维持正常工作,避免压缩机失控而长时间连续运转可能造成的严重损坏,待购买到合适的温控器后再将其更换。
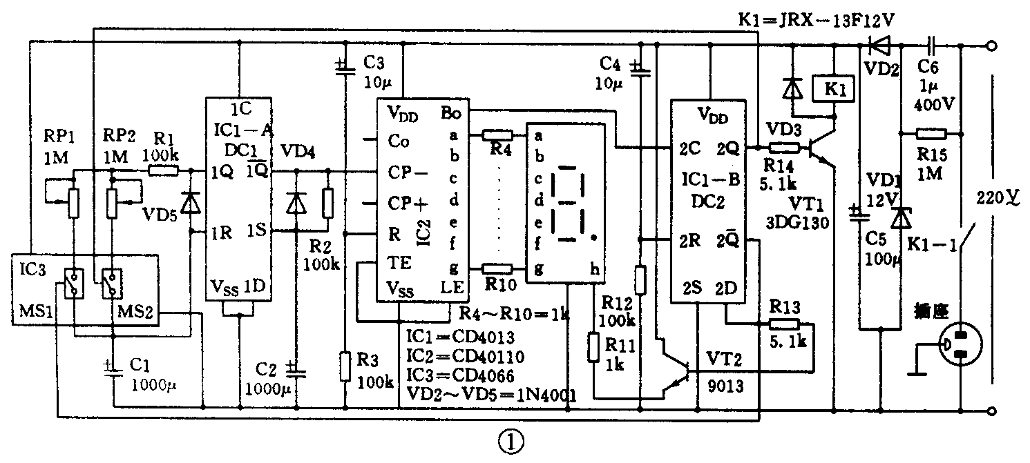
电路如图1所示。工作原理:IC1是一片CMOS“双D触发器”电路芯片,在该芯片中包含有两个相同且独立的D触发器(以下分别简称其为DC1、DC2),其中DC1被接成了一个“占空比可调的超低频振荡器”,振荡频率由RP1或RP2进行调节,DC2被接成了一个“计数式触发器”电路,其2Q输出端通过VT1驱动继电器K1的吸合与释放,继电器接点则控制着电冰箱的加电和断电。IC2是一片具有“十进制可逆计数、锁存、译码、显示驱动”功能的“四合一”集成电路,这里将其接成减法计数器使用,其CP-输入端接至DC1的1Q-端,对DC1输出的脉冲进行减法计数。IC2的各译码输出端分别经限流电阻接至七段数码管的对应端上,用于进行倒计数显示。IC2的B\(_{o}\)(借位端)被接至DC2触发器的触发输入端上,这样,每完成一个十进制减法计数周期,DC2就会被触发翻转一次,输出状态也就随之变化一次。IC3是一片“四模拟开关”芯片,这里仅用其中的MS1和MS2,分别控制适时将RP1或RP2接入电路,用于实现电路开或关时间的独立调节和分别控制,其闭合与否受控于DC2的2Q端和2Q-端电位状态。C6、R15、VD1、VD2等元件组成了典型的电容降压式稳压电源,可为电路提供12V的直流工作电压。在使用时,将电冰箱的电源插头插在本电路的“插座”中,由本电路控制电冰箱的加电与否。在电源刚接通的瞬间,由于C3、R3和C4、R12的作用,将使IC2和DC2自动复位,DC2的2Q端输出为低电位,VT1截止,K1不吸合,插座中无电,电冰箱不工作。此时2Q-端为高电位,使MS1模拟开关闭合,RP1被接入电路并控制DC1的振荡频率。同时,VT2导通,数码管上的小数点被点亮,表示目前输出电路处于“关”的状态。随着计数脉冲的不断输入,数码管从0、9、8、7……2、1显示变化,当显示从1变成0的同时,IC2的借位输出端将输出一脉冲信号,使DC2翻转量1,则Q2输出变为高电位,使VT1导通,K1吸合,K1-1接点闭合,插在“插座”中的电冰箱得电,冰箱压缩机运转,开始制冷工作。此时,2Q-端变为低电位,则MS1断开,VT2截止,数码管上的小数点熄灭,表示此刻输出电路处于“开”的状态。同时,2Q端输出的高电位,使MS2模拟开关闭合,则RP2被接入电路并控制DC1的振荡频率。经若干分钟的计数延时后,IC2的借位输出端将再次输出脉冲信号,使DC2再次翻转置0,Q2端恢复输出低电位,则VT1截止,K1释放,K1-1断开,电冰箱断电。再经若干分钟的计数延时,待IC2的借位输出端再次输出脉冲信号时,将使DC2再次翻转置1,Q2又将输出高电位,再次使VT1导通,K1吸合,K1-1接点闭合,插在“插座”中的电冰箱又得电,冰箱压缩机运转,开始制冷工作……。由此周而复始的循环,使电冰箱工作在间歇状态。由上可知,DC1的振荡频率是在DC2置0或置1时由RP1和RP2分别进行控制的,分别调整RP1、RP2的阻值就可以使冰箱断电或加电的时间得到调整设置。例如:可以调节RP2将冰箱加电的时间设置为15分钟,调节RP1将断电的时间设置为20分钟。设置完成后,电冰箱就会按照每隔20分钟加电15分钟的周期自动运转,在使用中还可根据环境温度及冰箱内食物的多少,随时调整冰箱加、断电的时间周期,保证冰箱的正常使用。

元器件选择:IC1~IC3的型号分别如图1中所示,其外引线排列如图2~图4所示。K1用额定电压为12V的JRX-13F型继电器(为提高触点容量,可以将两组常开触点并联使用)。C1用耐压为400V、容量为1μF的油浸式电容器。RP1和RP2选用0.5~1W的带柄电位器。其余元器件规格均如图1中所示。实际制作时,整个电路可以安装在一个大小适当的塑料或木质机壳内,在面板上留出数码管的显示窗口,再将RP1和RP2安装固定在面板上,为其配装上旋钮并在面板上标注出时间刻度,以方便调节设置时间。最后将与冰箱插头相对应的三芯电源插座安装固定在机壳的后面板上,接好连线即可。本电路只要元器件正常,焊接准确无误,即可投入正常工作使用。(光 军)


