(应杭)美国国家半导体公司最新推出的专用于低音功率放大输出的D类集成电路套件LM4651(调制控制与驱动)和LM4652(功率输出),有别于模拟功放集成电路,其主要特点是:
高效率——电路工作于开头状态,使输出功率的工作效率能达到85%,最高可达90%。与同等输出功率的模拟功放集成电路组合相比,不仅大大降低了散热器面积,还显著减小了电源变压器的功率余量和体积。
大功率——单片LM4652最大能输出170W有效功率。当负载为4Ω时,允许1%的失真度,连续输出最大135W的有效功率,比一般大功率集成功放有大幅度地提高,且仅仅使用±22V的直流电源。
LM4651+LM4652的性能指标列于附表,供参考。

与一些性能优良的模拟功放一样,LM4651+LM4652内部也含有短路保护、过热保护和待机(静音)电路系统,还具有D类功放独有的欠压保护和过调保护功能。系统的许多重要参数可以根据需要自行设置。由于它专门设计用于(重)低音信号的功率放大,故信号工作频率界定在10Hz~500Hz。它使我们不只是研究、讨论有关方案,而是可以真正进行制作D类功放的实践和应用。该集成电路套件被推荐应用在家庭影院音响系统、高级汽车音响系统和有源音箱系统中的重低音重放。它甚至被建议在军事和航空等特殊领域进行应用。其主要的工作原理、性能及参数设置在下面予以介绍。
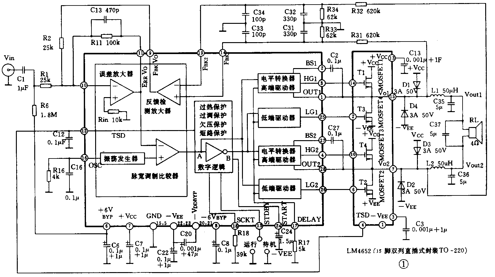
LM4651是一个音频信号脉宽调制和输出驱动集成电路,如图1所示。它内部的“振荡发生器”输出的三角波与来自“误差放大器”的模拟音频信号进行比较,在“脉宽调制比较器”输出端产生一个其脉宽变化与音频信号幅值成比例的可变脉宽方波,见图2。此方波通过“数字逻辑电路”在A节点和B节点分别输出反相的方波。在音频信号的前半周(正电压),脉宽调制方波的占空比小于50%,A节点的方波信号通过高、低二个驱动器,在②脚、输出,驱动H桥功放集成电路LM4652的MOSFET1和MOSFET2同时随方波脉冲饱和导通,输出瞬时脉冲电压Vo1-Vo2=+V\(_{CC}\)-(-VEE)=+2V\(_{CC}\)。在音频信号的后半周(负电压),MOSFET3和MOSFET4导通,Vo2-Vo1=-VEE-V\(_{CC}\)=-2VCC。M4652的H桥输出脉宽调制电压经过L1、C35、L2、C36和C37组成的LC网络,滤除高频成分,在负载端得到与输入模拟信号相似、放大了的电压。由于调制频率(100kHz级)大大高于低音信号频率,调制精度可以做得很高,输出高、低频分离容易,失真度较低。


以下对一些功能电路作简要说明。
①电路的负反馈——LM4652的H桥二路输出电压Vo1和Vo2,通过LM4651的、外侧的RC网络的滤波和分压,得到滤除高频成分的模拟差分信号,输入“反馈检测放大器”进行差分放大(增益为0dB)产生单端电压信号,从⑨脚输出经由电阻R2馈送至“误差放大器”的反相输入端形成闭合负反馈环路。“误差放大器”是从外部对LM4651和LM4652的开环增益改变起作用的内部电路,改变R11的阻值就能改变电路的开环增益。虽然运算放大器反馈量是1/11,由于开环增益是有限的,因此闭环增益在7左右。
②待机功能——LM4651的待机功能允许用户进行静音操作。“待机状态”的实质是通过关闭脉宽调制波,使LM4652的所有大功率MOSFET管处于关断状态。待机功能有一个附加的优点是将静态电流最小化。由于待机操作关断了脉宽调制波,音频信号得到了完全地衰减(>120dB),电磁干扰也最小。自调制波消失后,输出噪音全部被消除。置脚于逻辑状态“1”或5V,待机(静音)功能起作用;置脚于逻辑状态“0”或0V,则待机功能无效,放大电路正常运行。
③电流限制和短路保护——连接于LM4651的SCKT(和“地”之间。R18阻值大小,决定了LM4652的最大输出电流量。一旦输出电流高于设置的限度,短路保护电路就关断所有大功率MOSFET管,避免了意外情况(如过载和短路)等发生时损坏集成电路。电流极限值已在电路内部设置为最小10A,但能通过调节R18的阻值加以提升。关系式为:I\(_{SCKT}\)=1×10\(^{5}\)/(10kΩ//R18)(A)
④过热保护——LM4652内部有一个集成电路温度监测系统,通过TSD输出(④脚)与LM4651的TSD输入(脚)相连接。运行中,一旦LM4652的温度达到极限的150℃,其内部温度监测电路就控制TSD的电压跃升至高电位6V。 LM4651的TSD(脚)接受到此“过热”信号后,立即置脉宽调制波于无效,并维持这种状态,直至LM4652的TSD电压回落,发出“温度已冷却到安全水平”的信号为止。
⑤过调保护——当输入信号电压超出允许的范围,LM4651内部的“脉宽调制比较器”由于反相输入端电压在一个时段内低(高)于同相输入端的三角波电压峰值而无脉冲输出。这将造成LM4652的MOSFET对管长时间导通,使电源端端电压持续加在负载之上,很容易永久性损毁MOSFET管。过调保护,是集成电路在内部产生脉宽很小且固定的脉冲信号,它确保输出H桥中功率MOSFET管始终处于同频开关状态,防止任何一对功率管受持续的激励。过调保护还在大输入信号的波峰处产生“软限幅”响应。此最小保护脉冲是在内部设置,不能进行外部调节。它的存在,使电路的效率随频率的上升而有所降低。
⑥欠压保护——欠压保护是在电源电压低于±10V时使LM4651输出驱动器无效,可靠地将所有的功率MOS-FET管关闭。目的是消除电路系统加电时,电源电压跌落时发生的浪涌和冲击电流,使开机冲击声最小化。欠压保护还在开机时提供了一个数字逻辑延时,使电路无冲击地稳定进入正常运行状态。
⑦开关频率的设置——LM4651内振荡发生器的频率可以通过改变R16的阻值来进行设置,但应定位在要求的50kHz~225kHz的范围内。f\(_{OSC}\)与R16的关系式为:fOSC=1×10\(^{9}\)/(4000+R16)(Hz)或R16=(1×109/f\(_{OSC}\))-4000(Ω)。二个关系式是基于R17=0的条件。当R17=5kΩ时,R16需要增加大约2kΩ。调制频率的高低,对电路的性能有影响。增加开关频率将减小失真度但也会降低功放的效率和削波前的最大输出功率,反之亦然。
另外,C24的电容量决定电路开机时的“软起动时间:T\(_{START}\)=(8.4×10\(^{4}\))C24(s)。R17的阻值决定一对MOSFET管关断到另一对MOSFET管开启间的延迟时间(增加延迟时间会降低浪涌电流,但增加了失真度):TDLY=1.7×10-12(500+R17)(s)。R6是输入端的一个偏置电阻,作用是确保无信号时内部调制脉冲的占空比为50%。
⑧输入重低音滤波预放大器——LM4651和LM4652的D类方案是专为低音电路设计的,采用了较低的增益。由于本集成电路套件自身没有低音滤波。相位切换和音量控制功能,这就需要有具备低通滤波、一定放大倍数和其它相关功能的低音预放大器与之相配套,使功放电路输入信号的频率在10Hz~500Hz范围内,电压不大于3V。
感兴趣的读者请看本刊2000年第10期黑白广告页2000-10-5广告。