本文介绍的集成电路收音机,可以接收535~1605kHz的中波调幅广播,具有电路简单、制作容易、调试简单、一装即响的特点,适合广大初学者组装。
一、了解收音机的工作原理
本收音机,属于直接放大式收音机,电路图见图1,原理方框图见图2。L与可变电容器C2组成并联谐振电路,调节C2可改变谐振频率,起到选台的作用。被选中的电台信号送入集成电路IC先进行高频放大、检波后输出音频信号,经隔直流电容器C4、C6耦合至晶体管VT1~VT3进行音频放大,推动扬声器BL发声。


二、认识和检测主要元器件
1.集成电路7642
这是一种直接放大检波式收音机专用集成电路,如图3所示,其外形像一只塑封小功率晶体管,共有3个引脚:①脚为公共接地端,②脚为输入端,③脚为输出端。它的内部包括高频放大器和检波器,并有良好的自动增益控制(AGC)功能。集成电路7642具有输入阻抗高、增益大、耗电省、外围元件少、电路无需调试的特点,非常适合用于微型简易收音机。CIC7642、D7642、YS764等均是同类产品,可以直接代换。

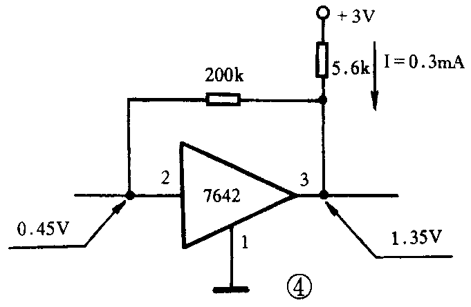
集成电路7642的好坏可以通过测量其各引脚对地直流电压和工作电流的方法来判断。按图4将7642接入电路,接通电源,无信号情况下,其输入端(2脚)对地电压为0.45V,输出端(3脚)对地电压为1.35V左右,工作电流为0.3mA左右。如相差过大,则该集成电路不能用。

2.可变电容器
可变电容器外形如图5(a)所示。为了方便收音机使用,一般将调谐回路中的微调电容器也制作在可变电容器的外壳中,两者电气上是并联的,如图5(b)所示。

检测可变电容器分两步:一是用手转动可变电容器的旋柄,看其是否转动灵活。二是检查其是否短路,将万用表置于“R×1k”挡,用两表笔去测量可变电容器的两引脚,同时旋转旋柄,万用表表外应始终不动(图6)。

3.磁性天线
磁性天线结构如图7所示。磁性天线具有方向性(图8),当磁棒与电波传播方向垂直时,接收到的信号最强;当磁棒与电波传播方向平行时,接收到的信号最弱。


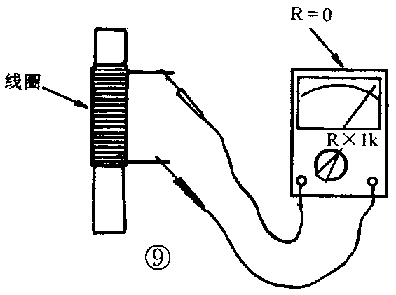
磁性天线线圈的直流电阻极小。当用万用表检测线圈时,电阻值应基本为0(图9),否则说明线圈不良。

4.微型带开关电位器
带开关电位器是将电位器与开关在结构上组成一个整体,由一个旋柄控制,而电气上两者是互相绝缘的,其外形和电路符号分别见图10(a)和图10(b)。当顺时针旋转旋柄时,首先接通了开关;随着旋柄的顺时针旋转,电位器的中间引脚与下面引脚之间的阻值不断增大。当逆时针旋转旋柄时,中间引脚与下面引脚之间的阻值不断减小,最后切断开关。

带开关电位器的电位器部分和开关部分应分别检测。检测电位器部分如图11所示:用万用表“R×1k”挡测量电位器的两边两引脚,表针指示应符合电位器的标称阻值(图1la)。测量中间引脚与另一引脚,同时缓慢转动电位器旋柄,表针应平稳地移动(图11b)。如果表针移动过程中有突然跳动现象,说明电位器接触不良。

检测开关部分:开关的任一引脚与电位器的任一引脚之间应不通(图12a)。开关两引脚之间的通断,应受开关旋柄的控制(图12b)。

5.立体声耳机插座
本收音机除了可用扬声器收听外,还可以用耳机收听。套件中配有通用的立体声耳机插座(两声道并联作单声道用),其外形与电路符号见图13。立体声耳机插座共有5个引脚,其中2脚与3脚、4脚与5脚分别组成两组转换接点。检测时,可用万用表检测其通断。当未插入插头时,2脚与3脚、4脚与5脚之间应导通(图14a)。当插入插头后,2脚与3脚、4脚与5脚之间应不通(图14b)。两组转换接点之间、两组转换接点与1脚之间均应不通。


6.立体声耳机
立体声耳机见图15,其插头顶端是左声道(L)接点,中间是右声道(R)接点,根部是公共端。检测时,万用表置“R×1”挡,一表笔接耳机插头的公共端,另一表笔断续接触耳机插头上的L或R接点,相应的左或右侧耳机应发出“喀、喀……”的声音,如图16所示。


三、制作与调试
图17是集成电路收音机的印制电路板图(铜箔面),图18是各元器件在电路板上的位置图(元件面),制作中应将这两个图与电路图(图1)对照起来看。


电路组装好,检查无误后,即可进行调试,主要是调整收音机的频率覆盖。业余条件下,可用一成品收音机作对比,转动可变电容器,在中波频率范围的低端(550kHz附近)接收一个电台,左右移动磁性天线上的线圈,使频率刻度指示与成品收音机相同;再在高端(1500kHz附近)接收一个电台,调节可变电容器上的微调电容C2b,使频率刻度指示也与成品收音机相同,如图19所示,反复调整2~3遍即可。(门宏)
