编者按:有关“优秀科技园丁”评比活动的参加办法请查阅本刊2000年第1、7期,联系电话:010-67134095-18。
闪光音乐盒是一个十分有趣的电子装置。当它启动后,由7个发光二极管组成的轮转装置会轮转闪烁数秒钟,并伴随“嘀、嘀、嘀……”的声响,轮转速度由快渐慢,最后它会随机地停止在某一位置。如果轮转装置停止在“7”位置,一段美妙的音乐就会播放几秒钟,以示一种特殊的奖励。闪光音乐盒可以用作电子玩具、闪烁标志、装饰品以及各种游戏中的随机骰子。
一、电路工作原理简述
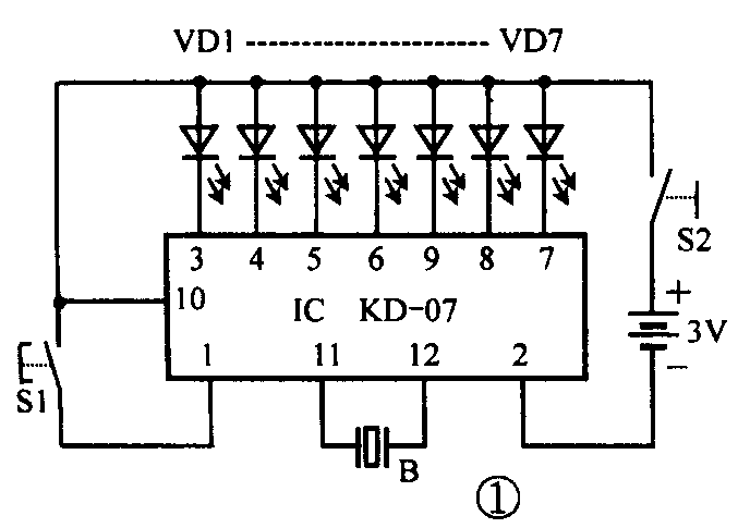
闪光音乐盒电路图见图1。电路的核心是一块CMOS大规模集成电路KD-07,这是一种专为玩具设计的闪光、音乐专用集成电路,内部包括:振荡器、移位寄存器、只读存储器(ROM)、数/模转换器(D/A)、控制电路、驱动电路、输出电路等。KD-07具有7个发光二极管驱动端、2个音频输出端和1个触发端。当电路被触发后,KD-07驱动7个发光二极管轮流循环闪烁发光。当触发信号消失后,发光二极管继续循环闪光若干圈后随机停止在某一位置。如果停止时最后一只闪光的发光二极管是VD7,电路即演奏乐曲一首。KD-07可以直接驱动压电蜂鸣片发声。VD1~VD7是发光二极管。B是压电蜂鸣器。S1是触发按钮。S2是电源开关。电源采用两节5号电池(3V)。

二、元器件识别与检测
闪光音乐盒套件中包括了制作需要的所有元器件和材料,在正式动手制作之前,我们首先来认识和检测这些元器件。
1.集成电路KD-07闪光音乐集成电路KD-07具有集成度高、外围电路简单、功耗低、体积小的特点,组装非常方便。KD-07采用小印板软封装,如图2所示。小印板上的黑色封装物里面是集成电路的管芯,其引出端从左下角沿顺时针方向数,依次为l~12脚,各引脚功能如下:第1脚为触发端;第2脚为电源负端;第3脚为第一发光二极管驱动端;第4脚为第二发光二极管驱动端;第5脚为第三发光二极管驱动端;第6脚为第四发光二极管驱动端;第7脚为第七发光二极管驱动瑞;第8脚为第六发光二极管驱动端;第9脚为第五发光二极管驱动端;第10脚为电源正端,第11、12脚为音频电压输出端。

2.发光二极管 电路中使用了7个红色的发光二极管。发光二极管是一种会发光的具有一个PN结的半导体器件,其外形及符号见图3。发光二极管的两个引脚有正、负极之分,使用时应注意不要弄错。由于发光二极管的管体一般都是用透明塑料制成的,因此可以观察到它的内电极。内电极较小、引脚较长的是正极;内电极较大、引脚较短的是负极。

发光二极管的好坏可用万用表检测,方法是:万用表置“R×10k”挡(因为发光二极管的管压降约为2V,而万用表处于“R×1k”及其以下各电阻挡时,表内电池仅为1.5V,低于发光二极管的管压降,无法检测。“R×10k”挡时表内则接有9V或15V的高压电池),两表笔分别与发光二极管的两引脚相接,如表针偏转过半,同时发光二极管中有一发亮光点,表示发光二极管是正向接入,这时与黑表笔(与表内电池正极相连)相接的是正极;与红表笔(与表内电池负极相连)相接的是负极(囹4a)。将两表笔对调后再测,这时为反向接入,表针应不动(图4b)。如果无论正向接入还是反向接入,表针都偏转到头或都不动,说明该发光二极管已损坏。

3.压电蜂鸣器 发声元件采用压电蜂鸣器,它由压电蜂鸣片和助声腔盖组成,如图5所示。压电蜂鸣片的结构是在金属基板上做有一压电陶瓷层,压电陶瓷层上有一镀银层。当通过金属基板和镀银层对压电陶瓷层施加音频电压时,由于压电效应的作用,压电蜂鸣片便发出声音来(图5a)。使用时,将塑料助声腔盖卡到压电蜂鸣片上,这样,在压电蜂鸣片与助声腔盖之间就形成了一个助声腔(图5b),使发出的声音响亮。

4.微动按钮开关 触发开关S1采用了一个微动按钮开关,其外形及符号见图6。该微动按钮开关共有4个引脚,其中在同一侧的两个引脚是开关的一端,另一侧的两个引脚是开关的另一端。

微动按钮开关可用万用表检测。方法是:万用表置“R×1k”挡,两表笔分别接微动按钮开关上处于对角线的两个引脚,当未按下按钮时,表外应不动;当按下按钮时,表针指示应为“0Ω”。
5.其它 闪光音乐盒电路中,电源开关使用了一只拨动开关,前面已作过介绍,这里不再赘述。为了方便大家制作,套件中还提供了外壳、电池卡子、导线、小螺钉、双面胶垫以及面板纸样等材料。
三、制作与组装
元器件识别与检测等准备工作做好之后,就可以开始制作了。图7是KD-07小印板在基板上的接线图,图8是整机安装结构图,应根据这两个图以及电路图(图1)进行制作组装。


1.外壳面板的处理 将套件中提供的面板纸样粘牢在外壳正面,将纸样上标明的7个发光二极管安装孔、电源开关拨柄孔、触发按钮孔、出声孔(图中画有斜线处)挖空备用。
2.制作安装用的基板 将基板纸样粘牢在卡纸板上,并按照纸样形状剪下来。在基板纸样上安装7个发光二极管和一个微动开关的地方(画有小圆圈处),用大号缝衣针戳好安装孔。

3.基板上元器件的安装 如图9所示,按照基板纸样标明的位置,将7个发光二极管的引脚适当剪短后,从基板的背面插入安装孔中。将KD—07小印板铜箔面前上,从基板正面套在VD7的引脚上并焊牢,VD7在小印板上的焊接点位于小印板的中间。将微动开关的引脚也从基板的背面插入安装孔中,并向内折弯使微动开关固定住。然后按照图7所示,将各发光二极管、微动开关与小印板之间,用导线连接好。连接发光二极管时应注意其正、负极,各发光二极管的正极并接在一起后接到KD—07的第10脚;各发光二极管的负极分别接到KD-07的相应驱动端。
4.压电蜂鸣器的制作 如图5所示,先分别从压电蜂鸣片的金属基板和镀银层上焊出两条引线。注意焊接时间不宜过长,以免烫裂压电陶瓷层。焊好引线后,将助声腔盖卡到压电蜂鸣片上,其引线从助声腔盖旁的缺口中伸出,压电蜂鸣器便制作好了。
5.整机组装 各部件在外壳中的位置如图8所示。首先将安装好元器件的基板背面粘上若干块双面胶垫后,粘牢在外壳内。7个发光二极管以及微动开关的按钮,应从外壳面板的相应孔中伸出。接着,用两片双面胶垫将制作好的压电蜂鸣器粘牢在外壳内的相应位置上,助声腔盖上的出声孔应对准外壳上的出声孔。用两枚小螺钉将电源开关固定在外壳的相应位置上。将正、负极电池卡子焊上引线后,插入外壳内相应的固定槽中。然后根据图1和图7,用导线将压电蜂鸣器、电源开关、电池卡子等与基极连接起来,整机就组装好了。本机只要元器件良好、安装无误,无需调试即可正常工作。最后盖上后盖,闪光音乐盒便制作完成了,其外形如图10所示。(门宏)
