大家知道用LED组成的阵列可以显示文字或图案。本文介绍的简易节日字灯显示电路,可在节日喜庆之夜用来轮换显示事先写入的四句4字词组。例如,“五一”国际劳动节期间可写入“庆祝五一”、“普天同庆”、“祖国富强”、“人民幸福”。夜晚,便会按时序轮换显示,增添节日喜庆气氛。
电路组成及原理

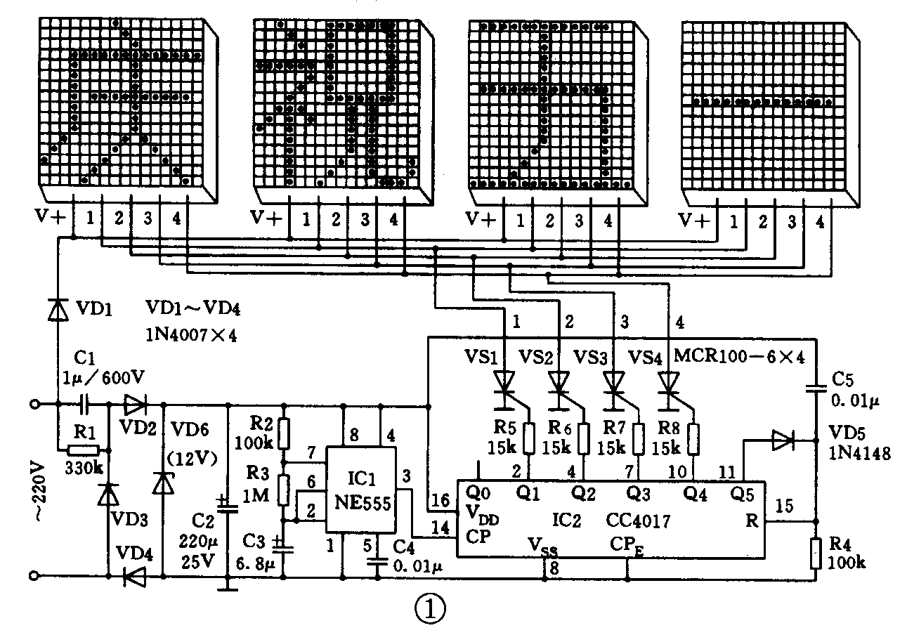
电路图如图1所示。图的上部为4块字灯显示屏,每块字灯显示屏是由256盏字灯单元组成的16×16阵列。每盏字灯单元(见图2)均由一只LED正端串接一只限流电阻R引出V+端作正电源输入端,负端并接4只隔离二极管VD1~VD4的正极,二极管负极分别通过断点引出1、2、3、4端作为4个字选择端,构成四或电路。每盏字灯单元的同名引出端分别相联,接成5根总线,即是字灯显示屏的控制总线,其V+为正电源输入端,1、2、3、4为句选择端。当某一句选择端为低电位时,该句亮灯显示。

字灯单元中4只二极管负极断点当作“写”字用。所谓“写”字,就是在字灯显示屏中写字时,按字形笔划把需亮灯的字灯单元中某一断点接通。例如在写入第一个字时,按字形笔划在所有需亮灯字灯单元中,把二极管VD1负极断点接通,这样就写入了第一个字。同理,可写入第二、三、四个字。
字灯显示屏中写入字的“读”出是通过其字选择端接通低电位来选中。当字选择端1为低电位时,字灯显示屏中所有VD1负极断点接通的LED发光二极管导通发光,就可以“读”出写入的第一个字。同理,当字选择端2、3、4之一为低电位时,则字灯显示屏便亮灯“读”出第二、三、四中的一个字。图1中把四块字灯显示屏的引出线并接成总线结构。四个字选择端并接成四根句选择总线。当某一句选择总线为低电位时,该句的四个字同时被选中,读出某一4字词组。
图1下部为字灯显示屏的控制器电路,左边是电源部分,二极管VD1直接将市电整流输出220V/50Hz正半波脉冲电压,接在字灯显示屏V+总线上作为正电源输入。C1、R1、VD2、VD3、VD4。VD6和C2构成电容降压、整流滤波和稳压电路,输出+12V稳定直流电压,作为控制器的工作电源。其中VD3、VD4也可省略。加接VD3是为了提高电源负载能力;加接VD4为了隔离交流反向电压提高安全性。右边为控制器部分,仅用两片集成电路和少量元器件构成。IC1为NE555时基电路,接成极低频振荡器,产生时钟脉冲,周期T=0.693(R2+2R3)C3,按图中所标元件参数7约为10s。IC2为CC4017十进制计数分配器,把它接成五进制分配器,在时钟脉冲触发下产生时序高电平,从Q1~Q4端逐位输出。时序高电平通过电阻R5~R8逐个触发单向晶闸管VS1~VS4的控制极而轮换导通,使VS1~VS4正极轮换输出低电位,选中字灯显示屏的句选择总线1~4为低电位,从而使四块字灯显示屏中写入的四句4字词组轮换地读出。
工作过程
字灯显示屏和控制器按上述电路及原理制作完成后,接通市电,首先从VD1输出半波脉冲电压,给字灯显示屏V+总线上电;同时直流电源输出+12V控制器工作电压。通电瞬间由于R4、R5的微分作用使IC2复位端R产生瞬时高电平而复位,输出端Q0=1,其余均为0,所以字灯显示屏都不亮。这时IC1开始起振,间隔10s输出一个时钟脉冲。当IC1 3脚输出第1个时钟脉冲时,IC2计数为1,输出端Q1由0变为1,高电平经R5触发单向晶闸管VS1由截止变为导通,字灯显示屏的句选择总线1变为低电位,选中写入的第一句4字词组“庆祝五一”,4个字同时亮灯显示,持续显示时间为1个时钟周期(约10s)。当第2个时钟脉冲来到时,IC2计数为2,输出端Q2由0变为1,高电平经R6触发单向晶闸管VS2由截止变为导通,字灯显示屏的句选择总线2变为低电位,选中写入的第二句4字词组“普天同庆”,4个字同时亮灯显示;同时由于Q1由1变为0,VS1失去控制电压而在220V正半波电压降到零时截止,第一句4字词组停止显示。同理,在第3、4个时钟脉冲触发下,使第三、四句4字词组相继轮换显示。当第5个时钟脉冲来到时,由于Q5输出的高电平经VD5反馈到复位端R而使IC2立即复位,回到初始状态,字灯显示屏都不亮。当第6个时钟脉冲到来时,又从头开始显示第一句。如此往复,循环不止。
扩展应用
图1中仅画出了四块字灯显示电路。若增加字灯显示屏数和增加字灯单元中二极管数,便可增加字数和句数。控制器采用十进制计数分配器,最多只能控制变换显示十句10字词组,若控制器采用十六进制计数器和16位译码分配输出,最多能控制变换显示十六句16字词组。
字灯显示屏除了作节日字灯显示之外,还可以用来作宣传广告和标语口号牌等其它用途。(何祖武)