本栏目欢迎投稿!
欢迎提供新器件线索!
欢迎索取英文资料!
联系电话:010-67134095-18
LMC555(12页)
555时基集成电路是大家熟知的器件。LMC555是NS公司1999年第三季度推出的新型CMOS工艺制作的时基电路,它不仅有多种贴片式封装供用户选用,还有该公司焊球形微SMD封装技术的器件,其尺寸仅为1.387mm(长)×1.412mm(宽)×0.85mm(高)(焊球形微SMD封装见本期第32页文章)。另外,在性能上有较大的改进,与一般的CMOS型555器件相比,它的主要特点是:工作电压更低,在1.5V时即能可靠工作(工作电压范围为1.5~15V);最高振荡频率可达3MHz(一般仅为500kHz);功耗极小,在5V供电时仅为1mW;输出电流大,可选+50mA及-10mA(一般仅为3.2mA);触发电流及阈值电流极小,仅10pA;温度稳定性好(75ppm/℃)。
网址:www.national.com
LM3886(20页)
LM3886是NS公司1999年第二季度推出的新器件,是一种高性能68W音频功率放大器IC。该器件主要特点有:在±28V电源供电源,4Ω负载时连续平均输出功率可达68W;8Ω负载时可达38W(连续平均输出功率);在±35V供电、8Ω负载时,连续平均输出功率可达50W;信噪比≥92dB;有输入静噪功能;有输出短路保护、输出过压保护、电源低电压保护;THD+N(R\(_{L}\)=8Ω,30W,20Hz≤f≤20kHz)为0.03%。
该器件为TO-220-11引脚封装,引脚排列见图1,其典型应用电路见图2。
LM20(9页)
LM20是NS公司1999年10月推出的新型微SMD封装的低电压、低功耗温度传感器。它的主要特点是:工作温度范围为-55℃~+130℃;在+30℃时精度为±1.5℃~±4℃(mox);在+130℃及-55℃时精度为±2.5℃~±5℃(max);工作电压范围为+2.4~+5.5V;最大电流消耗为10μA;非线性为±0.4%(典型值);输出阻抗为160Ω(max);有SC-70小型封装及微SMD封装。
该传感器主要应用于蜂窝电话、计算机、电源模块、电池管理、传真机、复印机、通风采暖系统、软盘驱动器、家用电器等。
该传感器采用微SMD封装的外廓尺寸0.853mm×0.853mm×0.9mm。
应用电路及管脚排列见附图。

TC1054/1055/1186(11页)
TC1054/1055/1186是Telcom公司1999年推出的新器件,是一种低压差线性稳压器系列。TC1054、TC1055及TC1186的区别仅仅是输出电流不同,它们分别为50mA、100mA及150mA。该系列共有9种不同电压输出,它们是2.5V、2.7V、2.8V、2.85V、3.0V、3.6V、4.0V及5.0V,可供用户选择。
该系列器件的主要特点有:CMOS工艺制造,静态电流小,典型值为50μA,可延长电池的寿命;压差低:在50mA输出时(TC1054)压差典型值为85mV,TC1055在100mA输出时,典型压差值为180mV,TC1186在150mA输出时,典型压差值为270mV;输出电压精度高,典型值为±0.5%;有关闭电源控制,在关阀电源时耗电小于0.5μA;有电源故障信号输出(由于输入电压过低或负载电流过大使输出电压低于5%,输出电源故障信号),此信号可用来报警或输入单片机用作复位信号;内部有过流及过热保护;小尺寸SOT-23A-5封装。
该系列稳压器可应用于便携式计算机、医疗仪器、蜂窝电话/GSMS/PHS电话;寻呼机及其它电池供电的电子产品。

典型应用电路如附图所示。图中1MΩ为上拉电阻,电源正常时输出为高电平,输出电容很小,仅1μF;SHDN-为关闭电源控制端,低电平有效(小于15%V\(_{IN}\)),若此功能不用时,此端接VIN。
网址:www.telcom-semi.com
LM4872(14页)
LM4872是NS公司1999年末推出的焊球形微SMD封装的1W音频功率放大器。该器件主要特点有:8Ω负载连续平均功率为1W时其THD小于0.2%;有关闭控制,在关闭状态时耗电仅为0.01μA;工作电压低(2~5.5V);无需输出耦合电容;单位增益稳定。
该器件可应用于蜂窝电话、便携式计算机及低电压音频系统等领域。
该器件外廓尺寸1.31mm×1.97mm×0.85mm,典型应用电路如附图所示。

LT1505(16页)
LT1505是LT公司(线性技术公司)在1999年2月推出的新器件,是一种恒流/恒压高效电池充电器IC。由该器件组成的充电器是一种电流型脉冲调宽电池充电器,它可以快速充锂-离子电池、镍镉电池及镍氢电池。它可以通过外设的电阻来设定恒定充电电流或通过一个D/A变换器。恒压输出的精度可选0.5%可满足锂-离子电池的要求。
另有一个控制回路用来控制交流适配器的电流,使它在快速充电时不使适配器过负荷。
LT1505组成的充电器的特点还有:可预设电池的电压:12.3V、16.4V、12.6V及16.8V;采用高效同步电流型PWM控制,最大压差为0.5V,占空比大于99.5%;控制电流精度可达5%;当断开交流适配器时,充电器自动处于关闭状态,电池电流为10μA。
该充电器适用充3~4节锂离子电池,每节4.1V或4.2V。
LT1505为28脚SSOP封装,典型应用电路见附图。
网址:www.linear-tech.com

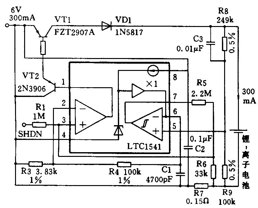
LTC1541(13页)
LTC1541是线性技术公司开发的一种组合式集成电路,它将一个运算放大器、一个电压比较器及一个基准电压源组合在一个硅片上。该器件的主要特点有:静态电流小,典型值为5μA;输出幅度可接近电源;运放失调电压小,最大值为700μV;基准电压输出驱动0.01μF,输出电压为1.2V±0.4%;输入偏置电流小,最大值为1nA;比较器有±3mV的滞后;运放及比较器输入可包括地;运放单位增益稳定并有12kHz带宽;工作电压范围2.5~12.6V(也可工作于±1.25V~±6.3V);管脚与MAX951兼容;8脚MSOP及SO-8封装。
该器件主要应用于电池或太阳能供电的系统;低频工作电路(检测器或报警器电路);红外遥控电路;烟雾报警电路;低成本充电电路等。
附图是一个可充一节锂离子电池的简单充电器电路。图中也将LTC1541内部结构画出。电源可由简单的交流适配器提供。


