锂-离子电池,在充电或放电过程中发生过充、过放或过流时,会使电池损坏或降低使用寿命。为此,各半导体器件厂开发出各种锂电池保护器IC,用它组成的保护电路十分简单,尺寸小,可以安装在电池中组成电池组,使电池获得完善的保护。利用这种保护器IC还可开发出各种电路简单的锂-离子充电器,使充电器电路大为简化并降低生产成本。本文重点介绍台湾沛享半导体公司1999年推出的单节锂-离子电池保护器AIC1811的工作原理和应用电路。
AIC1811简介
AIC1811是专门为保护锂-离子电池而设计的,主要特点为:最大工作电压为18V;超低静态电流(在3.5V电压时为7μA);在掉电状态(V\(_{CC}\)=2.3V)时耗电仅0.2μA;过充保护电压精度可达±30mV;为了工作稳定(防止瞬态电压变化干扰),内部有过充、过放、过流保护的延时电路;根据不同的要求有3种防止过充阈值电压:4.35V、4.30V、4.25V,它们分别用后缀A、B、C表示;小尺寸SOT-25封装;外围元器件少,电路简单并且无需调整;工作温度范围-20℃~+80℃。

AIC1811的管脚排列如图1所示,各管脚功能列于表1。

应用电路工作原理

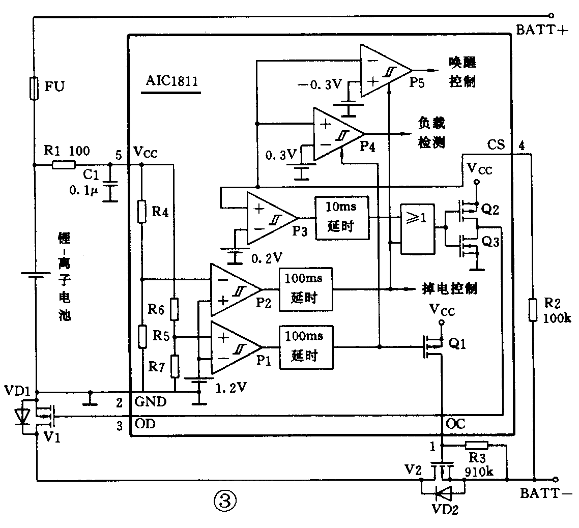
由AIC1811组成的单节锂电池保护电路如图2所示。V1为控制放电的MOSFET,V2为控制充电的MOSFET,R1、C1用来消除充电器输入电压的纹波及干扰,R2为防止充电器电源接反时保护CS端的电阻,R3为V2的偏置电阻,FU为保险丝,BATT+及BATT-为电池组的正极和负极。
正常充电时,V1、V2都导通,充电电流从BATT+流入,经保险丝向电池充电,经V1、V2后由BATT-流出。V1、V2的导通电阻极小,因此损耗较小。
正常放电时,V1、V2都导通,电流由BATT+经负载R\(_{L}\)(图中末画出)后,经BATT-及V2、V1流向电池负极。其电流方向与充电电流方向相反。
1.过充保护(图3)

P1为控制过充的带滞后的电压比较器,R6、R7组成的分压器接在锂离子电池的两端,其中间头检测出电池的电压并接在P1的同相端,P1的反相端接1.2V基准电压。充电时电池电压低于过充阈值电压值时,P1的反相端电压大于同相端电压,P1输出低电平,使Q1导通,V2的偏置电阻R3有电流流过使V2也导通,V1在充电时是导通的,这样形成充电回路。当充电电压到达并超过过充阈值电压时,P1同相端电压超过1.2V,P1输出高电平,经100ms延时后使Q1截止,R3无电流而使V2截止,充电回路断开,防止过充。
2.过放保护(图3)
过放保护电路由R4、R5组成的分压器、带滞后的电压比较器P2、100ms延时电路、或门及由 Q2、Q3组成CMOS输出组成。当电池电压降到2.4V时,电压比较器P2输出高电平,经延时后使OD端输出低电平,V1截止,放电回路断开,禁止放电。
3.过流保护(图3)

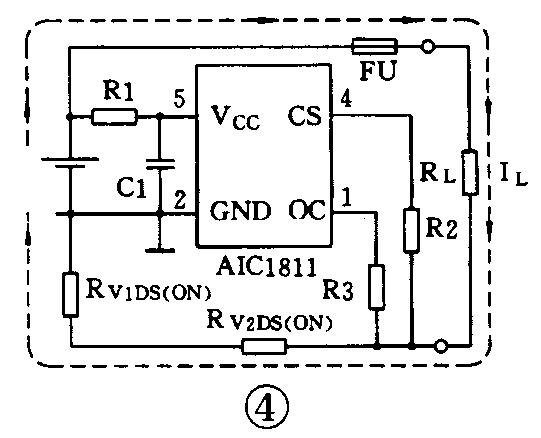
CS端为放电电流检测端,它连续地检测放电电流。这是利用CS端的电压V\(_{CS}\)与放电电流IL有一定关系,如图4所示。如果我们把导通的V1、V2看作为一个电阻,即R\(_{V1DS(ON)}\)及RV2OS(ON),则放电回路如图4的虚线所示。若忽略R2上的极小的压降,则CS端电压V\(_{CS}\)对地的电压为:
V\(_{CS}\)=〔RV1DS(ON)+R\(_{V2DS(ON)}\)〕×IL
即V\(_{CS}\)与放电电流IL成比例。
过流保护电路由电压比较器P3、延时电路、或门等组成。若放电电流超过设定阈值而使V\(_{CS}\)超过0.2V,则P3输出高电平,其结果与过放相同使V2截止,禁止放电。
要使从禁止放电回到正常放电必须解除负载,使BAN+与BATT-之间阻抗≥10MΩ。实际上AIC1811中还有一个阈值电压为1.0V的电压比较器,其延时时间仅300μs,当有短时等故障时可瞬间断开V2而起到保护作用,图3中因简化而未画出。
4.过充后的负载检测(图5)

当过充发生后,V2截止。若去除充电器后,负载RL接在BMTT+及BATT-之间,则放电回路可通过V2中的二极管VD2来实现,则V\(_{CS}\)端电压大于0.6V,P4输出高电平,检测出负载接入电池组。在放电后电池电压降到阈值电压减一个P1的滞后电压后,Q1才导通,V2相继导通。
5.过放后的掉电状态
当电池电压降到2.4V时,V1截止而禁止放电,掉电控制使定时器及检测电路都关闭,器件耗电仅0.2μA,此时为掉电状态。
6.过放后充电检测(图3)

过放发生后,V1截止。但电路仍可以通过V1内部的二极管VD1实现充电,如图6所示。这时CS端的电压低于地(GND)端电压V\(_{CS}\)比-0.7V还低。P5的反相端输入VCS的负电压比同相端电压-0.3V更低,使P5输出高电平,它起到唤醒控制,结束掉电状态,即定时器及检测电路被“唤醒”而启动,开始充电。
V1及V2的选择
电路设计主要选择V1及V2,其它元件可按图2所注选择。V1、V2可选择Si9940DY一类SO-8封装的双N沟道功率MOSFET。该类器件尺寸小,在一个封装中有两个N沟道功率MOSFET,输出电流大、导通电阻小。如Si9940 DY的主要参数如表2所示。

根据导通电阻及已知的防止过流时V\(_{CS}\)=0.2V,则可以计算出最大过流电流IT:I\(_{T}\)=0.2/2RDS(ON)如,R\(_{DS(ON)}\)=50mΩ,则过放电流IT=2A。若要求更大的放电电流时则要选择导通电阻更小的功率MOSFET。
编者按:本栏目下一期将详细介绍美国国家半导体公司今年2月推出的最新通用充电控制IC——LM3647,其主要特性如下:
通用:镍镉、镍氢、锂-离子电池均适用;
自动选择充电模式、自动优化充电过程;
可检测电池温度;
单芯片:PCB板小、减少库存、设计简单,综合成本低;
价格低:1千片价格2.84美元/片;
适用于各种便携式电子产品。(方佩敏)