NV-M8000摄像机电子寻像器内字符显示有两种状况:一种是在寻像器上方或右上角显示告警闪烁字符,如电池耗尽(BATT)、带盒防抹挡舌己抠去不能摄录(TAPE)、磁带运行到终端(END)、机器发生结露(DEW)和工作状态显示:如电力状况(F-F)、磁带计数(MO123)、带长时间计数(1∶23.45)、记录(REC-暂停)、插入编辑(INST)、高带(S-VHS)、高速快门指示(1/250、1/500、1/1000)、手动白平衡(OUT室外、IN室内)。另一种是在左下方显示日期/时间字符,如图1所示。前者显示的字符由系统控制微处理器IC6001⑤脚(NON REC DATA)输出,后者则由字符信号发生器IC6002产生的,显示字符由IC6001④脚(REC DATA)输出,它的作用不仅在电子寻像器内显示日期/时间字符,而且还能将其叠加在被摄图像画面上,以便记录下画面拍摄时的日期和时间。

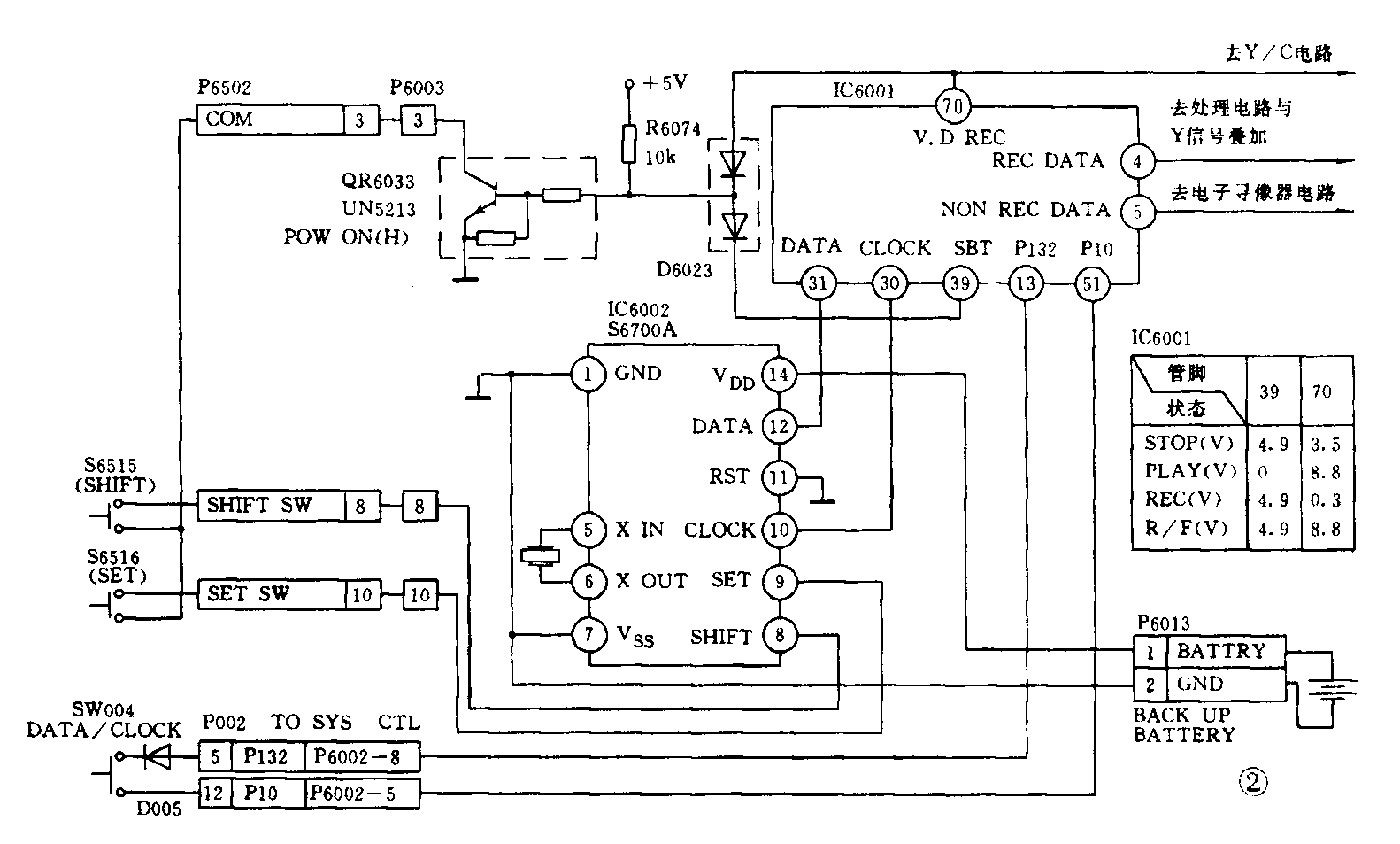
NV-M8000摄像机字符信号发生器主要由专用集成块IC6002、日期位移(SHIFT)S6515、日期设置(SET)S6516按键开关、DATA/CLOCK按键开关SW004、控制晶体管QR6033和系统控制微处理器IC6001部分电路组成的,如图2所示。集成块IC6002(S6700A)采用14脚双列直插塑封结构,其中⑤、⑥脚外接晶体X6002产生所需的时钟信号,⑧、⑨脚分别外接S6515、S6516按键开关,⑩脚为同步时钟信号输入、脚为串行数据信号输出、外接锂电池(LR1130型)为时钟电路提供工作电压,保证切断电源开关或停机保存的情况下时钟电路仍处于计数工作状态。

锂电池电力耗尽时IC6002失去电源供电,字符信号发生器电路不工作,在这种情况下需要更换同型号及电池并将电子寻像器内显示的年、月、日、时、分分别调校到现在的日期/时间上。下面分析日期/时间设置电路控制过程。
一、日期/时间设置
接通电源开关,在停止状态下系统控制微处理器IC6001输出高电平,电源+5V经电阻R6074给QR6033基极提供高电平偏置电压,QR6033处于饱和导通状态,按压摄像操作面板上DATA/CLOCK键,电子寻像器左下方显示日期/时间字符。打开摄像机顶部总操作控制盖板,按压SHIFT键瞬间,IC6002⑧脚经接插件P6003⑧脚→P6502⑧脚→S6515按键开关触点接通→接插件P6502③脚→P6003③脚→QR6033→地,电子寻像器显示的年份字符闪烁,再按一下SHIFT键,闪烁字符移到月份,依次按压SHIFT键,电子寻像器内显示闪烁字符从年→月→日→时→分循环变更。
确定设定项目(即闪烁字符)后,用手持续按压SET键,计数快速前进,待接近所需设置数据时松开手,然后再一下一下地按压SET键,按压一下向上移位加1,直至设置到所需的日期/时间上。NV-M8000摄像机IC6002产生字符数据为:年:从1907~2006→1907循环可调
月:从1~12→1循环可调
日:从1~31→1循环可调
时:从0~23→0循环可调
分:从00~59→00循环可调
从年到分数据设置完毕,分的字符仍在闪烁,这时再按压一下SHIFT键,分的字符停止闪烁,日期/时间开始进入计数状态。
二、在被摄录图像画面上叠加日期/时间字符
插入带盒,将摄像机置于摄像暂停状态,按压摄像操作面板上DATA/CLOCK键瞬间,IC6001脚输出键扫描脉冲信号经接插件P6002⑧脚→P002⑤脚→D005→SW004→P002脚→P6002⑤脚→IC60014,微处理器识别到显示日期/时间指令,IC6001输出同步时钟信号送到IC6002⑩脚,IC6002产生的字符信号数据以串行数据形式从脚输出送到IC6001,经内部信号处理后从IC6001④脚输出,然后送到处理电路叠加在摄像头输出的图像画面上。按压DATA/CLOCK键,电子寻像器内有两种显示状态,按压一下显示日期字符,再按一下日期/时间均显示。按下开始/停止键,机器进入摄录状态,叠加在图像画面上的日期/时间字符就被记录在录像带上。如果要取消画面上叠加的日期/时间字符,按开始/停止键,机器回到摄像暂停状态,这时按压DATA/CLOCK键,叠加在图像画面上的日期/时间字符立即消失。
按压DATA/CLOCK键只有在停止、快进/倒带、摄录暂停状态下有效。日期/时间字符一旦记录在录像带上就不能消除掉,应用时应当注意,有些场合图像画面要求整洁时最好不用,否则会影响图像画面质量。
三、常见故障检修方法
1.接通电源开关,按压DATA/CLOCK键,导像器内日期/时间字符无显示。这种情况一般是IC6002管脚存在虚焊或损坏所造成的,可用500型万用表检查IC6002各管脚在路对地电阻和工作状态电压加以判断。IC6002各管脚正常的在路对地正反向电阻和工作状态电压如附表所示。如果各管脚电压没有存在明显问题,故障可能是DATA/CLOCK按键开关或接插件接触不良所引起的。

2.接通电源开关,按压DATA/CLOCK键,日期/时间仅显示“··19”,月、日、时、分均不显示。这是锂电池电力耗尽的标志,更换同型号锂电池LR1130后重新将日期/时间设置到现在的日期、时间上即可。
3.在停止状态下按压DATA/CLOCK键,电子寻像器显示日期/时间字符正常,按位移(SHIFT)键,日期/时间字符不闪烁,按设置SET键,字符不变更。上述情况说明字符发生器工作正常,故障存在位移、设置控制电路中。遇到这种情况,可检查QR6033基极是否高电平处于饱和导通状态。如果QR6033基极无高电平输入,这时应检查电阻R6074是否开路、IC6001、是否有高电平输出。如果QR6033基极输入高电平正常,故障多半是因接插件P6502③脚、P6003③脚接触不良或印制板线条断裂所造成的。(黄福森)