5硬币是人们常用的一种随机决策方法。电子硬币采用红、绿两种颜色来模拟硬币的正、反两面,使用时也是将电子硬币轻轻一抛再现其结果,它会带给您另一番情趣。

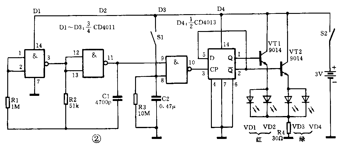
6子硬币电路包括三大部分:与非门D1、D2等构成自激多谐振荡器,用以产生时钟脉冲;与非门D3和D触发器D4等构成随机控制电路,使后续的显示电路实现随机显示;晶体管VT1、VT2以及发光二极管VD1~VD4等组成驱动显示电路。VT1、VT2分别接成射极跟随器,既具有电流放大作用,又可以缓冲负载对D触发器(D4)的影响。R4是发光二机管共用的限流电阻。

7非门D1、D2均接成非门,它们与R1、R2、C1一起构成自激多谐振荡器,振荡频率约为1.9kHz,为整个电路提供方波时钟脉冲。

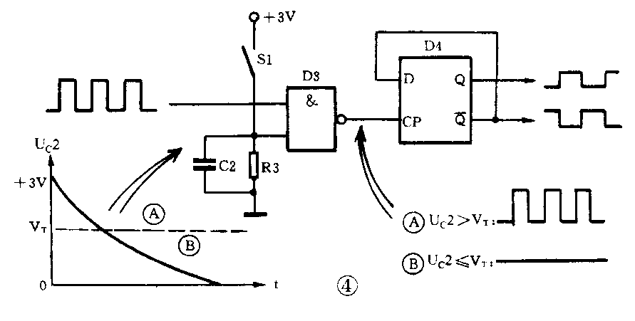
8机控制电路由D触发器D4和与非门D3等组成。D4接成双稳态电路,CP端每输入一个时钟脉冲,其输出状态便翻转一次,其两个输出端Q和Q-输出状态互为反相。时钟脉冲受D3控制,D3的控制端(图中D3的下面一个输入端)接有C2、R3,并通过S1接电源正极。S1是常开式震动开关,受震动时瞬间接通给C2充满电,使D3控制端为1,时钟脉冲通过D3作用于D4;随着C2经R3放电,数秒钟后,当C2上电压降至D3触发电压V\(_{T}\)以下时,D3因控制端为0而关断,D4因无时钟脉冲而随机地处于某一状态(Q=1或Q-=1),并通过VT1或VT2驱动发光二极管发出红色或绿色的光。

9、D2、D3采用了一块CMOS四2输入与非门集成电路CD4011,其中包含有4个独立的与非门,本制作中使用了其中的3个。对于多余的一个与非门,实际制作中应将其输入端接地,以免感应静电而损坏。CD4011各引出端功能如图示。

采用的是CMOS集成D触发器CD4013,其中含有2个独立的D触发器,本制作中使用了其中的一个。D触发器输出状态的改变依赖于时钟脉冲的触发作用,CP为时钟脉冲输入端。对于闲置不用的另一个D型触发器的所有输入端,都应接地予以保护。CD4013各引脚功能如图示。

1先制作印制电路板。取单面敷铜板一块,将其裁制成直径60mm的圆形,将图示1:1的印制电路板图细心描画到圆形敷铜板的铜箔面上,并腐蚀成形。注意各元器件安装孔特别是集成电路14个引脚安装孔的位置必须准确,以免造成安装困难。电池卡子、震动开关和电源开关的安装孔(图中画有较大的圆圈处)直径为2mm,其余元器件的安装孔(图中画有小圆圈处)直径为0.8mm左右。

2二步制作震动开关。先制作定接点:取薄铜片一小片,按图(a)所示形状和尺寸裁剪成形,并将左右两端折弯90°。再制作震动臂:从弹性很好的薄铜皮上剪取宽2mm、长约26mm的一条,按图(b)所示尺寸折弯成形,并在左端头部灌满焊锡,形成一个重锤。

3动开关在印制电路板上的位置如左图所示,先将定接点插入安装孔并从铜箔面焊牢,再将震动臂的右端插入安装孔并焊牢。震动管头部的重锤应正好在定接点的上方,间距1mm左右(右图)。将印制电路板轻轻一掷,重锤应能准确击打在定接点上。

4三步制作电池卡子。本制作中采用了一枚CR2025型号的3V纽扣形锂电池,如果采用其它型号的电池,则电池卡子应按所用电池的尺寸重新设计。电池卡子包括负极接点和正极卡子两部分。制作负极接点时,按图(a)所示尺寸,用薄铜片剪下并将其两端折弯90°。正极卡子采用有弹性的薄铜片,按图(b)所示尺寸和形状剪制、折弯成形,使其中部略向下凹。

5池卡子在印制电路板上的位置如左图所示。安装时,先将负极接点插入相应位置并从铜箔面焊牢,再将正极卡子插入焊牢。正板卡子中间下凹处与负极接点之间的净间距应略小于2.5mm(右图),能将一枚纽扣电池紧紧卡住。如果该净间距过大或过小,可以通过适当下压或上抬正极卡子中间下凹处来调节。

6四步制作显示板。用厚度为3mm的透明有机玻璃板制作一个直径60mm的圆片,并将其上、下、左、右各裁去4mm(左图)。将该圆片上、下、左、右被裁去4mm后的直边在细砂纸上磨平,并用牙膏进一步抛光,务必达到像有机玻璃表面一样光洁(中图)。最后用铁笔或刀尖等在该有机玻璃片的一面刻划出网格(右图)即可。

五步改造发光二极管。VD1~VD4采用直径3mm的高亮度发光二极管,其中:VD1、VD2为红色,VD3、VD4为绿色。为便于安装,需将其顶端半球状部分截去。

1六步进行总装。按图7将元器件焊入印制电路板相应位置,安装高度必须符合以下要求(如图示):发光二极管顶端距电路板表面的高度为8mm;电源开关S2的开关柄顶端高度为11mm,而其开关体的高度不得超过8mm;其余元器件的高度均应为5mm,并保持平整,在其上面放一层白纸。将显示板放在白纸上面,4个直边的中间对着4个发光二极管,发光二极管的发光点应正对着显示板侧面。

1七步制作外壳。选择一个内部直径60mm、高12mm的塑料扁圆盘,将盒盖上面开挖出一个直径46mm的大孔,在大孔旁边对应电源开关的地方开一个长方形的小孔,以便开关柄从中伸出来。外壳做好后,将一枚CR2025纽扣电池正极朝上推入印制电路板上的电池卡子当中,然后将装配好的包括印制电路板和显示板的机心放入外壳中,盖上上盖,并使电源开关柄从小长方孔中露出,一个电子硬币便制作完成了。

2子硬币外形如图示。使用时,打开电源开关,将电子硬币拿起来轻轻一掷,这时电子硬币呈现出类似于橙色的颜色(相当于抛出的硬币在空中翻滚)。数秒钟后,电子硬币稳定地、随机地呈现出红色或绿色(相当于抛出的硬币落地后随机地呈现出一面)。(门宏)
