晶体管是各种分立元件电路的核心器件,也是组成集成电路的基础。
无线电初学者和少年电子技师如果对晶体管的特性和工作原理能较好地掌握,在制作和维修各种电子套件时就能得心应手,对今后继续学习各种电子技术知识时也能创造有利的条件。
很多人在学习电子技术时半途而废或进步缓慢,解决问题的能力差,究其原因主要是对晶体管的特性了解不够。
有很多人,特别是青少年也懂得学习晶体管的重要,也试着看了一些基础知识方面的书,但总觉得很抽象,弄不懂、记不住、用不上。为什么会有如此结果呢?关键是没有掌握好学习方法,俗话说:眼过千遍不如手过一遍。如果你能按照本文所介绍的实验方法认真操作一遍的话,学习效果会怎么样你自己就会知道了。
一、实验所需器材(见下表)

二、制作实验板
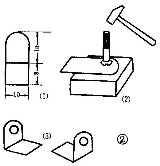
本次实验使用铆钉式实验电路板,这种电路板制作简单,焊盘(铆钉)牢固,可多次焊接而不脱落。实验板尺寸、结构如图1所示。

第一步:在一块70mm×60mm厚0.5mm左右的绝缘板下边打3个直径6mm的孔,用来固定3只电位器(因本实验板还可做以后的实验因此预装3个电位器)。
第二步:在绝缘板的上方用空心铆钉固定5号电池卡,电池卡的制作方法如图2所示,按图2(1)剪两块磷铜片(没有磷铜片也可以用马口铁代替),然后用锤子和直径5mm左右的圆头螺钉在磷铜片上砸两个坑,如图2(2)所示,然后弯成图2(3)所示形状。安装电池卡时,正极片凹面朝里,负极片凹面朝外。

第三步:在绝缘板中间砸上18个直径1.5mm、长3mm的空心铆钉(直径稍大的空心铆钉也可用)。如图3所示,制作时,在放铆钉的地方用钻头打上和空心铆钉直径一样的小孔(本实验板为1.5mm),然后穿上空心铆钉,在铆钉下用铁砧子(或比较坚硬的金属块、石块等)垫好,再用小圆钉把铆钉一头冲开,用锤子把一个个铆钉紧砸在胶木板上,铆钉实验板就做好了。

三、焊接实验电路
大家知道,要使晶体三极管正常工作,必须给晶体三极管发射结(基极和发射极之间的PN结)加上一个正向电压(而且电压数值要高过起始电压),集电结(基极和集电极之间的PN结)加一个反向电压,如图4所示。

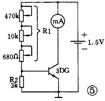
图5为晶体三极管起始电压的实验原理图。图5中的R2上的电压相当于图4中的E\(_{B}\)电压。R2上的电压是由R2和R1分压后得到的。做实验时,先按图5把各元件在实验板上连接好(实体连接图如图6所示)。


四、实验步骤
第一步:把470kΩ电位器拧到阻值最小(轴对着自己逆时针拧到底),10kΩ和680Ω电位器拧到阻值最大(轴对着自己顺时针拧到底)。把万用表拨在直流电流1mA左右挡位。此时观察集电极电流为零(万用表无指示),说明晶体管未导通。然后我们把万用表从集电极回路中取下来(把晶体管集电极直接接到电源正极),拨到直流电压2.5V左右的挡位,测得基极电压(红表笔接基极,黑表笔接发射极)为0.3V左右(如果有两块万用表,第一块表可不动,按图7连接)。通过这步实验我们可以看到,虽然在发射结上(基极和发射极)加了一个正向电压,但晶体管并未导通,说明加的正向电压数值还不够大。

第二步:再把万用表拨到1mA左右电流挡串在集电极电路中(恢复到图6的连接状态),然后调小R1(调10k电位器),使接在集电极回路的电流表略微动一点(大约5μA,此时可认为晶体管已开始导通),再按上述方法,测得基极电压(发射结)为0.5V左右。这个使三极管刚刚开始导通的电压数值就是晶体三极管的起始电压,对硅管来说大约0.5V,对锗管来说为0.1~0.2V。当晶体管工作时发射结压降变化不大,硅管为0.6~0.7V;锗管为0.2~0.3V。(沈长生)