本文介绍的交直流两用日光灯电路,同时兼有充电功能。电路所用元器件少,成本低,安装容易,工作可靠,很适合初学者制作。
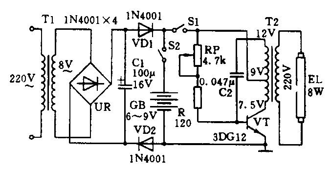
电路由整流与逆变两大部分组成。220V单相交流电经变压器T1降压、UR桥式整流、电容C1滤波后,通过二极管VD1、VD2获得约为9V的直流电压。开关S1闭会后,电位器RP、电阻R、电容C2、三极管VT与变压器T2的初级线圈组成的振荡器很快振荡起来,经T2的次级输出220V高压,点亮8W日光灯EL。调节RP,可以改变目光灯的亮度。当交流电源停电后,闭合开关S2,可由直流电源GB供电。另外,需要对蓄电池GB单独充电时,只闭合S2;需要点亮与充电同时进行时,S1、S2都要合上。(杨斌文)
