自行车在夜间行驶时,如果在车上装有一种环状发光系统,发光时形成旋转光环,且旋转的速度随自行车的速度而变化,将会给人们增添许多情趣!这个趣味小制作我们就称它为自行车“风火轮”吧。
一、工作原理
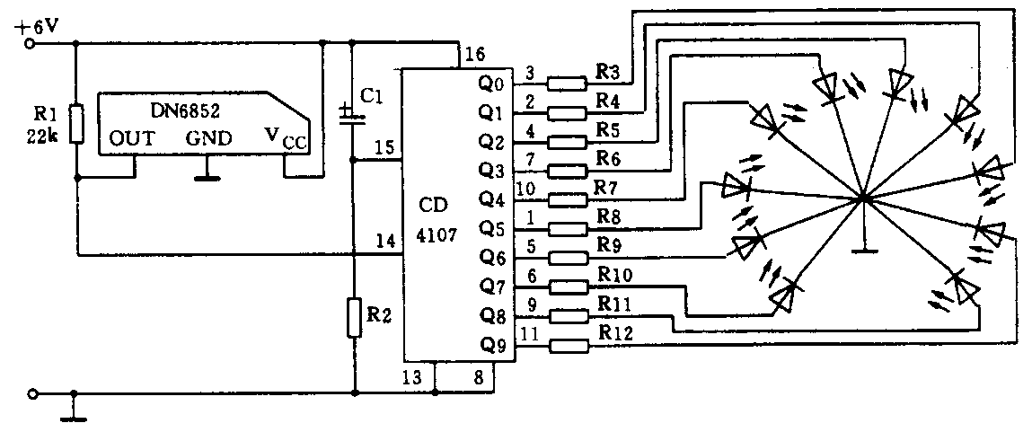
该电路很简单,它由两部分组成。一部分为传感检测电路;一部分为发光电路,如附图所示。

1.传感检测电路
这部分电路由磁传感器和一块小型永久磁铁组成。磁传感器选用霍尔集成电路DN6852,内部含有霍尔元件、稳压电源、放大器、施密特整形触发器及集电极开路功率输出管等。
选一块小型永久磁铁,用粘合剂粘贴在自行车后轮圈上,传感器固定在自行车尾座下部适当的位置,以距离磁铁5mm为宜。自行车车轮每转动一周,传感器就发出一个脉冲,送给电路的发光系统。
2.发光电路
这部分电路由CD4107、C1、R2及发光二极管组成。
由CD4107组成的顺序发光电路,每接收传感检测电路发送的一个脉冲,就推动环状的发光二极管逐个发光,在视觉上就形成一种旋转的光环。自行车车轮旋转10圈,该光环就旋转1周。C1、R2组成微分电路,使CD4107在每次接通电源瞬间都自动清零,即每次都从Q0开始输出高电平。
二、元器件选择
R1为22kΩ;微分电路C1选0.1μF;R2选100kΩ;发光二极管选用红色高亮度的发光二极管;限流电阻选用330Ω。(刘志勇)