测试电路的通断及电线、电缆的通断是无线电爱好者经常遇到的问题。本文介绍的八种通断测试仪可以作为模拟电路及数字电路制作、维修和测试的常备工具。它具有集成化、实用性、先进性及便于制作等特点,供无线电爱好者参考。
一、555时基集成电路组成的通断测试仪
电路见图1。这里555时基集成电路组成音频振荡器,其音频高低取决于被测电路电阻的大小,用来测量、判断电路和线路的通断,不仅能检测出线路开路或短路,还能估计通路电阻值的大小。

使用时,探头A、B连到被测电路两端。若A、B间开路,则C1无充电,555时基集成电路组成的音频振荡器停振,压电陶瓷片无声;若A、B间为通路,则音频振荡器起振,压电陶瓷片音调低沉;通路电阻值越小,压电陶瓷片发声音调越高;当被测电路完全短路时,压电陶瓷片发出的声音声调最高。
本文所用的555电路均采用HA17555时基集成电路,压电陶瓷片均选用直径为11mm、型号为OBOTE11258-26,如果机壳允许,直径选大一点更好。电阻器选用1/8W的。电容器C2选用100μF的电解电容器,C1选用的是独石电容器。
二、555时基集成电路组成发光显示的通路测试仪
电路图见图2。通常认为,被测电路两点间等效电阻Rx≤30Ω可视为通路,Rx>30Ω可视为阻路。当A、B两探头连接到被测电路两点时,若等效电阻Rx>30Ω,则555时基集成电路 2与 6脚电压大于电源电压的1/3,故3脚与7脚输出低电平,红色发光二极管发光,绿色发光二极管不发光。反之,若被测电路两点间等效电阻Rx≤30Ω时,绿色发光二极管发光,而红色发光二极管不发光。

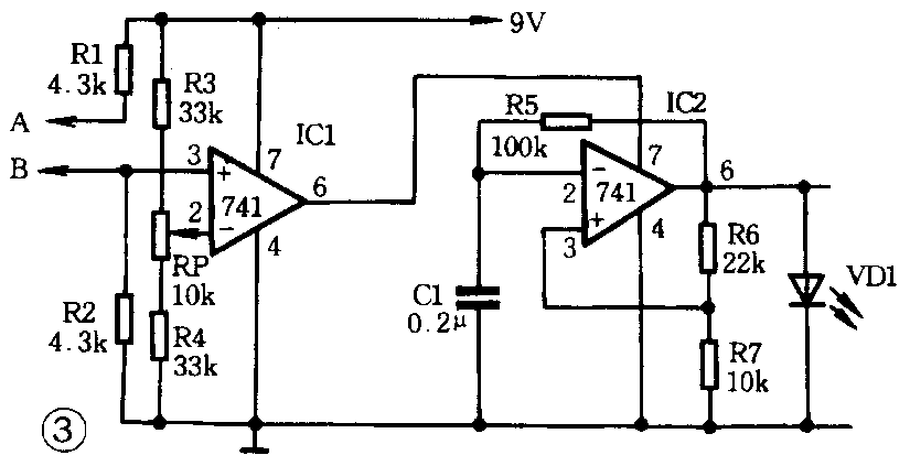
三、集成运算放大器组成的通路测试仪
电路图见图3。其中前一块741集成运算放大器组成放大电路,后一块组成无稳态多谐振荡器。

使用时,通过测试探头接触电路中的两点,若两点间短路,发光二极管亮;若开路则发光二极管不亮;从而可以判断电路的通断。通过调整RP的阻值使探头A、B间低阻值时发光二极管也不发光,仅在短路时发光。
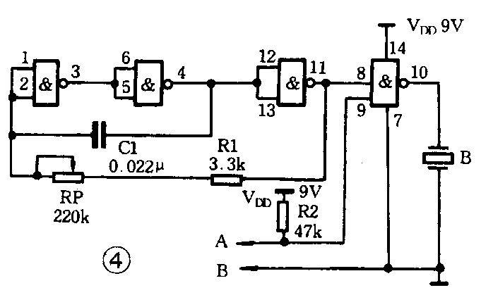
四、集成门电路组成的发声通断测试仪
此通断测试仪具有耗电少、测试灵敏的特点,电路见图4。测试探头A、B接触电路中的两点。两点间阻值小于43kΩ时压电陶瓷片不发声,高于43kΩ左右时,压电陶瓷片发声。可以调整220kΩ电位器,使电路振荡频率与压电陶瓷片固有频率相同,这时发声最响。用这个装置可测量电阻小于43kΩ的电路连线及远距离电缆的通断情况。

五、由集成比较器组成的开路测试仪
电路见图5。IC1是一个比较器,用作电桥电路的检测放大器。电桥电路由R1、VD1、R2和接在测试探头两端的未知电阻Rx组成。当Rx大于由R1设定的预定值时,LM311的3脚反相输入端电位高于2脚正向输入端的电位。7脚输出低电位。这时VD2发光。当Rx短路时,3脚电位为地电位,正向输入端2脚的电位高于反相输入端的电位,这时7脚输出高电位,VD2不发光。

使用时只有在测试探头接触的被测电路开路时VD2发光。当测试探头接触的电路两点间的电阻小于2MΩ时,发光二极管都不发光。这样此电路便成了灵敏的开路检验器了。
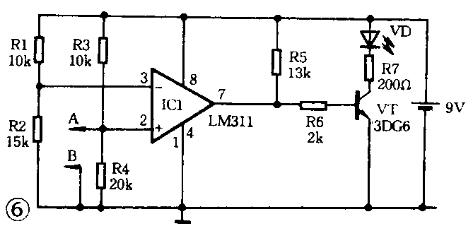
六、集成比较器和晶体管组成的开路测试仪
电路见图6。当测试探头开路时,LM311同相输入端2脚的电位高于反相输入端3脚的电位,7脚输出高电位,使VT导通,VD发光。同理,当测试探头两端短路时,VD不发光。

若将R4与R2对换一下,测试探头接入3脚和地。开路时VD不发光。测试探头接触被测电路短路时,VD发光。
七、多芯电缆测试仪
该测试仪可迅速对断路电缆进行检测。它具有电路简单、成本低廉等优点,整个电路可以安装在一个名片盒中。电路见图7。

使用时,把要测试的多芯电缆分别接到T0~T9的两端。接通电源后,IC1产生时钟脉冲,VD1发红光。如若VD2~VD11不发光,说明被测的芯线都未发生断路。若某发光二极管发光,说明此路被测芯线断路。
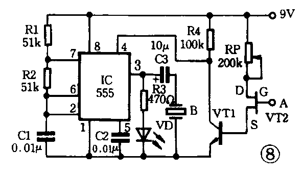
八、声光断点测试仪
前面的电路能检测出一路或多路的开路情况,但断点如何进一步检测呢?本电路就能检测出电缆线的断点。电路见图8。通过场效应管有无感应信号检测断线点。

使用时,先给被测电缆芯线加上220V交流电压,其余电缆芯线接地线或零线,被测电缆芯线的另一头通过串联100kΩ/1W的电阻器接地线或零线,消除不必要的感应信号干扰。然后接通测试电源,将测试探头A沿被测电缆线平行缓慢移动,当某点出现无声无光,便是断线点的位置。因为使用220V交流电,使用时一定要注意人身安全。
该电路场效应管选用3DJ6,晶体三极管选用3DG6。。测试探针选用直径3mm、长30mm的螺钉代替,发光二极管选用的直径为Φ3mm。(翟春林)